
Lorsque vous travaillez sur l’installation ou la réparation de votre radio dans un Dodge Ram 2006, il est important de comprendre le schéma de câblage. Ce schéma vous permettra d’identifier les connexions correctes pour éviter toute erreur et assurer un fonctionnement optimal de votre système audio. Il est recommandé de bien vérifier les fils avant de faire toute modification ou installation.
Voici un aperçu des câbles principaux :
- Fil d’alimentation (rouge) : Fournit l’énergie nécessaire à la radio.
- Fil de masse (noir) : Permet de relier le système à la masse de la voiture.
- Fil d’antenne (bleu) : Permet la réception du signal radio.
Avant de commencer les branchements, assurez-vous d’avoir les bons outils et de couper l’alimentation du véhicule pour éviter tout court-circuit.
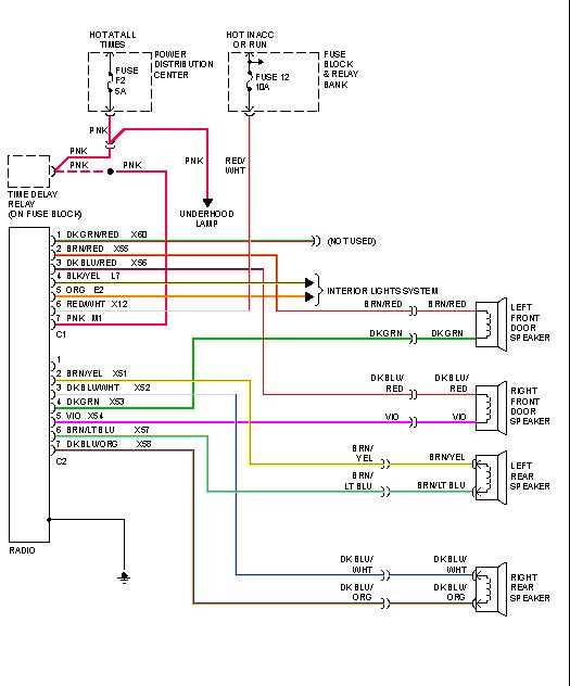
Schéma de câblage du radio pour Dodge Ram 06
Pour installer un autoradio dans un Dodge Ram 06, identifiez d’abord les fils essentiels : l’alimentation, la terre et les fils de haut-parleur. Assurez-vous que le fil d’alimentation (généralement rouge) est connecté au fusible, et que le fil de terre (souvent noir) est correctement fixé au châssis du véhicule. Les fils des haut-parleurs doivent être reliés aux bornes correspondantes de l’unité centrale, en respectant les couleurs des fils. Les fils d’illumination (jaune) et de mise sous tension (orange) se connectent également pour activer l’éclairage de l’écran. Un connecteur ISO adapté facilitera la tâche et assure une installation propre et sécurisée.
Pour une connexion stable, vérifiez la correspondance des couleurs avec le schéma fourni dans le manuel du véhicule ou sur les forums spécialisés. Cela garantit une mise en place sans erreurs et sans endommager les composants électroniques. Utilisez un multimètre pour tester la continuité avant de finaliser l’installation et éviter tout court-circuit.
Comprendre les connexions du système audio

Les connexions du système audio dans le Dodge Ram de 2006 sont relativement simples, mais il est essentiel de comprendre la fonction de chaque fil pour garantir un bon fonctionnement de l’équipement. Voici les principales connexions à connaître :
Connexions principales

- Alimentation : La connexion d’alimentation est responsable de l’alimentation électrique du système audio. Assurez-vous que les fils sont bien connectés à la batterie et au fusible approprié.
- Terre : La connexion à la terre permet de stabiliser le système audio. Elle doit être correctement reliée pour éviter les interférences et le bruit.
- Entrées audio : Ces fils transmettent le signal audio du lecteur vers les haut-parleurs. Vérifiez que chaque entrée est correctement reliée aux sources audio (par exemple, autoradio ou amplificateur).
Connexions des haut-parleurs

- Fils de haut-parleur : Chaque haut-parleur doit être relié à un fil de sortie provenant du système. Veillez à respecter la polarité, avec les fils positifs et négatifs correctement branchés pour éviter la distorsion.
- Amplificateur : Si un amplificateur est présent, il faut connecter ses sorties aux haut-parleurs pour augmenter la puissance sonore. Cela peut améliorer la qualité du son et fournir plus de volume.
Assurez-vous de tester chaque connexion après l’installation pour garantir que tout fonctionne correctement. Une mauvaise connexion peut entraîner des coupures de son ou des interférences indésirables.
Identifier les fils d’alimentation pour le radio
Pour connecter correctement le système audio, commencez par identifier les fils d’alimentation. Le fil rouge est généralement utilisé pour la connexion à la source d’alimentation principale, tandis que le fil jaune est destiné à la mémoire du système, permettant de conserver les paramètres même après avoir éteint le véhicule. Le fil noir, souvent plus épais, est la masse et doit être raccordé à une zone métallique non peinte de la voiture pour assurer une bonne connexion à la terre.
Vérifiez si les couleurs des fils correspondent aux standards de l’industrie, mais soyez attentif aux variations possibles selon les marques ou les installations précédentes. Utilisez un multimètre pour tester chaque fil avant de faire les connexions, afin de confirmer leur fonction et éviter toute erreur de branchement.
En cas de doute, consultez un diagramme de câblage spécifique à votre modèle de véhicule, car les configurations peuvent légèrement varier. Assurez-vous également que tous les fils sont solidement fixés pour éviter toute coupure de courant lors de l’utilisation du système audio.
Connexion des haut-parleurs au radio

Pour connecter les haut-parleurs à votre radio, commencez par identifier les câbles de connexion. Chaque haut-parleur aura deux fils, un pour le positif et un pour le négatif. Assurez-vous de respecter la polarité lorsque vous effectuez les branchements pour éviter d’endommager le système.
- Commencez par localiser les sorties pour les haut-parleurs à l’arrière de votre radio.
- Branchez les câbles de chaque haut-parleur sur les bornes correspondantes à l’arrière du poste radio (généralement marquées comme « A » ou « B » pour les différents canaux).
- Connectez le fil positif (+) du haut-parleur à la borne positive de la radio et le fil négatif (-) à la borne négative.
- Utilisez des connecteurs appropriés pour garantir une bonne connexion. Si nécessaire, vous pouvez utiliser des adaptateurs ou des serre-fils pour un meilleur maintien.
Assurez-vous que les câbles sont bien fixés et qu’il n’y a pas de contact accidentel entre les fils, ce qui pourrait entraîner un court-circuit. Pour une installation plus propre, vous pouvez utiliser des attaches pour maintenir les câbles bien organisés et éviter les interférences.
Vérifiez ensuite que chaque haut-parleur fonctionne correctement après la connexion en testant le système. Si vous constatez des problèmes, vérifiez la polarité des câbles et l’intégrité des connexions.
Branchement des câbles de l’antenne
Pour connecter correctement les câbles de l’antenne à votre radio, commencez par identifier le câble d’antenne principal. Ce câble est généralement de couleur noire ou grise et se branche directement sur la prise d’antenne à l’arrière du récepteur.
Connexions de l’antenne à la radio
Vérifiez que le câble est bien inséré dans le connecteur d’antenne, sans jeu ni mouvement. Si vous utilisez un adaptateur pour votre modèle, assurez-vous qu’il est correctement installé entre l’antenne et le récepteur. Cela garantit une connexion stable et sans interférences.
Test du signal
Une fois le branchement effectué, allumez votre radio et testez la réception. Si le signal est faible ou instable, vérifiez à nouveau le branchement du câble et assurez-vous qu’il est en bon état, sans coupures ni plis qui pourraient affecter la qualité de la réception.
Résoudre les problèmes de son avec le câblage
Vérifiez d’abord les connexions des câbles. Un mauvais contact ou un câble mal branché peut entraîner des coupures de son ou une qualité audio dégradée. Inspectez les connecteurs des haut-parleurs et de l’unité principale pour vous assurer qu’ils sont bien fixés.
Si le son est faible ou absent sur certains haut-parleurs, il est possible que les fils soient endommagés. Identifiez toute zone où l’isolation pourrait être usée ou coupée. Un test de continuité peut aider à repérer les câbles défectueux.
Les interférences électriques peuvent également affecter la qualité sonore. Vérifiez que les câbles audio sont éloignés des sources de puissance ou d’autres câbles susceptibles de causer des interférences. Vous pouvez utiliser des câbles blindés pour réduire ce problème.
Enfin, assurez-vous que l’alimentation électrique du système est stable. Une alimentation instable peut provoquer des bruits parasites ou une absence totale de son. Inspectez le fusible et le câblage de l’alimentation pour détecter toute anomalie.
Utilisation des adaptateurs pour un câblage correct
Pour garantir un câblage optimal lors de l’installation du système audio dans un Dodge Ram 2006, il est indispensable d’utiliser des adaptateurs adaptés. Ces pièces permettent de connecter les câbles du véhicule aux nouveaux composants audio sans compromettre la qualité du son ou endommager l’équipement.
Choisir le bon adaptateur
Il est essentiel de sélectionner un adaptateur spécifique à votre modèle de véhicule. Les adaptateurs varient en fonction des systèmes de câblage et des connecteurs utilisés. Un mauvais choix d’adaptateur peut entraîner des erreurs de connexion ou même des dysfonctionnements du système. Optez pour un modèle compatible avec le câblage de votre Ram 2006 pour une installation simplifiée et efficace.
Avantages des adaptateurs de câblage

Les adaptateurs facilitent l’intégration de nouveaux appareils sans nécessiter de modifications complexes du câblage d’origine. Ils réduisent également les risques d’erreurs humaines et de câblage incorrect. L’utilisation d’un adaptateur de qualité garantit une connexion stable et sécurisée.
| Type d’adaptateur | Avantages | Inconvénients |
|---|---|---|
| Adaptateur ISO | Compatible avec la majorité des autoradios après-vente | Peut nécessiter des ajustements spécifiques selon les modèles |
| Adaptateur spécifique Dodge | Connecte parfaitement avec le système d’origine | Moins de flexibilité avec d’autres systèmes |