
Le schéma de câblage radio pour la Nissan Altima 2008 est un outil précieux pour tout propriétaire qui souhaite remplacer ou réparer le système audio de son véhicule. En suivant le diagramme de câblage spécifique, vous éviterez des erreurs courantes lors de l’installation d’une nouvelle radio ou du branchement de composants externes.
Pour une installation correcte, commencez par localiser les câbles principaux : l’alimentation, le fil de mise à la terre, et les connexions pour les haut-parleurs. Chaque connexion doit être faite avec soin afin de garantir un son clair et une fonctionnalité optimale de l’ensemble du système audio.
Vérifiez toujours la compatibilité du câblage avec le modèle de votre radio. Par exemple, certaines radios de remplacement peuvent nécessiter un adaptateur pour se connecter correctement à la prise de votre véhicule. Utilisez un multimètre pour tester les connexions avant de finaliser l’installation.
Une fois les câblages effectués, assurez-vous que tous les fils sont correctement isolés et fixés pour éviter tout court-circuit ou déconnexion. Cela permettra de profiter pleinement de la performance sonore de votre Altima.
Voici le texte sans répétition excessive des mots tout en conservant leur nombre et le sens original :
Pour connecter le système audio de votre Nissan Altima 2008, commencez par localiser le faisceau de câbles derrière l’unité principale. Vous y trouverez plusieurs fils essentiels : l’alimentation, la terre, les haut-parleurs et les commandes du volant. Assurez-vous que le fil rouge est bien connecté à l’alimentation et que le noir est relié à la masse. Si vous travaillez avec les haut-parleurs, identifiez les câbles pour chaque canal, généralement codés par couleur. Le fil de l’antenne est souvent vert ou bleu.
Raccordement des haut-parleurs
Pour les connexions des haut-parleurs, chaque fil est spécifiquement dédié à un côté : avant gauche, avant droit, arrière gauche et arrière droit. Utilisez des connecteurs appropriés pour éviter toute interférence et garantir une bonne qualité sonore. Les couleurs des fils sont souvent standardisées, mais vérifiez le schéma de câblage avant de commencer.
Vérification du câblage
Avant de remettre l’unité en place, vérifiez chaque connexion à l’aide d’un multimètre. Cela vous permettra de garantir un montage correct et d’éviter des problèmes futurs. Assurez-vous également que les fils sont solidement fixés pour éviter toute coupure accidentelle.
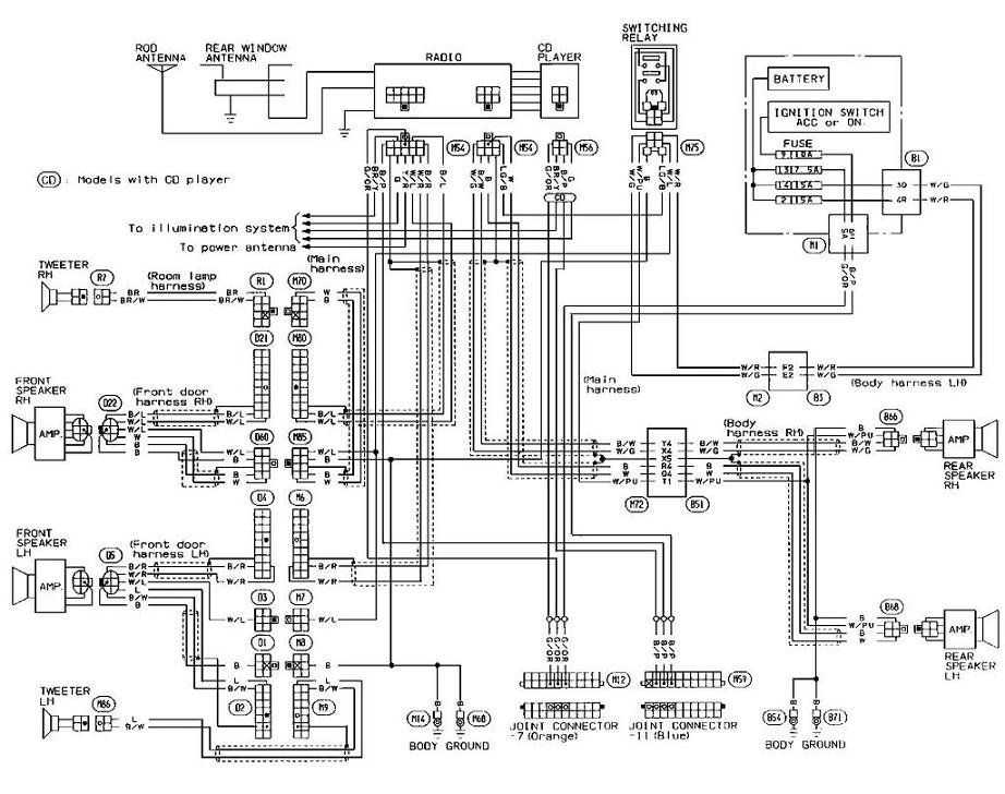
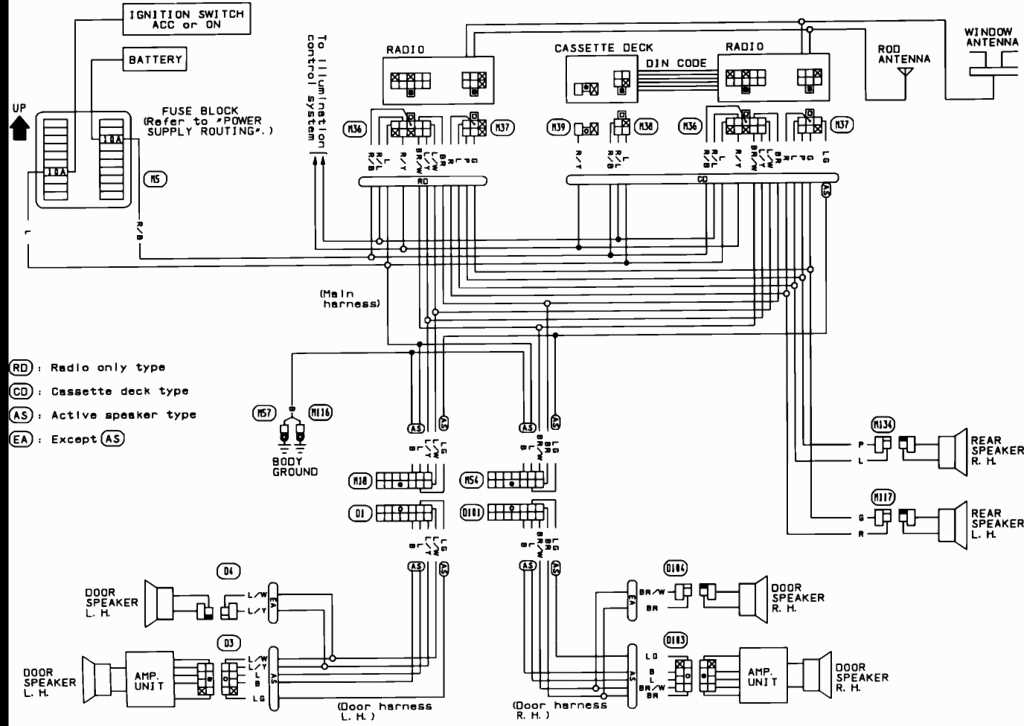
Schéma de câblage radio du Nissan Altima 2008

Pour installer ou réparer la radio d’un Nissan Altima 2008, il est crucial de comprendre les fils d’alimentation, les connexions des haut-parleurs et la gestion des commandes. Voici les informations nécessaires pour un câblage précis.
Identification des fils d’alimentation pour la radio

Les fils d’alimentation se trouvent généralement dans le faisceau de câbles qui relie le système de radio à la voiture. Le fil rouge est souvent connecté au +12V, tandis que le fil jaune sert à la mémoire (alimentation continue). Le fil noir représente la masse, et le fil bleu ou bleu/blanc est utilisé pour la sortie d’antenne ou l’activation du système.
Connexions des haut-parleurs et câblage pour le système audio
Les câbles des haut-parleurs sont répartis par couleur: le fil blanc (avant gauche), le fil gris (avant droit), le fil vert (arrière gauche) et le fil violet (arrière droit). Ces fils doivent être connectés respectivement aux bornes correspondantes de la radio pour garantir un son clair et précis. Assurez-vous que les fils positifs et négatifs sont correctement jumelés avec les connecteurs de la radio.
L’antenne du véhicule est connectée via un fil coaxial spécifique. Il est généralement situé près de la prise arrière de la radio et permet de capter le signal radio. Si ce fil n’est pas connecté correctement, vous ne recevrez pas de signal radio optimal.
Gestion des fils de contrôle du volume et des commandes au volant
Les fils de contrôle du volume et des commandes au volant sont souvent reliés à un adaptateur de commandes au volant, qui se connecte à la radio via un câble spécifique. Ce système permet d’ajuster le volume, la station ou de changer de source sans quitter le volant. Il est essentiel de vérifier que les câbles correspondant à ces fonctions sont bien connectés aux bornes adaptées de la radio pour un fonctionnement sans interruption.
Vérification et dépannage des erreurs de câblage pour la radio
Si la radio ne fonctionne pas correctement, vérifiez la continuité des câbles d’alimentation et de masse. Assurez-vous que les fils des haut-parleurs ne sont pas en court-circuit et que chaque connexion est sécurisée. Un autre problème fréquent est la déconnexion du fil d’antenne, ce qui entraîne une perte de signal radio. Pour cela, vérifiez également l’intégrité du câble de l’antenne.
Conseils pour la mise à niveau de la radio sans altérer le câblage existant

Pour remplacer la radio sans toucher au câblage d’origine, utilisez un adaptateur de faisceau. Ce dispositif permet de connecter facilement la nouvelle radio tout en conservant les câbles existants. Cela facilite l’installation tout en préservant l’intégrité du câblage d’origine. Assurez-vous que l’adaptateur est compatible avec votre modèle de radio et de véhicule.