
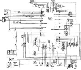
Pour une installation radio réussie dans un Dodge Ram 1500 de 1997, il est crucial de suivre un schéma de câblage précis. Ce modèle nécessite une attention particulière au niveau des connexions électriques et des codes de couleur pour garantir une intégration correcte du système audio. Vous devez repérer les fils d’alimentation, de terre, et d’entrée audio avec précision.
Le schéma de câblage typique pour ce véhicule comprend plusieurs fils essentiels. Le fil rouge est généralement destiné à l’alimentation, le noir à la masse, et les fils jaune et bleu à l’audio. Assurez-vous de vérifier ces connexions avant de brancher votre nouvelle unité stéréo pour éviter tout court-circuit.
Lorsque vous travaillez sur le câblage, une bonne pratique est de bien isoler les fils non utilisés pour éviter tout contact accidentel. Utilisez un testeur de continuité pour valider les connexions et vous assurer que chaque fil fonctionne comme prévu. Le respect de ces étapes garantit non seulement la sécurité, mais aussi la qualité de la performance sonore.
Diagramme de câblage du radio pour Dodge Ram 1500 1997
Pour connecter correctement le système audio dans un Dodge Ram 1500 de 1997, assurez-vous de suivre le diagramme de câblage spécifique. Voici les informations nécessaires pour un montage fiable et sans erreur.
Connexions principales

Le câble d’alimentation (fil rouge) se branche sur le terminal 12V constant. Assurez-vous de connecter le fil d’alimentation du système audio directement à cette borne pour maintenir une alimentation stable. Le fil noir, qui est le fil de mise à la terre, doit être connecté à une surface métallique de votre véhicule pour garantir une bonne mise à la terre.
Connexions des haut-parleurs
Les fils des haut-parleurs sont identifiés par leurs couleurs : le fil bleu clair correspond au haut-parleur avant gauche, tandis que le fil bleu foncé est pour le haut-parleur avant droit. Pour les haut-parleurs arrière, utilisez les fils vert et gris. Assurez-vous de respecter les codes de couleur pour éviter toute inversion de phase.
Identification des fils d’alimentation du radio
Pour connecter correctement l’alimentation du radio dans un Dodge Ram 1500 de 1997, il est crucial de bien identifier chaque fil. Le fil d’alimentation principal est généralement le fil rouge, qui fournit l’énergie au radio. Il se connecte à une source d’alimentation constante pour assurer que le radio fonctionne même après avoir éteint le moteur.
Le fil jaune est responsable de l’alimentation en mémoire, permettant de sauvegarder les préréglages et les stations de radio. Ce fil doit être connecté à un circuit qui reste alimenté même lorsque le véhicule est éteint.
Le fil noir est le fil de masse (ou terre), et doit être relié à une partie métallique du véhicule pour assurer une bonne mise à la terre. Une mauvaise connexion à la masse peut entraîner des problèmes de fonctionnement du radio.
Le fil orange, souvent appelé « illumination », est utilisé pour ajuster la luminosité du radio en fonction de l’éclairage du tableau de bord. Il est important de le connecter à un circuit d’éclairage approprié pour que l’écran du radio soit visible la nuit.
Assurez-vous que chaque fil est correctement isolé et bien connecté avant de tester le radio. Cela permet d’éviter des courts-circuits et d’assurer une performance stable du système audio.
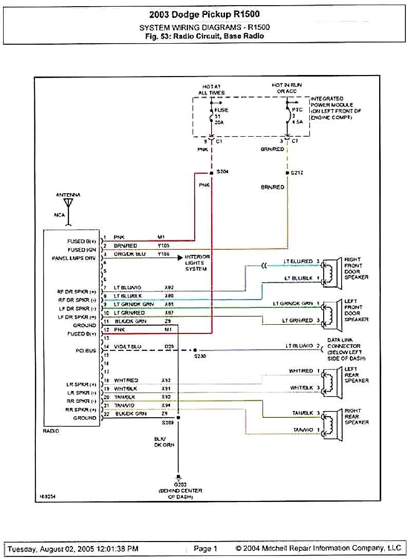
Localisation des connecteurs pour le système audio
Les connecteurs du système audio du Dodge Ram 1500 1997 sont situés principalement derrière le tableau de bord, près de l’unité principale du radio. Il est recommandé de localiser le faisceau de câbles d’origine, qui se trouve sous le tableau de bord, à gauche du conducteur.
Pour accéder à ces connecteurs, retirez le panneau de finition autour du tableau de bord. Une fois le panneau enlevé, vous trouverez le connecteur principal à l’arrière de l’unité radio. Vérifiez les fiches de connecteurs ISO, qui sont standardisées pour les véhicules de cette époque. Ce sont généralement des connecteurs à 12 broches pour l’alimentation et les haut-parleurs.
Les câbles de haut-parleurs sont généralement situés à proximité du boîtier de l’unité radio, avec des fils codés par couleur pour chaque canal audio. Assurez-vous que les connexions sont bien serrées et sans corrosion avant de brancher un nouvel appareil ou une nouvelle radio.
Si vous devez installer un système audio après-vente, un adaptateur pour les connecteurs d’origine peut être nécessaire pour garantir une compatibilité parfaite avec les nouveaux composants.
Connexions pour haut-parleurs et amplificateur

Pour une installation sonore optimale, suivez ces étapes pour connecter les haut-parleurs et l’amplificateur de votre Dodge Ram 1500 de 1997 :
- Connexion des haut-parleurs : Reliez les fils des haut-parleurs aux sorties correspondantes de la radio. Assurez-vous que chaque câble est connecté à son canal correct (gauche/droite) pour éviter les inversions de phase.
- Filtrage des câbles : Utilisez des câbles avec une bonne isolation pour éviter les interférences et préserver la qualité du son. Les câbles avec des connecteurs en plaqué or assurent une meilleure conductivité.
- Connexion de l’amplificateur : Si vous ajoutez un amplificateur, reliez-le aux sorties RCA de la radio. Utilisez des câbles courts pour minimiser la perte de signal. Vérifiez également la puissance de l’amplificateur pour qu’elle soit compatible avec les haut-parleurs.
- Terre de l’amplificateur : Pour éviter les bruits parasites, connectez la borne de terre de l’amplificateur à un point métallique du châssis du véhicule.
Assurez-vous que toutes les connexions sont sécurisées et bien isolées pour éviter tout court-circuit et garantir une expérience sonore optimale.
Analyse du câblage du système de contrôle du volume
Vérifiez d’abord les connexions entre le potentiomètre de volume et l’unité principale. Le câble qui relie le contrôle de volume au système de sonorisation doit être correctement inséré dans les bornes correspondantes. Assurez-vous qu’il n’y a pas de faux contacts ou de câbles endommagés.
Vérification des connexions principales

Le câble de contrôle du volume est généralement connecté à un terminal sur le panneau avant de l’autoradio, souvent marqué « volume » ou « V ». Assurez-vous que le câble est bien fixé et qu’il n’y a pas de corrosion au niveau des connecteurs.
Problèmes courants et solutions
Si le volume ne répond pas comme prévu, il se peut que le câble de contrôle soit défectueux ou mal connecté. Il est conseillé de tester la continuité du câble avec un multimètre pour vérifier qu’il n’y a pas de coupure interne. Si le câble semble intact, il peut être nécessaire de remplacer le potentiomètre de volume lui-même.
Vérification des fils pour les fonctions de réglage du son
Vérifiez les connexions des fils des fonctions de réglage du son avant d’effectuer tout autre ajustement. Les fils responsables du contrôle du volume, de la balance, des graves et des aigus sont généralement regroupés sous des couleurs spécifiques. Assurez-vous qu’ils sont correctement connectés à la prise de la radio.
Voici une table récapitulative des couleurs des fils pour chaque fonction, selon le modèle de 1997 Dodge Ram 1500:
| Fonction | Couleur du fil |
|---|---|
| Volume | Violet |
| Balance | Gris |
| Aigus | Blanc |
| Graves | Noir |
En cas de déconnexion, assurez-vous que les fils sont bien en place et non endommagés. Utilisez des connecteurs appropriés pour assurer un contact stable. Si le son ne répond toujours pas, vérifiez les fusibles liés à l’alimentation de la radio.
Installation et dépannage des connexions électriques

Vérifiez d’abord les fils d’alimentation et les connexions. Si l’autoradio ne s’allume pas, assurez-vous que le fil rouge (alimentation principale) et le fil jaune (alimentation continue) sont correctement connectés à la source d’alimentation du véhicule. Ces fils doivent être reliés à la batterie ou à un autre circuit qui reste sous tension même lorsque le véhicule est éteint.
Vérification des connexions de terre

Inspectez le fil de terre (généralement de couleur noire). S’il est mal connecté ou corrodé, l’autoradio risque de ne pas fonctionner correctement. Nettoyez la zone de connexion et fixez fermement le fil à une partie métallique non peinte du châssis du véhicule.
Résolution des problèmes de son
Si le son est faible ou absent, vérifiez les connexions des haut-parleurs. Les fils des haut-parleurs doivent être bien fixés à l’unité principale et aux bornes des haut-parleurs. Assurez-vous qu’il n’y a pas de court-circuit dans les fils. Si nécessaire, testez les haut-parleurs avec un multimètre pour confirmer leur bon état.