1999 dodge durango radio wiring diagram

1999 dodge durango radio wiring diagram

Pour installer ou réparer le système audio de votre Dodge Durango 1999, il est nécessaire de connaître les connexions exactes du câblage du radio. Chaque fil a une fonction précise, et une mauvaise connexion peut entraîner des dysfonctionnements ou des pannes du système. Le schéma de câblage vous permet de connecter correctement le radio à l’alimentation, aux haut-parleurs et aux autres composants essentiels.

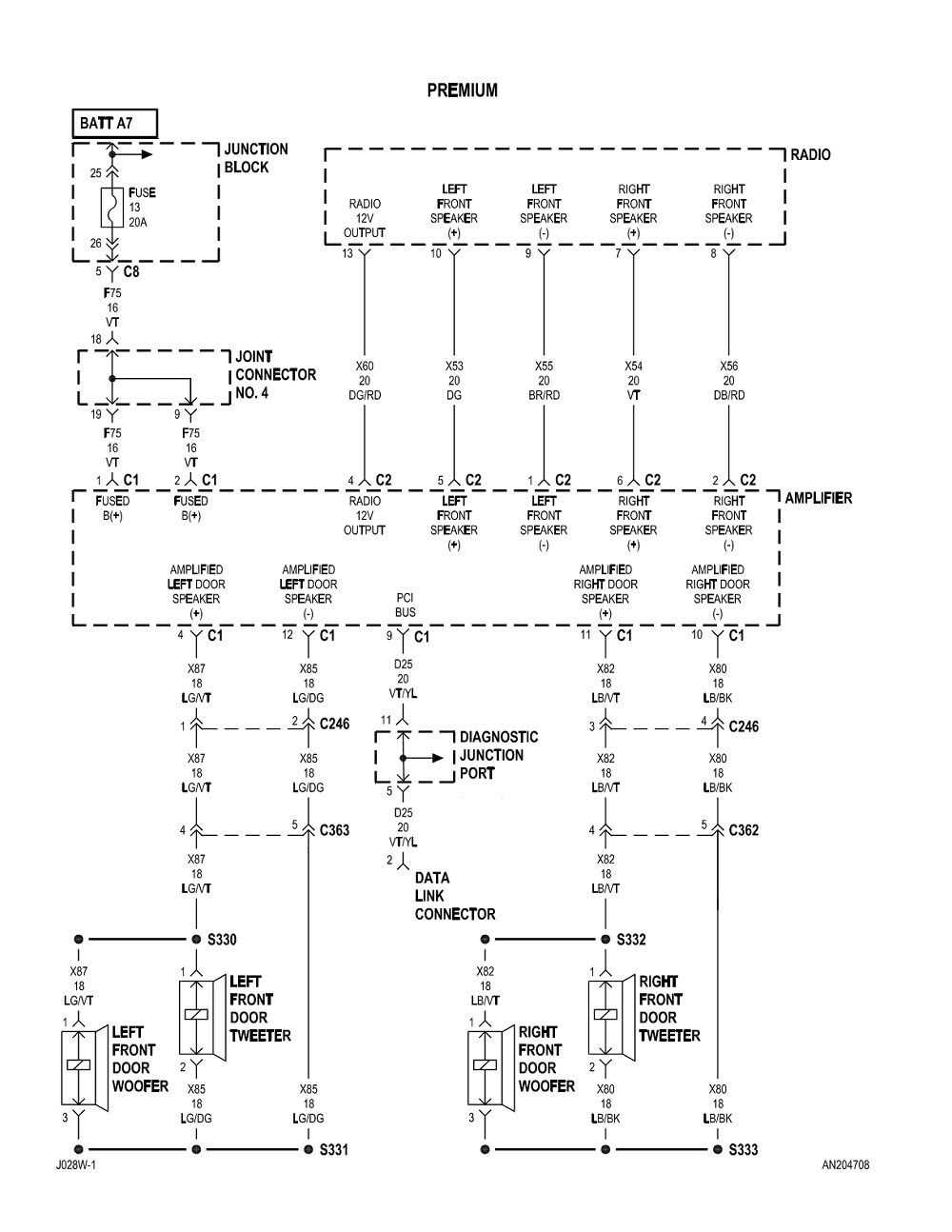
Le schéma de câblage du radio pour un Durango 1999 présente plusieurs fils spécifiques pour l’alimentation, la mise à la masse, et la connexion aux haut-parleurs. Le fil rouge est utilisé pour l’alimentation, le fil noir pour la masse, et les fils colorés comme le vert, le bleu, le gris et le blanc correspondent aux connexions des haut-parleurs. Assurez-vous de vérifier que chaque connexion est sécurisée avant de tester le système.

Astuce: Avant de commencer, débranchez toujours la batterie pour éviter tout court-circuit ou risque de choc électrique. Utilisez un testeur de câbles pour identifier correctement chaque connexion. Si vous avez des doutes sur les couleurs ou l’affectation des fils, consultez un manuel détaillé ou un professionnel qualifié.

En suivant le schéma de câblage approprié, vous garantissez non seulement la fonctionnalité du système audio, mais vous évitez aussi des dommages potentiels à d’autres composants électriques du véhicule. Vérifiez que chaque connexion est propre et stable pour un résultat optimal.

Voici la version révisée :

Pour l’installation de l’autoradio dans un Dodge Durango 1999, connectez d’abord le fil rouge pour l’alimentation principale et le fil jaune pour l’alimentation en veille. Assurez-vous de brancher le fil noir à la terre pour garantir un bon fonctionnement. Pour les haut-parleurs, utilisez les fils blancs et gris pour les avant, et les fils verts et violets pour les arrière. Ces connexions doivent être solides pour éviter toute coupure de son.

1999 dodge durango radio wiring diagram

Vérifiez la compatibilité des prises avec votre autoradio. L’utilisation d’un adaptateur spécifique peut simplifier l’installation. Enfin, fixez les câbles de manière sécurisée pour prévenir tout court-circuit et garantir une expérience sonore optimale.

Schéma de câblage pour radio de Dodge Durango 1999

1999 dodge durango radio wiring diagram

Le câblage de la radio du Dodge Durango 1999 est constitué de plusieurs éléments cruciaux pour assurer une bonne transmission du son et de l’alimentation. Commencez par localiser les fils d’alimentation du récepteur, notamment les fils rouges pour l’alimentation principale et les fils jaunes pour la mémoire, qui maintiennent les paramètres de la radio même lorsque le véhicule est éteint.

Connexions des haut-parleurs et câblage sonore

1999 dodge durango radio wiring diagram

Les fils des haut-parleurs doivent être correctement identifiés et connectés à l’amplificateur de l’auto-radio. Les fils généralement utilisés pour les haut-parleurs sont des fils de couleur différente pour chaque canal, souvent signalés par des couleurs comme le bleu, le vert, le blanc et le gris. Assurez-vous que les fils de chaque côté de la voiture sont correctement connectés pour garantir une qualité sonore optimale.

Localiser les fusibles et leur rôle dans l’alimentation du récepteur

1999 dodge durango radio wiring diagram

Les fusibles jouent un rôle essentiel pour protéger les composants électriques du véhicule. Localisez le fusible de la radio dans le panneau de fusibles de votre Dodge Durango 1999. Si la radio ne s’allume pas, il est possible que le fusible soit grillé. Remplacez-le par un fusible de même intensité pour éviter tout dommage supplémentaire au système électrique.

Si vous rencontrez des problèmes de connexion du récepteur, vérifiez d’abord les câblages. Un fil mal connecté ou une connexion défectueuse peut entraîner une perte de son ou d’alimentation. Utilisez un testeur de courant pour vérifier la continuité de chaque fil et assurez-vous que les connecteurs sont bien fixés.

Pour remplacer le câblage du récepteur, retirez délicatement la radio et examinez les connexions existantes. Utilisez un schéma de câblage adapté au Dodge Durango 1999 pour guider votre installation. Lors de la fixation des nouveaux fils, veillez à isoler correctement les connexions pour éviter les courts-circuits. Réassemblez ensuite le tableau de bord et vérifiez que toutes les fonctionnalités de la radio sont opérationnelles.