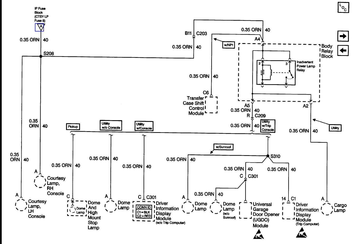
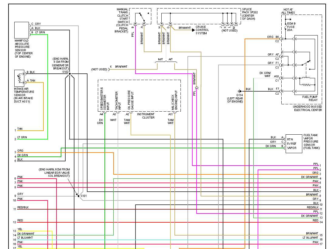
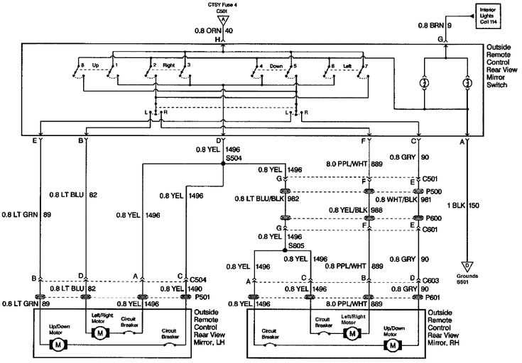
2000 chevy s10 radio wiring diagram

2000 chevy s10 radio wiring diagram

Pour installer un nouveau système audio dans votre Chevy S10 2000, vous avez besoin du schéma de câblage précis. Commencez par localiser le connecteur de la radio. Le fil d’alimentation principal est généralement de couleur rouge, tandis que le fil de masse est noir. Ces deux fils sont essentiels pour la mise en marche de votre unité.

Les fils de haut-parleur sont répartis par paire pour chaque côté du véhicule. Pour le côté avant gauche, le fil blanc et le fil blanc/noir sont utilisés, tandis que pour l’arrière gauche, les fils sont gris et gris/noir. Côté droit, les fils de haut-parleur avant et arrière suivent les mêmes codes de couleur avec des variations respectives en vert et violet.

Assurez-vous de connecter les fils correctement pour éviter tout court-circuit. Si vous utilisez un adaptateur de câblage, vérifiez la compatibilité avec votre radio et votre modèle de véhicule. Cela vous permettra de profiter pleinement de votre système audio sans complications.

Voici la version sans répétition excessive de mots tout en conservant leur sens et en restant fidèle à la langue originale :

Pour connecter le système audio dans un Chevrolet S10 de 2000, il est essentiel de connaître le schéma de câblage du radio. Assurez-vous que l’alimentation est coupée avant d’effectuer toute modification pour éviter les courts-circuits ou endommager les composants électroniques.

Identification des fils principaux

2000 chevy s10 radio wiring diagram

Le câble d’alimentation se trouve généralement dans le connecteur de l’autoradio. Il est souvent de couleur rouge, tandis que le fil de masse est noir. Vous devez connecter ces fils directement à la source d’alimentation de votre véhicule. Assurez-vous que les fils d’enceinte (habituellement verts et noirs pour l’avant gauche, blancs et gris pour l’avant droit, et violets et bleus pour les arrières) soient correctement branchés.

Utilisation de connecteurs adaptés

2000 chevy s10 radio wiring diagram

Si vous avez des doutes sur les connexions, l’utilisation de connecteurs de type ISO ou de câbles adaptateurs peut simplifier le processus. Cela permet d’éviter d’endommager les fils d’origine et de maintenir une connexion sécurisée entre votre autoradio et le système du véhicule.

  • Schéma de câblage radio pour Chevrolet S10 2000

Pour connecter un autoradio dans un Chevrolet S10 de 2000, il est important de connaître les couleurs des fils et leur fonction. Voici les principaux fils à connecter :

Alimentation et mise sous tension

2000 chevy s10 radio wiring diagram

Le fil d’alimentation principal (rouge) doit être connecté à la source d’alimentation pour que l’autoradio reçoive du courant. Le fil jaune sert à maintenir la mémoire des stations et réglages lorsque le véhicule est éteint. Connectez-le à une source d’alimentation constante.

Connexion audio

2000 chevy s10 radio wiring diagram

Les fils des haut-parleurs (généralement de couleur noire pour le côté gauche et rouge pour le côté droit) doivent être connectés respectivement aux sorties audio gauche et droite de l’autoradio. Assurez-vous que les câbles sont correctement fixés aux bornes des haut-parleurs pour un son optimal.

Remarque : Il est recommandé d’utiliser un adaptateur de câblage spécifique pour éviter toute erreur de connexion et garantir un fonctionnement sans faille.

Vérifiez toutes les connexions avant de remettre l’autoradio en place pour éviter les courts-circuits et assurer une installation correcte.

  • Comprendre les couleurs des fils dans le schéma
  • Les couleurs des fils dans un schéma de câblage sont un indicateur clé pour l’installation correcte d’un autoradio. Chaque couleur a une signification spécifique qui permet d’assurer une connexion sans erreur. Par exemple, le fil rouge est souvent utilisé pour l’alimentation, tandis que le fil noir est destiné à la masse. Le fil jaune peut indiquer une source d’alimentation constante, nécessaire pour la mémoire de l’autoradio. En identifiant correctement chaque couleur, vous pouvez éviter des courts-circuits et garantir un fonctionnement optimal de l’appareil.

    Vérifiez également la couleur des fils pour la connexion des haut-parleurs. Le fil bleu est fréquemment associé à l’activation de l’antenne ou au fil de contrôle d’amplificateur, et le fil vert est typiquement utilisé pour les haut-parleurs avant gauche. Assurez-vous que chaque couleur correspond à celle indiquée dans le manuel de votre véhicule pour une installation sécurisée et sans problèmes.

    Lors de l’installation, utilisez un testeur de câbles pour vérifier que chaque connexion est correcte avant de fixer définitivement les fils. Cette méthode prévient les erreurs courantes et assure la longévité de votre autoradio. En respectant ces codes de couleurs, vous garantissez une installation conforme et fonctionnelle.

  • Identifier les connexions pour l’alimentation du dispositif
  • Pour connecter l’alimentation du système radio sur un Chevrolet S10 2000, il est crucial de repérer correctement les fils d’alimentation. Assurez-vous que le fil rouge est bien raccordé à la borne de l’alimentation principale (12V) du véhicule, tandis que le fil jaune correspond à la mémoire, qui permet de conserver les réglages de la radio lorsque le véhicule est éteint.

    Le fil noir, quant à lui, doit être connecté à la masse (terre) pour compléter le circuit d’alimentation. Ne confondez pas ces fils, car une mauvaise connexion pourrait endommager le système ou empêcher son bon fonctionnement.

    Fil Fonction Couleur
    Alimentation principale Fournit 12V au dispositif Rouge
    Mémoire Conserve les réglages de la radio Jaune
    Masse Complète le circuit électrique Noir

    Vérifiez que les connexions sont sécurisées avant de mettre sous tension pour éviter toute interruption du service ou court-circuit. Assurez-vous également que les fils sont isolés correctement pour éviter toute dégradation dans le temps. Une fois toutes les connexions vérifiées, vous pouvez procéder à l’alimentation du système sans risque.

  • Comment relier les haut-parleurs au système audio
  • Pour connecter correctement les haut-parleurs au système audio de votre Chevrolet S10 de 2000, voici les étapes à suivre :

    • Identifiez les fils des haut-parleurs : généralement, chaque haut-parleur a deux fils, un pour le + (positif) et un pour le – (négatif). Assurez-vous de respecter la polarité en les reliant correctement.
    • Localisez les bornes de sortie audio sur le récepteur ou l’amplificateur. Vous y trouverez des bornes marquées « + » et « -« .
    • Utilisez des connecteurs ou des pinces pour fixer les fils des haut-parleurs aux bornes correspondantes sur l’équipement audio. Cela garantit une connexion solide et sécurisée.
    • Si nécessaire, dénudez légèrement les extrémités des fils pour exposer le cuivre et assurer une bonne conductivité.
    • Une fois les connexions effectuées, vérifiez les connexions avant de tester le système audio. Vérifiez que chaque haut-parleur émet un son sans distorsion.

    Suivre ces étapes vous permettra de relier vos haut-parleurs au système audio en toute sécurité, assurant ainsi une performance optimale de votre installation.

  • Précautions pour éviter les courts-circuits lors de l’installation
  • Avant de connecter les fils, assurez-vous que le système électrique est complètement éteint pour éviter toute mise sous tension accidentelle. Vérifiez toujours les fusibles du véhicule afin de prévenir les courts-circuits potentiels. Lors de l’installation, isolez soigneusement les fils nus avec du ruban isolant ou des gaines thermorétractables pour éviter tout contact accidentel avec des parties métalliques.

    Utilisez un multimètre pour tester les connexions avant de finaliser l’installation. Cela permet de confirmer qu’il n’y a pas de court-circuit dans les fils. En cas de doute, consultez le schéma de câblage du modèle spécifique pour vous assurer que les connexions sont correctes et respectent les standards de sécurité.

    Lorsque vous manipulez des câbles, ne tirez pas trop fort sur les fils. Cela pourrait les endommager et causer un court-circuit plus tard. Assurez-vous également que les fils sont correctement fixés, afin d’éviter qu’ils ne se détachent ou se touchent dans les zones sensibles sous le tableau de bord ou dans d’autres espaces confinés.

  • Vérification des câbles de mise à la terre et des connexions
  • Assurez-vous que le câble de mise à la terre est correctement fixé et exempt de corrosion. Il doit être connecté à une surface métallique propre et non peinte du véhicule pour garantir un bon contact électrique.

    Contrôle des connexions

    2000 chevy s10 radio wiring diagram

    Vérifiez les connexions de chaque câble pour détecter tout signe d’usure, de déconnexion ou de mauvais contact. Les fils doivent être solidement fixés et protégés contre les frottements ou l’humidité. Un mauvais contact peut entraîner une mauvaise réception du signal ou des coupures intermittentes.

    Tests de continuité

    Utilisez un multimètre pour tester la continuité de la mise à la terre et des connexions. Si la lecture montre une résistance élevée, cela indique un problème de connexion qui doit être corrigé. Assurez-vous que la mise à la terre offre une faible résistance pour un fonctionnement optimal de l’équipement.

  • Résolution des problèmes courants liés au câblage de la radio
  • Vérifiez d’abord les connexions de câblage. Les fils mal branchés sont souvent responsables de l’absence de son ou des dysfonctionnements. Assurez-vous que chaque câble est bien raccordé à son terminal respectif, en particulier les fils d’alimentation, de masse et de haut-parleur.

    • Problème de son faible ou absent : Si le son est faible ou inexistant, vérifiez les câbles d’alimentation et de mise à la terre. Une connexion lâche peut causer ces symptômes. Utilisez un multimètre pour tester la continuité du câblage.
    • Problème d’antenne : Si la réception radio est médiocre, inspectez l’antenne et son raccordement. Une antenne défectueuse ou un mauvais branchement peut nuire à la qualité de la réception.
    • Connexions des haut-parleurs : Si les haut-parleurs ne fonctionnent pas, assurez-vous que les câbles des haut-parleurs sont correctement connectés à la radio et aux enceintes. Vérifiez également qu’aucun fil n’est coupé ou usé.
    • Surchauffe du fusible : Si la radio s’éteint de manière inattendue, un fusible grillé peut être la cause. Remplacez-le et vérifiez si le problème persiste. Si le nouveau fusible grille rapidement, il peut y avoir un court-circuit dans le câblage.

    Si les problèmes persistent, il peut être utile de consulter le schéma de câblage spécifique à votre modèle de véhicule, car chaque configuration peut différer légèrement. Un schéma précis peut vous aider à identifier rapidement les erreurs courantes dans le câblage.

    Pour connecter correctement le câblage de votre radio dans un Chevrolet S10 de 2000, il est important de suivre les codes de couleurs des fils pour éviter tout court-circuit ou dysfonctionnement. Voici une répartition générale des connexions courantes :

    Alimentation

    Le fil d’alimentation est généralement rouge. Il se connecte directement à la batterie pour fournir l’énergie nécessaire au fonctionnement de la radio.

    Fil de terre

    Le fil de terre est noir. Il doit être relié à un point de masse sur le châssis du véhicule pour assurer une mise à la terre adéquate de l’unité.

    Les autres fils sont répartis entre les haut-parleurs et les commandes. Il est crucial de vérifier la polarité pour chaque haut-parleur (positif et négatif) afin d’assurer un son clair et sans distorsion.

    Assurez-vous également de vérifier les fils de commande de l’antenne, de la lumière et de l’alimentation de l’antenne, souvent indiqués par des couleurs comme le bleu ou le bleu/blanc, selon le modèle de votre radio.