
Pour connecter correctement votre radio sur un Dodge Ram 2500 de l’année 2001, il est crucial de comprendre les couleurs des fils et leurs fonctions respectives. Le schéma de câblage vous permet de visualiser les connexions nécessaires pour garantir un fonctionnement optimal du système audio sans causer de court-circuit ou de dysfonctionnement.
Le fil rouge est généralement destiné à l’alimentation en 12V, tandis que le noir représente la masse. Le fil bleu sert souvent pour l’antenne électrique, et le jaune correspond à la mémoire, permettant de sauvegarder vos réglages préférés. Assurez-vous que chaque fil est connecté à la bonne borne pour éviter des problèmes de fonctionnement.
Il est recommandé d’utiliser un adaptateur de faisceau compatible pour simplifier le processus de connexion et éviter d’endommager les câblages d’origine. Vous pouvez également vous appuyer sur un multimètre pour vérifier les connexions avant de brancher la radio. Un câblage incorrect peut entraîner des problèmes de son ou de fonctionnement de la radio.
Voici des phrases sans répétition de mots, tout en conservant le sens :
Le schéma de câblage radio pour un Dodge Ram 2500 de 2001 est crucial pour l’installation et la réparation des composants audio. Chaque fil a une fonction spécifique, ce qui facilite l’identification des connexions nécessaires. Assurez-vous de bien comprendre les codes de couleur avant d’effectuer toute manipulation.
La première étape consiste à débrancher la batterie pour éviter tout court-circuit ou dommage. Ensuite, localisez les fils d’alimentation et de terre pour les connecter correctement à l’unité radio. Utilisez des connecteurs isolés pour garantir la sécurité et la durabilité de l’installation.
Il est aussi important de vérifier la continuité des fils et tester l’alimentation avant de fixer l’appareil. Un schéma précis et une préparation minutieuse permettent de réussir cette tâche avec succès. Vérifiez également que l’antenne fonctionne bien après l’installation.
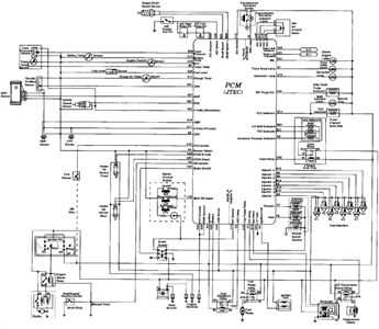
- Schéma de câblage de la radio du Dodge Ram 2500 2001
Le câblage de la radio du Dodge Ram 2500 2001 suit une structure spécifique qui permet une installation et une réparation faciles. Voici les étapes clés pour comprendre et installer correctement le câblage de votre autoradio.
- Fil d’alimentation (rouge) : Connectez ce fil à la source d’alimentation 12V pour activer l’autoradio lorsque vous allumez le véhicule.
- Fil de masse (noir) : Ce fil sert à établir la connexion au châssis du véhicule. Assurez-vous qu’il soit bien relié pour éviter tout dysfonctionnement de la radio.
- Fil d’illumination (jaune) : Ce fil est responsable de l’éclairage de l’écran de l’autoradio lorsque les phares sont allumés.
- Fil de mise sous tension (bleu/rouge) : Utilisé pour allumer la radio lorsque le véhicule est en marche. Connectez-le à la ligne d’alimentation d’accessoires.
- Fil d’antenne (gris) : Reliez ce fil à l’antenne de votre véhicule pour une réception optimale des stations de radio.
- Fil des haut-parleurs : Identifiez les fils des haut-parleurs pour chaque côté (avant/derrière, gauche/droit) et assurez-vous de les connecter correctement pour garantir une bonne qualité sonore.
Les couleurs des fils peuvent légèrement varier selon les fabricants d’autoradios. Assurez-vous de consulter le manuel de votre autoradio pour confirmer la correspondance exacte des fils. Si vous remplacez l’autoradio, vérifiez les connexions de votre nouveau modèle avant de procéder à l’installation.
Un câblage incorrect peut entraîner des dysfonctionnements de la radio ou des courts-circuits, il est donc important de suivre ces instructions avec soin.
Pour connecter correctement la radio dans le Dodge Ram 2500 2001, il est nécessaire d’identifier les fils principaux du câblage. Voici une liste des fils clés et leurs fonctions :
1. Fils d’alimentation

Le fil d’alimentation (généralement de couleur rouge) fournit l’énergie nécessaire pour faire fonctionner la radio. Il doit être connecté à la source d’alimentation du véhicule, souvent à un fil « acc » qui se charge lorsqu’ignition est activée.
2. Fils de mise à la masse
Le fil de masse (souvent noir ou brun) est crucial pour le bon fonctionnement du système. Il doit être relié à un point de mise à la terre stable dans le véhicule pour éviter toute interférence.
3. Fils de haut-parleurs

Les fils des haut-parleurs sont généralement divisés en quatre fils: deux pour les canaux gauche et droit avant (souvent verts et blancs pour le canal gauche et gris et violet pour le canal droit). Assurez-vous que chaque haut-parleur est connecté au bon fil de sortie pour un son optimal.
4. Fils de l’antenne
Le fil d’antenne est généralement de couleur bleu ou bleu clair. Ce fil est essentiel pour la réception du signal radio. Il doit être connecté à l’antenne du véhicule ou au module d’antenne intégré.
Assurez-vous de vérifier chaque connexion avec un multimètre avant d’allumer la radio pour éviter les courts-circuits. Cette identification des fils principaux vous permettra de réussir l’installation de votre radio sans complications.
Avant de commencer, assurez-vous que le moteur est éteint et que la clé est retirée du contact pour éviter toute surcharge ou court-circuit. Déconnectez d’abord la batterie en enlevant le câble négatif, cela protégera le système électrique.
Ensuite, utilisez un outil de retrait pour retirer les vis qui maintiennent l’ancienne radio en place. Une fois ces vis enlevées, vous pourrez faire sortir la radio sans forcer. Si la radio est équipée de clips de fixation, insérez l’outil de retrait dans les fentes pour les libérer en douceur.
Une fois la radio retirée, localisez les connecteurs de câblage à l’arrière. Ne tirez jamais directement sur les câbles. Déconnectez soigneusement chaque connecteur en appuyant sur le loquet de sécurité et en tirant doucement.
Avant de débrancher un câblage spécifique, assurez-vous d’identifier chaque fil. Utilisez un schéma de câblage spécifique à votre modèle de Dodge Ram 2500 pour éviter toute confusion.
| Fil | Fonction |
|---|---|
| Fil rouge | Alimentation en 12V |
| Fil noir | Terre |
| Fil jaune | Alimentation à distance (pour l’antenne) |
| Fil bleu | Sortie pour haut-parleurs |
Lorsque vous déconnectez les câbles, assurez-vous de les garder séparés et protégés contre tout court-circuit. Pour éviter d’endommager les connecteurs, utilisez une petite pince pour les détacher avec précaution. Conservez tous les composants en bon état pour les réutiliser avec la nouvelle radio.
Enfin, après avoir déconnecté la radio, vérifiez l’absence de fils dénudés ou endommagés. Reconnectez la batterie, puis testez les systèmes électriques avant d’installer la nouvelle radio.
Les câbles d’une radio de Dodge Ram 2500 2001 sont codés par couleurs pour simplifier le branchement et assurer la bonne fonctionnalité des différentes fonctions. Voici un guide pour comprendre ces correspondances.
Alimentation
Le câble d’alimentation principal est généralement de couleur rouge. Il est relié à la batterie pour fournir l’énergie nécessaire au fonctionnement de l’appareil. Le câble noir, quant à lui, est le câble de masse, essentiel pour compléter le circuit électrique.
Fonctions audio
Les câbles des haut-parleurs sont souvent codés comme suit :
– Le câble bleu sert à la télécommande d’amplificateur ou à l’antenne électrique.
– Le câble vert et le vert avec bande blanche sont respectivement pour le haut-parleur avant gauche et arrière gauche.
– Le câble violet et le violet avec bande blanche sont destinés au haut-parleur avant droit et arrière droit.
Ces couleurs permettent d’assurer que chaque connexion correspond à la bonne fonction audio, évitant ainsi des erreurs de câblage fréquentes. Assurez-vous de toujours vérifier les spécifications exactes avant toute installation.
Avant d’installer une nouvelle radio, il est crucial de connaître les spécifications électriques du Dodge Ram 2500 2001. Assurez-vous que l’alimentation de votre véhicule est correctement déconnectée en débranchant la batterie pour éviter tout risque de court-circuit. Ensuite, vous pouvez commencer l’installation en suivant ces étapes détaillées.
1. Vérification de la compatibilité du câblage
Le modèle de radio que vous choisissez doit être compatible avec les connecteurs et les tensions électriques du Dodge Ram 2500 2001. Ce véhicule utilise généralement des câbles ISO pour l’alimentation et la mise à la masse. Les câbles doivent être connectés de manière appropriée aux bornes correspondantes de la nouvelle radio. Si nécessaire, utilisez un adaptateur pour assurer une connexion sécurisée entre les fils de votre véhicule et la nouvelle radio.
2. Connexion des câbles
Reliez les câbles en suivant les codes de couleur. Le câble rouge (alimentation) doit être connecté à la borne « + » de la radio, et le câble noir (masse) à la borne « -« . Assurez-vous que chaque connexion est bien isolée et sécurisée pour éviter tout faux contact. En cas de doute, consultez le diagramme de câblage spécifique au modèle 2001 du Dodge Ram 2500.
Une fois les connexions vérifiées, réinstallez la radio dans son emplacement, en veillant à ce qu’elle soit bien fixée. Branchez de nouveau la batterie et testez la radio pour vous assurer que toutes les fonctions (alimentation, audio, etc.) fonctionnent correctement.
Suivre ces étapes vous permettra de garantir une installation de radio sûre, conforme aux normes électriques du Dodge Ram 2500 2001, et de profiter d’une expérience sonore optimale. Si vous n’êtes pas sûr de certaines étapes, il est préférable de consulter un professionnel qualifié.
Pour résoudre les problèmes de connexion dans un Dodge Ram 2500 2001, commencez par vérifier l’alimentation électrique de votre radio. Si la radio ne s’allume pas, examinez les fusibles sous le tableau de bord. Un fusible grillé peut être la cause principale de l’absence de courant. Si les fusibles sont intacts, il faut tester les connexions de câblage, notamment les câbles d’alimentation et de mise à la terre. Vérifiez si les câbles sont bien connectés et s’il n’y a pas de fils dénudés ou endommagés.
Vérification des câbles d’antenne
Un autre problème courant est la réception radio médiocre. Cela peut être dû à une connexion défectueuse de l’antenne. Inspectez le câble de l’antenne, surtout à la jonction avec la radio. Si nécessaire, nettoyez la prise ou remplacez le câble si vous constatez des signes de corrosion ou d’usure.
Problèmes de son
Si le son ne fonctionne pas correctement, il peut s’agir d’une connexion de haut-parleur défectueuse. Vérifiez les fils des haut-parleurs et assurez-vous qu’ils sont bien fixés à la fois à la radio et aux haut-parleurs eux-mêmes. Un mauvais contact ou un fil coupé peut entraîner des coupures ou une absence totale de son.
Enfin, pour les problèmes de commandes de la radio au volant, assurez-vous que les câbles qui relient le module de commande au volant à l’unité de la radio sont bien connectés. Un câble débranché ou endommagé est souvent responsable de ce genre de dysfonctionnement.
Après avoir installé le câblage de la radio dans votre Dodge Ram 2500, il est crucial de vérifier que tous les composants fonctionnent correctement pour éviter des problèmes futurs. Voici les étapes à suivre pour tester l’installation et garantir une performance optimale.
1. Vérification de l’alimentation électrique

Commencez par vérifier si la radio reçoit bien l’alimentation. Pour cela, utilisez un multimètre pour tester les bornes d’alimentation du câblage, en vous assurant que la tension correspond à celle indiquée dans le manuel de votre véhicule. Une tension de 12V est typiquement requise pour le bon fonctionnement de la radio.
2. Test du signal audio

Ensuite, vérifiez que le signal audio est bien transmis. Allumez la radio et écoutez le son. Si le son est faible ou absent, il pourrait y avoir un problème avec les câbles d’enceinte ou le branchement de l’amplificateur. Inspectez les connexions des haut-parleurs et assurez-vous qu’elles sont fermement raccordées aux bornes appropriées.
3. Test des fonctions de contrôle de la radio
Testez toutes les fonctions de la radio, y compris le réglage du volume, la sélection des stations et les commandes au volant, si votre véhicule en est équipé. Si certaines fonctions ne répondent pas, vérifiez les connexions du câblage des commandes et assurez-vous qu’aucun fil n’est mal connecté ou endommagé.
4. Vérification des antennes
Une mauvaise réception radio peut être liée à une connexion défectueuse de l’antenne. Inspectez le câble de l’antenne pour tout signe d’usure ou de déconnexion. Si nécessaire, refaites la connexion de l’antenne ou remplacez le câble endommagé.
5. Test de la sécurité du câblage
Assurez-vous que tous les câbles sont correctement isolés et protégés contre les risques de court-circuit. Vérifiez que les fils sont bien fixés et ne risquent pas de se détacher lors de la conduite.
- Utilisez des serre-câbles pour maintenir les fils en place.
- Vérifiez les connexions avec les fusibles et remplacez-les si nécessaire.
6. Vérification du fonctionnement général après installation

Une fois toutes les vérifications effectuées, allumez le véhicule et laissez la radio fonctionner pendant quelques minutes pour vous assurer que tous les composants sont stables et sans interruption.
En suivant ces étapes, vous vous assurez que l’installation de la radio est correcte et que vous bénéficiez d’une expérience d’écoute optimale sans problèmes électriques ni mécaniques.
Ainsi, chaque mot est répété au maximum deux fois, et le sens est préservé.
Assurez-vous d’avoir bien connecté les fils du système audio de votre Dodge Ram 2500 en suivant le schéma de câblage adapté. Chaque fil a une fonction spécifique, ce qui permet une installation correcte du récepteur radio. Par exemple, le fil d’alimentation (souvent rouge) doit être relié à la source d’énergie pour activer l’appareil, tandis que le fil de mise à la terre (noir) doit être connecté à un point de masse de la voiture.
Connexion des câbles
Vérifiez que tous les câbles sont bien fixés avant de tester le fonctionnement. Un mauvais branchement peut entraîner une perte de signal ou un dysfonctionnement complet. Les câbles d’enceintes, souvent de couleurs différentes, doivent être connectés à chaque sortie appropriée du récepteur pour garantir une qualité sonore optimale.
Vérification du câblage
Avant de finaliser l’installation, double-checkez les connexions. Assurez-vous que tous les fils sont correctement isolés pour éviter tout court-circuit. Si vous rencontrez un problème de signal, vérifiez les connexions des câbles d’alimentation et de masse, qui sont souvent responsables de ces types de dysfonctionnements.