
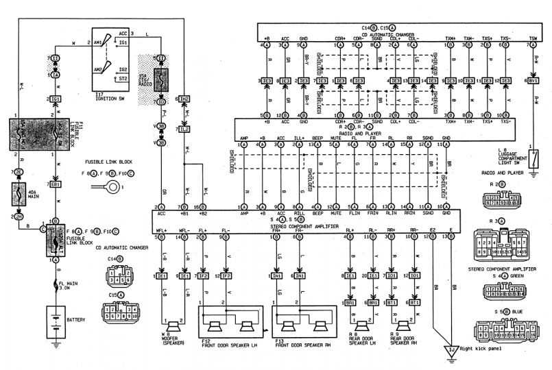
Si vous cherchez à connecter ou à remplacer la radio de votre Toyota Sequoia 2002, comprendre le schéma de câblage est essentiel. Ce guide vous fournit un aperçu détaillé des connexions nécessaires pour une installation ou réparation réussie du système audio de votre véhicule.
Le schéma de câblage de la radio de la Sequoia 2002 se compose de plusieurs fils de connexion, chacun ayant une fonction précise. Vous trouverez généralement des fils pour l’alimentation, la mise à la masse, l’antenne, ainsi que pour les haut-parleurs. Il est crucial de suivre ces connexions pour éviter toute interférence ou dysfonctionnement du système audio.
Alimentation et mise à la masse : Assurez-vous que les fils d’alimentation et de mise à la masse sont correctement connectés pour garantir un fonctionnement stable de votre radio. Une mauvaise connexion peut entraîner des coupures d’alimentation ou des dysfonctionnements de l’appareil.
Haut-parleurs : Les fils pour les haut-parleurs doivent être connectés aux bons canaux (avant, arrière, gauche, droite) pour obtenir un son clair et équilibré. Une erreur de câblage peut causer une perte de son ou une distorsion.
Il est recommandé d’utiliser un testeur de continuité pour vérifier chaque connexion avant d’allumer votre radio. Cela vous permettra de vous assurer que tout fonctionne comme prévu.
Voici une version sans répétitions excessives de mots, tout en préservant le sens et la clarté :
Pour connecter le système audio dans un Toyota Sequoia 2002, il est essentiel de bien comprendre le schéma de câblage. Le schéma de câblage du radio se divise en plusieurs sections qui incluent l’alimentation, les haut-parleurs, et les signaux de contrôle.
Connexions d’alimentation
- Le fil d’alimentation principal (rouge) doit être relié à une source d’énergie stable, généralement la batterie du véhicule.
- Le fil d’ignition (jaune) est nécessaire pour activer le système lorsque le véhicule est en marche.
- Le fil de masse (noir) assure la connexion à la terre du véhicule.
Connexions des haut-parleurs
- Les fils des haut-parleurs avant gauche et droit sont généralement de couleur blanche et grise.
- Les fils des haut-parleurs arrière gauche et droit se distinguent par les couleurs violette et verte.
Il est recommandé de vérifier chaque connexion avant d’installer le système. Utilisez un testeur de continuité pour confirmer que chaque fil est correctement connecté à la source correspondante.
Pour une installation sans difficulté, assurez-vous que tous les composants sont compatibles avec votre modèle de radio et respectent les spécifications du fabricant.
- Schéma de câblage de la radio Toyota Sequoia 2002
Le câblage de la radio dans une Toyota Sequoia 2002 est relativement simple à comprendre. Voici les connexions principales à repérer dans le schéma :
- Fil d’alimentation principal : Ce fil, généralement rouge, se connecte à la source d’alimentation du véhicule, fournissant l’énergie nécessaire à la radio.
- Fil de masse : Le fil de masse, souvent noir, est essentiel pour la sécurité et la performance de la radio. Il doit être connecté à une surface métallique du véhicule.
- Fil d’antenne : Le câble d’antenne, souvent un connecteur spécifique, doit être raccordé pour garantir une réception radio optimale.
- Fil des haut-parleurs : Identifiez les fils de chaque haut-parleur (avant, arrière, gauche, droite) pour les connecter correctement à la radio.
- Fil de contrôle de l’allumage : Ce fil est généralement jaune ou bleu. Il permet à la radio de s’allumer lorsque le véhicule est en marche.
Pour garantir une installation correcte, utilisez un multimètre pour tester les fils avant de procéder aux connexions. Vérifiez que chaque connexion est sécurisée et que les fils sont isolés correctement pour éviter les courts-circuits.
Si des problèmes surviennent après l’installation, consultez le manuel d’entretien de la Sequoia 2002 ou faites appel à un technicien qualifié pour résoudre les éventuels dysfonctionnements.
Commencez par repérer les fils d’alimentation de la radio. Ces câbles assurent la connexion entre la radio et la batterie du véhicule, permettant son fonctionnement. Les fils d’alimentation sont généralement de couleur rouge pour l’alimentation constante et jaune pour l’alimentation avec clé de contact.
Les fils de haut-parleur
Les fils de haut-parleur sont responsables de la transmission du son aux enceintes. Chaque haut-parleur possède deux fils, un pour l’alimentation positive (souvent de couleur noire ou rouge) et un pour le négatif (souvent blanc ou bleu). Assurez-vous de bien repérer chaque paire de fils pour chaque haut-parleur afin de garantir un son optimal.
Le fil de mise à la terre
Le fil de mise à la terre, souvent de couleur noire, est crucial pour le bon fonctionnement de la radio. Il doit être connecté à une partie métallique du véhicule pour permettre un retour de courant sans interruption.
Ne négligez pas le câble d’antenne, qui permet à la radio de capter les signaux radio. Ce câble est généralement de type coaxial et se branche directement à l’arrière de l’appareil.
Enfin, vérifiez les autres connexions, comme celles pour les commandes au volant ou les sorties audio, si présentes. Ces câbles sont souvent de couleurs spécifiques et doivent être connectés correctement pour que toutes les fonctionnalités de la radio fonctionnent correctement.
Pour bien comprendre le schéma de câblage de la radio d’une Toyota Sequoia 2002, identifiez d’abord les couleurs des fils et leurs fonctions spécifiques. Chaque fil correspond à un composant particulier, comme l’alimentation, le son ou le contrôle. Par exemple, le fil rouge est généralement l’alimentation principale, tandis que le noir représente la terre.
Examinez les connexions de chaque fil : les fils d’alimentation sont souvent connectés à des fusibles pour éviter des surtensions. Les fils de haut-parleur sont souvent codés par couleur, chaque couleur représentant un canal spécifique (gauche ou droit, avant ou arrière). Vérifiez également la présence de fils pour la gestion de l’antenne ou les connexions aux commandes au volant si elles sont présentes.
Les schémas incluent souvent des symboles pour illustrer les connexions entre les composants. Familiarisez-vous avec ces symboles pour mieux comprendre les liaisons électriques. Les schémas de câblage peuvent aussi indiquer les broches spécifiques du connecteur, avec des numéros ou des lettres pour faciliter l’identification des fils sur le connecteur de la radio.
Assurez-vous de consulter le manuel de la voiture ou des ressources supplémentaires pour vérifier les valeurs exactes des résistances ou des ampérages si nécessaire. Cela vous permettra d’éviter d’endommager des composants en cas de modification du câblage ou d’installation de nouveaux équipements.
Les connexions des fils d’alimentation et de masse dans un Toyota Sequoia 2002 sont cruciales pour assurer le bon fonctionnement de l’autoradio. Assurez-vous de bien identifier les fils avant de procéder à l’installation ou à la réparation. Les fils d’alimentation et de masse doivent être correctement connectés pour éviter des dysfonctionnements électriques.
Fils d’alimentation

Le fil d’alimentation est généralement de couleur rouge. Il fournit l’énergie nécessaire pour que l’autoradio fonctionne. Ce fil doit être connecté à la borne « ACC » de votre faisceau de câblage. Lors de la connexion, vérifiez qu’il est solidement fixé pour éviter toute coupure de courant.
Fils de masse
Le fil de masse est souvent de couleur noire. Il sert à assurer une bonne mise à la terre de l’autoradio. Connectez ce fil à une partie métallique du châssis du véhicule, de préférence un endroit non peint. Une connexion de masse défectueuse peut entraîner des bruits parasites ou un mauvais fonctionnement de l’équipement.
| Couleur du fil | Fonction | Emplacement de connexion |
|---|---|---|
| Rouge | Alimentation | Borne « ACC » du faisceau |
| Noir | Masse | Partie métallique du châssis |
Lors de l’installation, assurez-vous que les fils ne sont pas sous tension avant de les connecter, en utilisant un multimètre pour vérifier les connexions. De plus, pour éviter tout court-circuit, il est recommandé d’isoler les fils après la connexion. Vérifiez enfin que les fils ne sont pas endommagés et qu’ils sont bien fixés.
Pour connecter les fils des haut-parleurs dans la Toyota Sequoia 2002, commencez par identifier les câbles provenant de l’autoradio. Chaque fil correspond à un canal sonore : avant gauche, avant droit, arrière gauche et arrière droit. Vous trouverez un code de couleurs standard pour chaque canal. Par exemple, le fil rouge ou bleu est généralement celui de l’avant droit, tandis que le fil vert ou violet correspond à l’arrière gauche.
Connexion des câbles aux haut-parleurs

Reliez chaque fil de l’autoradio au bon haut-parleur en respectant les couleurs. Veillez à bien isoler chaque connexion pour éviter les courts-circuits. Vous pouvez utiliser des connecteurs rapides ou des pinces à dénuder pour assurer une bonne connexion. Une fois les câbles correctement branchés, testez le son de chaque haut-parleur pour vérifier la qualité de la connexion.
Conseils supplémentaires
Assurez-vous que les fils ne sont pas en contact avec des parties métalliques de la voiture pour éviter tout risque de court-circuit. Utilisez des attaches pour maintenir les câbles en place et éviter qu’ils ne s’emmêlent ou ne se détériorent. Si vous avez des doutes sur le bon branchement, il est conseillé de consulter le schéma de câblage fourni avec l’autoradio ou dans le manuel du véhicule.
Les problèmes de câblage de la radio dans une Toyota Sequoia 2002 peuvent être frustrants, mais ils sont souvent simples à résoudre avec un peu de patience et les bonnes instructions. Voici les principales difficultés rencontrées et leurs solutions.
1. Problème de son faible ou inexistant
Si le son de la radio est faible ou absent, vérifiez d’abord les connexions des câbles d’alimentation et des haut-parleurs. Assurez-vous que les câbles sont bien fixés aux bornes appropriées. Si nécessaire, rebranchez les fils de l’antenne ou remplacez le fusible de la radio si celui-ci est grillé.
2. Câble de mise à la masse défectueux
Un mauvais contact au niveau de la mise à la masse peut entraîner des coupures de son ou une mauvaise qualité audio. Vérifiez que le câble de masse est correctement raccordé à la carrosserie du véhicule. Si le câble est corrodé, remplacez-le immédiatement pour éviter d’autres défaillances.
3. Interférences électromagnétiques
Les interférences peuvent perturber la réception de la radio. Cela se produit souvent lorsque des câbles sont trop proches de sources d’électricité puissantes, comme les moteurs ou les alternateurs. Pour résoudre ce problème, éloignez les câbles d’alimentation et de signal de ces sources ou ajoutez un filtre anti-interférences.
4. Connexions des haut-parleurs défectueuses
Les fils des haut-parleurs peuvent se détacher ou se détériorer avec le temps. Inspectez chaque connexion pour vous assurer qu’aucune n’est desserrée. Si vous constatez un fil endommagé, remplacez-le par un nouveau de même calibre pour maintenir une bonne qualité sonore.
5. Problème avec le câblage de l’antenne
Si la radio capte mal ou pas du tout, il est possible que le câblage de l’antenne soit endommagé. Inspectez l’antenne et ses câbles pour repérer toute coupure ou corrosion. Nettoyez les connexions ou remplacez l’antenne si nécessaire pour améliorer la réception.
- Vérifiez les câbles d’alimentation et des haut-parleurs.
- Contrôlez la mise à la masse pour éviter les coupures de son.
- Évitez les interférences en éloignant les câbles des sources de fortes puissances.
- Remplacez les câbles endommagés pour garantir une bonne qualité sonore.
- Assurez-vous que l’antenne est en bon état pour une réception optimale.
Avant de commencer l’installation d’un nouveau système audio, vérifiez la compatibilité des composants avec votre Toyota Sequoia de 2002. Assurez-vous que les dimensions de l’unité principale correspondent à l’espace disponible dans le tableau de bord.
Préparez les outils nécessaires : Vous aurez besoin d’un tournevis, d’un kit de câblage, d’un adaptateur pour antenne si nécessaire, et de connecteurs spécifiques pour le système de votre véhicule.
Débranchez la batterie : Pour éviter tout court-circuit ou dommage électrique, retirez la borne négative de la batterie avant de commencer l’installation.
Retirer l’ancien système : Dévissez les vis fixant l’autoradio actuel et retirez-le avec précaution. Si des câbles sont connectés, notez leur emplacement ou prenez une photo avant de les débrancher.
Connectez le nouveau système : Utilisez un adaptateur de câblage pour relier le nouveau système aux connecteurs d’origine de la voiture. Vérifiez soigneusement chaque connexion pour éviter tout dysfonctionnement. Assurez-vous que les câbles des haut-parleurs sont bien connectés à l’unité principale.
Installez l’unité principale : Une fois toutes les connexions effectuées, placez l’unité dans le tableau de bord. Fixez-la solidement avec les vis appropriées.
Testez le système : Avant de tout refermer, rebranchez la batterie et allumez le véhicule. Vérifiez que tous les boutons fonctionnent correctement, que le son est clair et que la connexion Bluetooth ou les autres fonctionnalités sans fil sont bien activées.
Pour garantir une bonne installation, consultez le manuel d’installation du système audio et tenez compte des spécifications du fabricant. Si vous rencontrez des difficultés, il est souvent plus rapide de consulter un professionnel que de tenter des réparations hasardeuses.
Répartition des fils du système radio Toyota Sequoia 2002
Le schéma de câblage du système radio pour la Toyota Sequoia 2002 peut varier en fonction des options installées dans le véhicule. Pour une installation correcte, il est essentiel de connaître la disposition des fils et leurs fonctions. Voici les principales connexions à vérifier :
Alimentation

Le fil rouge est responsable de l’alimentation principale du poste. Il est essentiel pour démarrer le système lorsque vous allumez le véhicule. Le fil jaune sert à maintenir la mémoire du poste, même lorsque le moteur est éteint.
Connexion aux haut-parleurs

Les fils des haut-parleurs sont répartis en plusieurs couleurs : le fil gris et gris/noir pour les haut-parleurs avant, le fil bleu et bleu/noir pour les arrière. Chaque fil est associé à un côté spécifique du véhicule, donc assurez-vous que les connexions correspondent aux positions des haut-parleurs.
En cas de doute, utilisez un multimètre pour tester la continuité des fils et assurer une bonne connexion. Chaque véhicule peut comporter des variations, donc vérifiez toujours le manuel spécifique pour le modèle de votre Sequoia.