
Pour connecter correctement votre système audio dans un Ford F150 de 2003, commencez par repérer les fils correspondant à chaque fonction de votre autoradio. Vous devrez identifier les fils d’alimentation, de mise à la terre et les connexions pour les haut-parleurs.
Alimentation : Le fil rouge sert à l’alimentation générale de l’unité. Ce câble doit être relié à un circuit sous tension, généralement celui de l’allumage, pour activer le système lors de l’ouverture du véhicule.
Mise à la terre : Le fil noir est dédié à la mise à la terre. Il doit être connecté à une surface métallique du véhicule pour assurer un bon fonctionnement du système sans interférences.
Haut-parleurs : Les fils pour les haut-parleurs sont de différentes couleurs et doivent être reliés aux bornes correspondantes sur l’autoradio. Assurez-vous que chaque câble est correctement branché pour éviter tout court-circuit ou dysfonctionnement sonore.
Antennes : Le câble d’antenne se connecte généralement à une prise spécifique sur le radio. Ce câble est essentiel pour capter les signaux radio et doit être correctement inséré pour garantir la réception.
Il est essentiel de vérifier les connexions avec un multimètre avant d’allumer l’autoradio pour éviter tout dommage aux composants. Suivre ces étapes de câblage vous permettra d’installer un système audio fonctionnel et sûr.
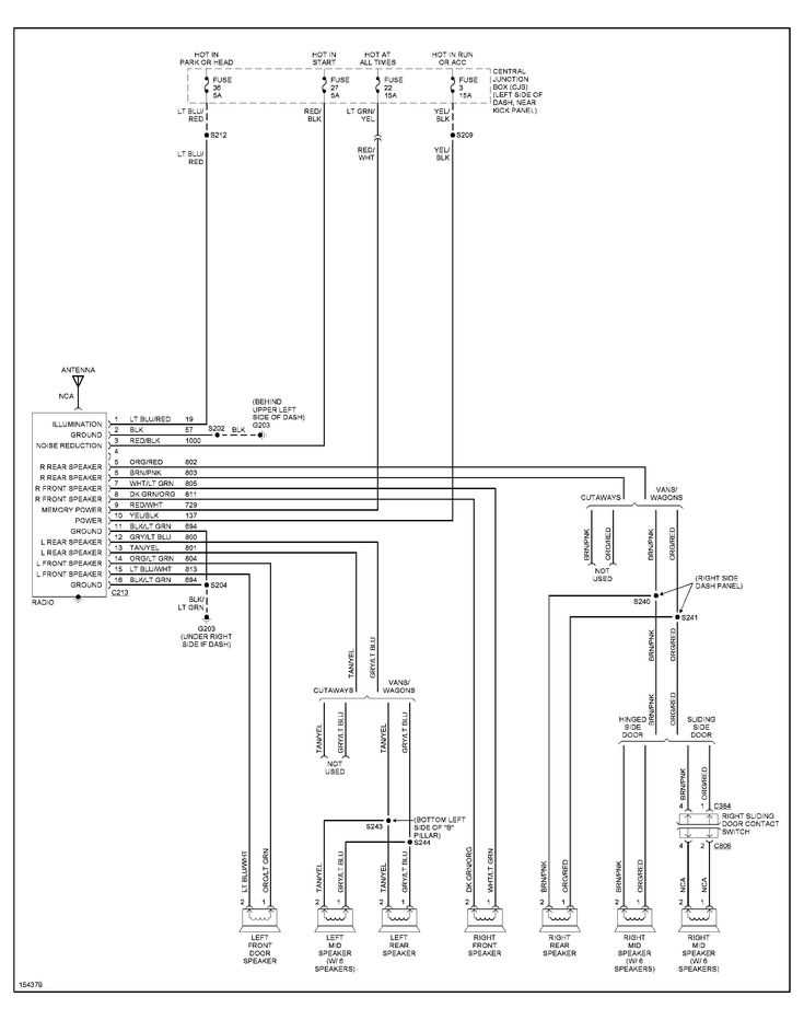
Schéma de câblage radio Ford F150 2003
Pour connecter correctement votre autoradio sur le Ford F150 2003, commencez par identifier les fils principaux du câblage. Voici un guide détaillé des connexions essentielles :
Couleurs des fils
Le fil d’alimentation principal est généralement rouge, tandis que le fil de masse est souvent noir. Le fil d’allumage, qui permet d’activer l’autoradio lorsque le contact est allumé, est jaune. Les fils pour les haut-parleurs arrière sont souvent bleu et gris, et ceux pour les haut-parleurs avant sont généralement blancs et verts.
Connexions supplémentaires
Il est aussi possible de trouver un fil d’illumination, souvent orange, pour ajuster la luminosité de l’écran lorsque les phares sont allumés. Vérifiez aussi la connexion d’antenne qui est souvent de type mâle, permettant la réception radio.
Avant de procéder à l’installation, assurez-vous que tous les fils sont bien isolés et connectés correctement pour éviter tout court-circuit. Pour une installation optimale, consultez un schéma détaillé ou demandez conseil à un professionnel si nécessaire.
Localisation des câbles de l’autoradio
Identifiez d’abord le faisceau principal d’alimentation, souvent situé derrière l’unité centrale. Cela comprend le câble rouge pour l’alimentation et le câble noir pour la masse. Ces fils sont généralement épais et faciles à repérer.
Ensuite, recherchez les câbles de haut-parleur. Ce sont souvent des fils plus fins, souvent regroupés par couleur pour chaque canal audio : avant gauche, avant droit, arrière gauche, et arrière droit. Il est important de vérifier la polarité des câbles pour éviter une mauvaise qualité sonore.
Les câbles pour l’antenne et l’illumination sont également présents. Le câble d’antenne est généralement un fil métallique plus épais, souvent de couleur bleu ou bleu clair. Le fil d’illumination est souvent de couleur jaune ou orange et est utilisé pour l’éclairage de l’unité autoradio lorsqu’il fait sombre.
Vérifiez les connexions avec soin, surtout si l’autoradio a été modifié auparavant. Utilisez un testeur de câbles pour vous assurer que chaque connexion correspond correctement au fil de l’unité principale.
- Alimentation : câble rouge pour +12V, câble noir pour la masse.
- Haut-parleur : fils plus fins, souvent colorés (gauche/droit, avant/arrière).
- Antenne : câble métallique épais, bleu ou bleu clair.
- Illumination : câble orange ou jaune pour l’éclairage.
Identification des fils d’alimentation
Pour identifier les fils d’alimentation de votre autoradio, commencez par localiser les fils principaux : le fil rouge, qui est généralement celui du +12V, et le fil noir, qui est la masse. Le fil jaune, souvent connecté à une source constante de 12V, maintient les paramètres de mémoire de l’autoradio. Assurez-vous de vérifier la tension de chaque fil à l’aide d’un multimètre avant de faire toute connexion.
Le fil bleu est souvent destiné à l’antenne ou au télécommande de l’amplificateur. Le fil orange, quant à lui, est utilisé pour l’éclairage de l’unité centrale. Si votre véhicule dispose d’un système de mise sous tension à distance, il est probable qu’un fil violet ou violet/ligne grise soit présent pour gérer cette fonction. Examinez soigneusement le faisceau pour vous assurer que chaque connexion est correcte et sécurisée.
Connexion des haut-parleurs

Pour connecter correctement les haut-parleurs à votre système audio dans le Ford F150 2003, commencez par identifier les fils d’entrée pour les haut-parleurs à l’arrière de l’autoradio. Utilisez un multimètre pour confirmer les câblages positifs et négatifs avant de procéder. Les fils de haut-parleurs sont généralement codés par couleur : le fil rouge ou blanc est souvent le positif, tandis que le noir ou bleu est le négatif.
Lorsque vous connectez les haut-parleurs, veillez à bien isoler chaque connexion pour éviter tout court-circuit. Utilisez des connecteurs à clip ou des connecteurs à vis pour assurer une connexion stable. Assurez-vous également que les fils ne sont pas torsadés ni exposés, car cela pourrait affecter la qualité du son ou provoquer des interférences.
Une fois les connexions effectuées, vérifiez les réglages de l’autoradio pour ajuster les niveaux de sortie et assurez-vous que chaque haut-parleur fonctionne correctement. Si des coupures de son sont constatées, revérifiez les connexions et l’intégrité des câbles.
Branchement de l’antenne et du signal
Pour un branchement réussi de l’antenne, il est nécessaire de suivre ces étapes précises :
- Localisez le connecteur d’antenne dans le tableau de bord, près du récepteur radio.
- Branchez l’antenne à ce connecteur, en veillant à ce que la connexion soit ferme et sécurisée.
- Vérifiez que le câble de l’antenne n’est ni endommagé ni tordu avant de procéder à la connexion.
Branchement du signal radio

Le signal est crucial pour la réception de la radio. Suivez ces étapes pour un bon branchement :
- Identifiez le câble d’entrée de signal, qui est généralement un connecteur de type « ISO » ou « DIN ».
- Connectez-le correctement à l’arrière de l’unité principale, en vérifiant que les broches sont bien alignées.
- Assurez-vous que les fils du signal sont installés de manière ordonnée pour éviter toute interférence.
Test et vérification
Après avoir effectué les branchements, il est nécessaire de tester la réception :
- Allumez le véhicule et la radio pour vérifier si le signal est stable et clair.
- Si la réception est faible, vérifiez les connexions de l’antenne et du signal, et ajustez-les si nécessaire.
Tests de fonctionnement de l’installation
Vérifiez que tous les câbles sont correctement connectés aux bornes correspondantes. Les fils de l’alimentation et du haut-parleur doivent être bien fixés et exempts de corrosion. Testez le circuit de l’alimentation pour vérifier que l’alimentation du poste fonctionne en mesurant la tension aux bornes d’alimentation avec un multimètre.
Test des connexions audio
Pour tester la sortie audio, branchez un appareil audio fonctionnel (comme un téléphone ou un lecteur MP3) aux entrées auxiliaires. Mettez le poste en marche et ajustez le volume. Si vous n’entendez pas de son, vérifiez les connexions des haut-parleurs et assurez-vous que le fil est bien connecté à la sortie audio.
Test des commandes du poste
Assurez-vous que les boutons de commande, tels que le volume, les stations et les réglages de tonalité, réagissent correctement. Appuyez sur chaque bouton et vérifiez la réponse du système. Un mauvais fonctionnement peut être lié à une connexion défectueuse ou à un composant interne endommagé.
Dépannage des problèmes courants
Vérifiez d’abord la connexion de l’alimentation. Assurez-vous que le câble d’alimentation est correctement branché à la batterie et à l’unité de commande. Si vous ne remarquez aucune réaction, il se peut que le fusible soit grillé. Remplacez-le en suivant le schéma électrique correspondant.
Si le son ne fonctionne pas, examinez les câbles du haut-parleur. Parfois, des fils déconnectés ou usés peuvent être la cause du problème. Vérifiez également la prise de connexion entre l’autoradio et les câbles des haut-parleurs pour tout mauvais contact.
En cas de problèmes de réception radio, l’antenne pourrait être endommagée ou mal branchée. Assurez-vous que l’antenne est bien fixée et non corrodée. Vous pouvez aussi tester l’autoradio avec une autre antenne pour confirmer que la panne provient bien de l’antenne d’origine.
Si l’affichage de l’autoradio est illisible ou défectueux, un problème de connexion des câbles de données peut en être la cause. Vérifiez les fils derrière l’unité pour voir s’ils sont endommagés ou mal connectés.
| Problème | Solution |
|---|---|
| Pas d’alimentation | Vérifier la connexion de l’alimentation et remplacer le fusible si nécessaire. |
| Absence de son | Contrôler les câbles des haut-parleurs et tester la connexion entre l’autoradio et les fils des haut-parleurs. |
| Mauvaise réception radio | Inspecter l’antenne pour tout dommage ou mauvaise connexion. |
| Affichage défectueux | Vérifier les câbles de données et les connexions derrière l’unité. |