
Pour réparer ou installer une radio dans votre Chevrolet Tahoe 2003, il est important de disposer du bon schéma de câblage. Cette information permet de connecter correctement les fils sans risquer d’endommager le système électrique du véhicule. Un mauvais câblage peut entraîner des dysfonctionnements de la radio ou de l’équipement audio, rendant l’expérience de conduite moins agréable.
Le schéma de câblage spécifique au Tahoe 2003 varie en fonction du modèle et de l’équipement installé. Assurez-vous d’identifier si votre véhicule possède une radio d’origine ou un système après-vente, car cela peut changer l’ordre et la couleur des fils. Les principales connexions incluent l’alimentation, la masse, les sorties audio et les câbles d’antenne.
Pour un câblage correct, commencez par identifier chaque fil de l’interface de la radio et utilisez un multimètre pour tester les connexions. Si vous n’êtes pas sûr de l’identité d’un fil, consultez un schéma détaillé ou un manuel d’installation. Un mauvais branchement peut rendre certaines fonctionnalités de la radio inutilisables, comme le son ou le contrôle du volume.
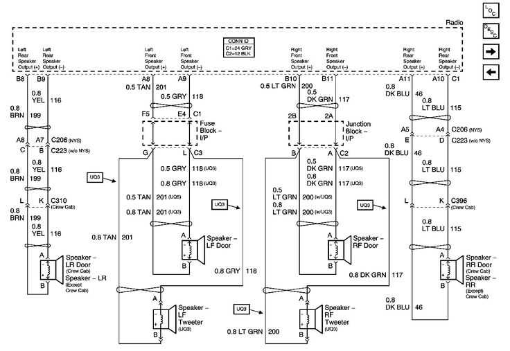
Schéma de câblage du radio 2003 Tahoe
Pour installer correctement le système audio de votre Chevrolet Tahoe 2003, il est essentiel de connaître les codes de couleur des fils et leurs connexions. Le diagramme de câblage suivant vous guide sur les points clés pour une installation sans erreur.
Connexions principales
Le câblage du radio comporte plusieurs fils importants qui assurent le bon fonctionnement du système audio. Vous trouverez les couleurs des fils pour chaque fonction ci-dessous :
- Fil rouge : Alimentation (+12V).
- Fil noir : Masse (GND).
- Fil bleu : Télécommande d’amplificateur.
- Fil jaune : Alimentation en veille (constant +12V).
- Fil vert : Sortie haut-parleur gauche (avant).
- Fil violet : Sortie haut-parleur droit (avant).
- Fil blanc : Sortie haut-parleur gauche (arrière).
- Fil gris : Sortie haut-parleur droit (arrière).
Connexion des haut-parleurs

Pour un son optimal, assurez-vous de connecter correctement les fils des haut-parleurs à l’unité principale. Les fils doivent être correctement appariés : le blanc et le vert pour les haut-parleurs avant, le gris et le violet pour les haut-parleurs arrière.
En cas de doute, vérifiez les connexions en utilisant un multimètre pour tester la continuité et la polarité des câbles avant de finaliser l’installation. Cette vérification garantit une meilleure qualité sonore et prévient les courts-circuits.
Connexion de l’alimentation du radio
Pour connecter correctement l’alimentation de votre radio dans le Chevrolet Tahoe 2003, il est essentiel de se concentrer sur trois fils principaux : le fil d’alimentation, le fil de mise à la terre et le fil de mémoire.
Le fil d’alimentation principal doit être connecté à une source d’alimentation constante pour assurer le bon fonctionnement du radio dès l’allumage du véhicule. Il est généralement de couleur rouge. Ce fil doit être raccordé à la borne d’alimentation sur le faisceau de câbles de la voiture.
Le fil de mise à la terre (souvent de couleur noire) doit être connecté à un point métallique nu du véhicule. Cela permet d’assurer une bonne connexion à la masse pour éviter tout dysfonctionnement du système.
Le fil de mémoire (souvent de couleur jaune) est responsable de conserver les paramètres de la radio, même lorsque le véhicule est éteint. Il doit être relié à une source d’alimentation en courant continu, afin que la radio conserve les stations et les réglages personnels lorsque le véhicule est éteint.
| Couleur du fil | Fonction | Connexion |
|---|---|---|
| Rouge | Alimentation principale | Connecter à l’alimentation du véhicule |
| Noir | Mise à la terre | Connecter à un point métallique nu |
| Jaune | Mémoire | Connecter à une source d’alimentation continue |
Assurez-vous que toutes les connexions sont sécurisées avant de remettre le contact, afin d’éviter tout court-circuit ou dysfonctionnement. Tester la radio après l’installation pour vérifier que tous les paramètres et fonctions sont correctement enregistrés. Vérifiez également la présence de tout fusible de protection pour éviter d’endommager l’équipement.
Raccordement des fils d’enceintes
Pour connecter correctement les fils d’enceintes à votre autoradio, commencez par identifier les fils positifs et négatifs de chaque enceinte. Le fil positif est généralement marqué par une couleur rouge ou un symbole « + » sur le câble, tandis que le fil négatif est souvent noir ou marqué d’un symbole « -« .
Reliez chaque fil de l’enceinte au terminal correspondant sur le dos de l’autoradio. Assurez-vous que les fils sont solidement fixés dans les bornes. Un mauvais contact peut entraîner une qualité sonore médiocre ou même endommager l’équipement. Si nécessaire, utilisez des connecteurs adaptés pour une connexion stable et sécurisée.
Il est recommandé de tester chaque enceinte après l’installation pour vérifier qu’elles fonctionnent correctement. Un test rapide avec de la musique peut vous aider à confirmer si les enceintes sont bien connectées et que le son est clair. En cas de problème, vérifiez les connexions et l’intégrité des câbles.
Identification des fils de commande du système de climatisation
Les fils de commande du système de climatisation du Chevrolet Tahoe 2003 sont spécifiquement codés pour faciliter l’identification et l’installation. Commencez par localiser le connecteur principal du climatiseur, souvent situé à proximité du tableau de bord ou du bloc de commande du climatiseur. Cette identification est cruciale pour éviter toute erreur lors de la connexion des câbles aux bornes appropriées.
Fil de commande de la climatisation

Le fil qui contrôle le compresseur du climatiseur est généralement de couleur jaune ou blanche. Ce câble active le compresseur lorsque la climatisation est en marche, en envoyant un signal de commande à l’unité de climatisation. Il est essentiel de s’assurer qu’il est correctement connecté pour garantir le bon fonctionnement du système de refroidissement.
Fil de commande de l’évent et de la vitesse du ventilateur
Les fils responsables de la régulation de la vitesse du ventilateur sont habituellement marqués par des couleurs telles que le bleu ou le vert. Ces fils ajustent la vitesse du ventilateur en fonction des réglages effectués par l’utilisateur sur le tableau de bord. Vérifiez les connexions pour vous assurer que les différents niveaux de vitesse sont correctement contrôlés.
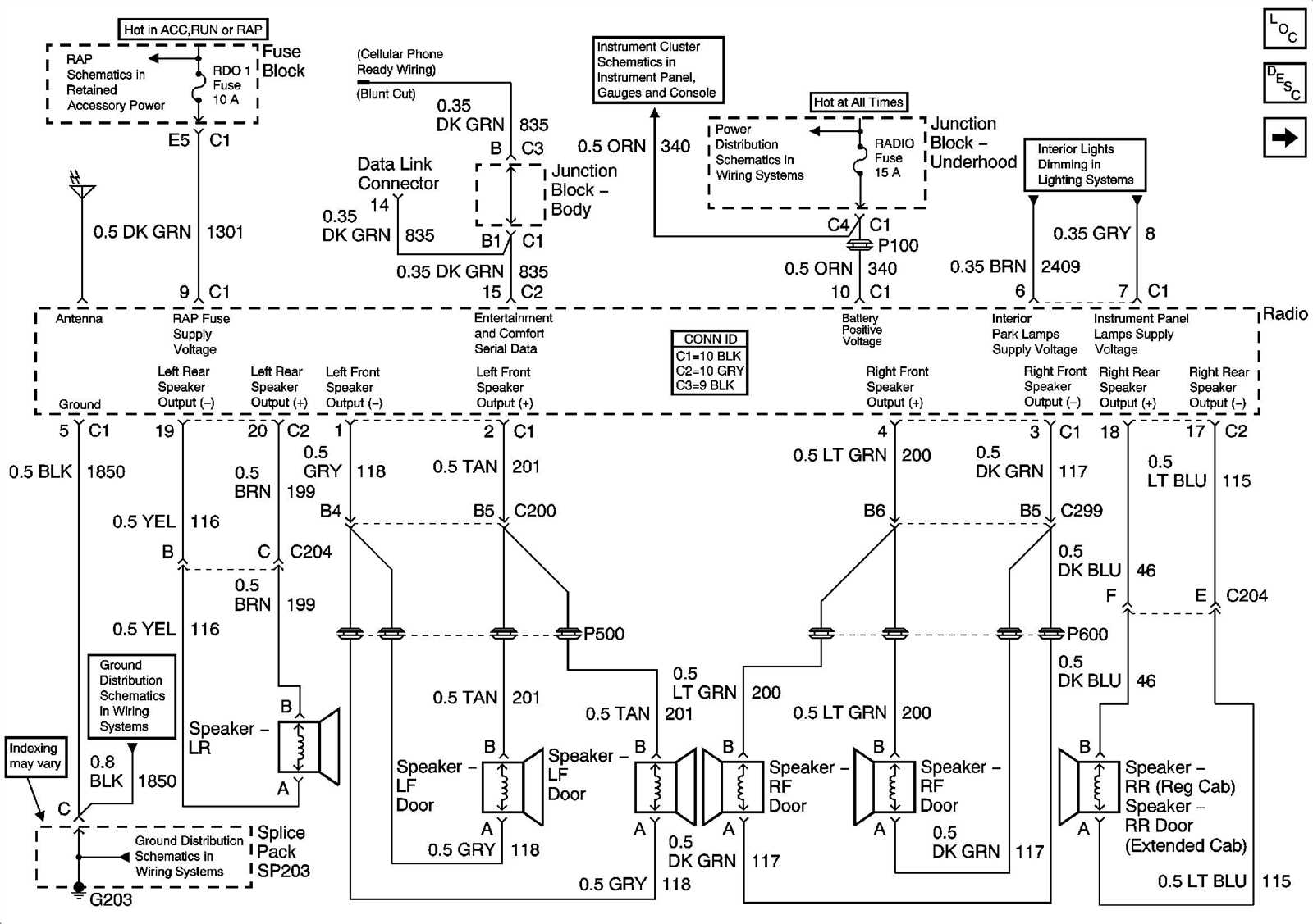
Connexion aux câbles d’antenne et réception FM/AM
Pour assurer une réception optimale des stations FM/AM, vérifiez que le câble d’antenne est correctement connecté à l’arrière de votre autoradio. L’antenne doit être fermement fixée et le câble bien inséré dans le port prévu à cet effet. Un mauvais branchement peut entraîner une mauvaise réception ou des interférences.
Étapes de connexion de l’antenne
- Identifiez le port d’antenne sur l’unité principale de votre autoradio.
- Connectez le câble d’antenne au port correspondant, en vous assurant que la connexion est bien en place.
- Si votre véhicule dispose d’une antenne amplifiée, vérifiez que l’alimentation électrique de l’antenne est également bien connectée.
Optimisation de la réception FM/AM
- Assurez-vous que l’antenne est positionnée correctement, en particulier si elle est amovible.
- Évitez de placer des objets métalliques près de l’antenne, car cela peut perturber le signal.
- Pour une meilleure réception, essayez de sélectionner des stations locales ou proches de votre position géographique.
Gestion des fils pour les commandes au volant
Pour installer les commandes au volant sur un modèle 2003 Tahoe, commencez par identifier le faisceau de câblage spécifique à votre autoradio. Le câble de commande au volant est souvent intégré dans le harnais principal ou nécessite un adaptateur spécifique pour se connecter à l’unité centrale. Il est crucial de localiser les fils du contrôle du volume, des pistes et de la gestion des appels, qui sont généralement en couleur distincte pour éviter toute confusion.
Connexion des fils au système d’autoradio
Une fois que vous avez identifié les fils, connectez-les correctement aux bornes correspondantes de l’adaptateur ou de l’autoradio. Pour une meilleure connexion, utilisez des connecteurs rapides ou des fils de dérivation spécifiques aux commandes au volant. Ne coupez pas les câbles sans utiliser de connecteurs, car cela pourrait entraîner des dysfonctionnements dans le système. Assurez-vous que chaque connexion est sécurisée et que les fils ne sont pas exposés à des courts-circuits.
Tests de fonctionnement et ajustements
Après avoir effectué les connexions, effectuez un test pour vous assurer que chaque fonction du volant fonctionne correctement. Si un bouton ne répond pas, vérifiez à nouveau les connexions ou ajustez le câblage. Parfois, un mauvais contact ou un fil mal connecté peut être la cause du problème. Une fois les tests effectués, fixez les fils à l’intérieur du tableau de bord pour éviter qu’ils ne s’emmêlent ou ne gênent d’autres composants.
Instructions pour le câblage de l’affichage de l’écran

Pour câbler correctement l’affichage de l’écran dans votre Chevrolet Tahoe 2003, assurez-vous de suivre les étapes précises liées à chaque connexion. Le câblage de l’écran implique principalement deux types de connexions : l’alimentation et la transmission du signal vidéo.
Commencez par localiser les fils d’alimentation du système de l’écran. Vous devrez connecter le fil d’alimentation positif au terminal positif de l’autoradio ou du tableau de bord. Assurez-vous que cette connexion est sécurisée et que le fil est bien isolé pour éviter tout court-circuit. Le fil de masse doit être relié à un point métallique de la voiture pour garantir un bon retour à la terre.
Ensuite, branchez le câble vidéo à la sortie vidéo de l’autoradio, en vous assurant que le connecteur est adapté à l’entrée de l’écran. Ce câble transmettra le signal visuel depuis l’unité principale vers l’écran. Vérifiez que les connexions sont bien serrées pour éviter toute coupure de signal. Certains modèles peuvent nécessiter un adaptateur pour connecter les deux appareils si les formats de connecteurs diffèrent.
Avant de finaliser l’installation, testez l’écran pour vérifier que l’alimentation et le signal vidéo sont correctement transmis. Si l’écran reste noir, revérifiez toutes les connexions, en particulier les câbles vidéo et d’alimentation. Un mauvais branchement peut entraîner un dysfonctionnement du système.