
Pour une installation ou une réparation de votre système audio, il est important de connaître les connexions exactes de la radio. Le faisceau de câblage de la radio du Chevrolet Silverado 2006 comporte plusieurs fils qui se connectent à des fonctions spécifiques du véhicule. Identifiez d’abord les câbles principaux : alimentation, mise à la masse, et signal audio. Le faisceau se divise généralement en deux sections : une pour l’alimentation et une autre pour les câbles audio et de commande.
Alimentation : Le câble d’alimentation, souvent coloré en rouge, est destiné à fournir l’énergie nécessaire au fonctionnement de la radio. Le câble noir, lui, sert de mise à la masse. Il est essentiel que ces câbles soient correctement connectés pour éviter tout problème d’alimentation.
Commande de la radio : Les fils de commande (généralement de couleur différente) permettent de contrôler la radio, tels que le volume et la sélection des stations. Ces câbles doivent être branchés aux connexions spécifiques du véhicule afin d’assurer une réponse optimale aux commandes.
Pour garantir une installation correcte, utilisez un adaptateur compatible avec le modèle de votre véhicule, et suivez bien les correspondances de câblage indiquées sur le schéma. Vérifiez chaque connexion avant de procéder à la mise sous tension pour éviter des erreurs ou des courts-circuits.
Voici une version révisée pour éviter les répétitions excessives tout en conservant le sens :
Le diagramme de câblage du faisceau de la radio pour le modèle 2006 de Chevy Silverado est crucial pour garantir une installation correcte. Suivez ces étapes pour identifier les connexions appropriées et éviter les erreurs courantes.
Connexion des fils d’alimentation
Commencez par repérer les fils d’alimentation, généralement de couleur rouge et jaune. Le fil rouge fournit l’alimentation principale, tandis que le fil jaune est responsable de la mémoire, permettant à votre radio de conserver les paramètres après l’arrêt du véhicule.
Fils de haut-parleurs

Les fils de haut-parleurs sont souvent de couleur grise, verte, violette et blanche. Chaque paire correspond à un haut-parleur spécifique du véhicule, et il est important de les connecter correctement pour éviter tout dysfonctionnement sonore.
| Couleur du fil | Fonction |
|---|---|
| Rouge | Alimentation principale |
| Jaune | Mémoire |
| Gris | Haut-parleur avant droit |
| Blanc | Haut-parleur avant gauche |
| Vert | Haut-parleur arrière droit |
| Violet | Haut-parleur arrière gauche |
Veillez à tester chaque connexion avec un multimètre pour vous assurer que chaque fil reçoit la tension appropriée. Une mauvaise connexion peut entraîner des problèmes de son ou même endommager la radio.
- Schéma de câblage du faisceau radio de 2006 Chevy Silverado
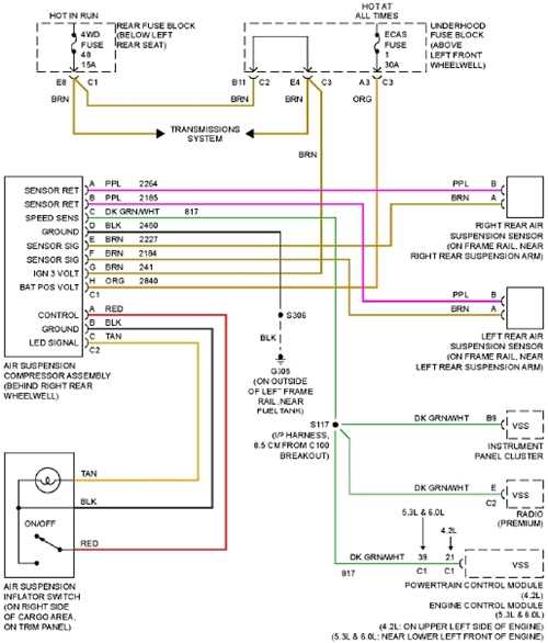
Pour connecter correctement le faisceau de câblage du système radio dans un Chevrolet Silverado 2006, commencez par localiser le connecteur du faisceau derrière l’autoradio. Ce connecteur est essentiel pour assurer la transmission correcte des signaux audio et des commandes.
Le faisceau comporte généralement plusieurs fils, chacun ayant une fonction spécifique. Les fils d’alimentation, comme le fil rouge pour le +12V, doivent être reliés au terminal d’alimentation de l’autoradio. Assurez-vous que les câbles d’alimentation sont bien connectés et que l’isolant est intact pour éviter tout court-circuit.
Les fils de haut-parleur, comme le fil gris pour le canal avant droit, et le fil vert pour le canal arrière gauche, sont essentiels pour distribuer le son aux différentes zones du véhicule. Les connexions des haut-parleurs doivent être bien sécurisées et éviter les courts-circuits entre eux.
Les fils d’antenne et de mise à la masse (généralement un fil noir) doivent également être connectés. Le fil noir assure une bonne connexion à la masse pour éviter toute interférence dans le signal radio.
Vérifiez toujours que les câbles sont solidement fixés et que les prises sont propres avant de connecter le faisceau. Un mauvais contact peut causer des dysfonctionnements du système audio.
Enfin, pour tester l’installation, branchez le faisceau et allumez le véhicule. Vérifiez que tous les haut-parleurs fonctionnent et que le signal radio est clair. Si nécessaire, ajustez les connexions ou remplacez les câbles défectueux.
Commencez par localiser le connecteur principal du faisceau radio, qui se trouve généralement derrière l’unité centrale de la radio. Ce connecteur se compose de plusieurs broches qui assurent la transmission de l’alimentation, de l’audio et des signaux de commande.
Broches principales à connaître
- Broche 1 : Alimentation 12V, généralement de couleur rouge. Cette broche fournit l’alimentation pour l’unité radio.
- Broche 2 : Masse (terre), souvent identifiée par une couleur noire. Elle est essentielle pour compléter le circuit électrique.
- Broche 3 : Allumage, souvent de couleur jaune, elle active la radio lorsque le véhicule est mis en marche.
- Broche 4 : Ligne de signal audio de gauche, typiquement marquée par un fil vert ou blanc.
- Broche 5 : Ligne de signal audio de droite, souvent indiquée par un fil vert ou noir.
- Broche 6 : Signal de commande pour les fonctions de la radio, souvent en couleur orange ou bleue, permettant le contrôle de certaines fonctionnalités via le volant.
Autres broches secondaires

- Broche 7 : Signal de commande de l’antenne, parfois marqué d’un fil bleu, utilisé pour déployer l’antenne lors de la mise en marche de la radio.
- Broche 8 : Entrée de l’auxiliaire, souvent utilisée pour la connexion avec d’autres dispositifs comme un lecteur MP3 ou un smartphone.
- Broche 9 : Sortie pour les haut-parleurs arrière, en fonction du modèle de l’option de son surround.
Assurez-vous que chaque fil est correctement connecté selon son code couleur et que les connexions sont sécurisées avant de réinstaller le panneau de commande. Cela garantira le bon fonctionnement de votre système audio sans problèmes de connexion ou d’interférences.
Assurez-vous que les connexions d’alimentation sont solidement fixées pour éviter toute perte de signal ou de puissance. Utilisez des connecteurs métalliques robustes pour garantir un contact stable entre les fils et les composants. Il est recommandé de couper l’alimentation avant de procéder à toute connexion pour prévenir tout court-circuit ou endommagement des composants électriques.
Alimentation

Pour la connexion à l’alimentation, identifiez le fil principal d’alimentation, souvent codé en rouge ou en orange, et reliez-le à la source d’alimentation du véhicule. Utilisez un connecteur qui assure une connexion serrée et stable. Vérifiez régulièrement la qualité de la connexion pour prévenir toute déconnexion intempestive qui pourrait affecter le fonctionnement du système audio.
Mise à la terre
Une mise à la terre appropriée est cruciale pour la sécurité et le bon fonctionnement du système. Reliez le fil de mise à la terre, généralement de couleur noire, à une partie métallique non peinte du châssis du véhicule. Cela évitera les interférences et réduira le risque de dysfonctionnement dû à des tensions électriques incorrectes. Assurez-vous que la connexion à la terre est bien en contact avec une surface propre et exempte de rouille pour une performance optimale.
Connectez chaque fil de haut-parleur de l’unité de commande aux bornes correspondantes de l’amplificateur ou du récepteur, en vous assurant que les fils sont bien isolés pour éviter les courts-circuits. Assurez-vous d’utiliser les câbles adaptés à la longueur et à la capacité du système audio. Les connexions doivent être sécurisées avec des connecteurs de qualité ou des soudures propres. Vérifiez la polarité des câbles, le fil positif (souvent rouge) doit être raccordé au terminal positif de l’unité de commande, et le fil négatif (souvent noir) au terminal négatif. Un mauvais raccordement peut entraîner une distorsion du son ou une absence de signal sur certains haut-parleurs.
Inspectez l’intégrité de chaque connexion après installation. Pour les modèles avec un amplificateur externe, assurez-vous que le système est bien alimenté et que les réglages du gain sont appropriés pour éviter toute surcharge. Si l’unité de commande offre des options de configuration audio, ajustez les paramètres pour optimiser la qualité sonore. N’oubliez pas de tester chaque haut-parleur individuellement pour vérifier la bonne réception du signal audio.
Assurez-vous que les fils d’antenne soient bien séparés des autres câbles pour éviter toute interférence. Utilisez des attaches pour maintenir les fils en place, sans les comprimer. Vérifiez que les fils ne sont pas endommagés ou usés avant de les connecter à la prise adéquate du faisceau de câblage du véhicule.
Lorsque vous connectez l’antenne, assurez-vous qu’elle est solidement fixée pour garantir une réception optimale. Si vous utilisez une antenne externe, placez-la loin des zones métalliques ou des composants électriques susceptibles de perturber le signal.
Enfin, lors du test, vérifiez la qualité de la réception. Si nécessaire, ajustez l’antenne ou les fils pour améliorer le signal et évitez les zones à faibles performances.
Assurez-vous que tous les fils sont correctement connectés, en particulier les fils d’alimentation et de mise à la terre. Un mauvais contact peut entraîner un dysfonctionnement du système. Vérifiez également que les connexions des câbles d’antenne sont bien fixées pour éviter la perte de signal.
- Contrôlez la continuité des fils. Si un câble est coupé ou endommagé, remplacez-le immédiatement pour éviter des interruptions de service.
- Examinez les connecteurs. Parfois, la rouille ou la corrosion peut perturber le bon fonctionnement du faisceau. Nettoyez les contacts ou remplacez les connecteurs défectueux.
- Vérifiez les fusibles. Si le système ne s’allume pas, un fusible grillé peut être la cause. Assurez-vous de tester et de remplacer tout fusible défectueux.
Si le son est faible ou absent, examinez les câbles de haut-parleur. Des fils déconnectés ou mal connectés peuvent causer des problèmes de son. Testez chaque connexion pour garantir un bon transfert du signal.
Dans certains cas, un mauvais câblage peut entraîner des interférences. Cela se produit souvent lorsqu’il y a une mauvaise isolation ou que des câbles d’alimentation sont en contact avec d’autres circuits. Repositionnez les câbles pour minimiser les interférences.
Si la radio ne s’allume pas, vérifiez le relais et le câblage de l’alimentation. Parfois, un mauvais raccordement à l’alimentation de la voiture peut être responsable de ce problème. Assurez-vous que l’alimentation est stable et correctement connectée.
Pour une intégration fluide, commencez par vérifier la compatibilité de votre nouvelle radio avec le faisceau d’origine. Utilisez un adaptateur de faisceau, cela simplifie grandement la connexion sans avoir besoin de couper ou de modifier les fils existants. Assurez-vous que l’adaptateur est conçu pour le modèle de votre véhicule afin d’éviter toute confusion lors du branchement des câbles.
Les couleurs des fils sont essentielles. Consultez le manuel de la radio ainsi que le schéma du faisceau pour identifier chaque connexion. Vérifiez que les fils de puissance, de masse et de haut-parleurs sont correctement raccordés. Une mauvaise connexion peut entraîner des dysfonctionnements ou endommager les composants électriques du véhicule.
Si votre voiture est équipée d’un système de commande au volant, utilisez un adaptateur compatible pour le connecter à votre nouvelle radio. Ce type d’adaptateur peut se brancher directement sur le faisceau existant et permettre un contrôle simplifié de la radio via les commandes au volant sans avoir à reprogrammer ou à ajouter de nouveaux fils.
Enfin, avant de fixer définitivement la radio, vérifiez le bon fonctionnement de tous les éléments : alimentation, audio et commandes. Cela vous permet d’éviter de devoir retirer à nouveau la radio en cas de problème après l’installation.
Conseils pour le câblage du faisceau de fils du poste radio pour le Chevrolet Silverado 2006
Pour connecter correctement le faisceau de fils de votre poste radio, suivez ces étapes précises :
- Vérifiez les couleurs des fils : Assurez-vous que les couleurs correspondent à celles indiquées dans le diagramme de câblage du poste radio. Chaque couleur a une fonction spécifique.
- Identifiez les fils d’alimentation : Le fil rouge est généralement le fil d’alimentation principale (+12V), tandis que le fil noir sert à la masse (ground).
- Connectez l’antenne : Assurez-vous que le fil de l’antenne est bien raccordé pour garantir une bonne réception radio.
- Utilisez des connecteurs adaptés : Si nécessaire, employez des adaptateurs ou des connecteurs pour un branchement propre et sécurisé.
- Vérifiez les câbles des haut-parleurs : Branchez les fils des haut-parleurs en respectant la polarité, le fil rouge étant généralement le positif (+) et le noir le négatif (-).
- Testez le système : Après avoir tout connecté, allumez le poste radio et vérifiez si tous les composants fonctionnent correctement (son, alimentation, etc.).
En suivant ces recommandations, vous assurerez une installation fiable et fonctionnelle de votre système audio dans votre Chevrolet Silverado 2006.