
Le câblage du radio dans le GMC Yukon 2007 est crucial pour garantir une installation et un fonctionnement corrects de votre système audio. Si vous devez connecter ou remplacer le radio, comprendre le schéma de câblage vous évitera des erreurs et des pannes. Commencez par identifier les fils principaux, notamment l’alimentation, la masse, les sorties audio et les commandes de l’écran.
Les connexions principales à connaître : Le fil d’alimentation, généralement de couleur rouge, est destiné à fournir l’énergie nécessaire pour faire fonctionner le radio. Le fil de masse, souvent de couleur noire, est essentiel pour assurer la sécurité de l’installation. Les fils pour les haut-parleurs doivent être correctement connectés aux bornes de sortie, en respectant les codes de couleurs.
Pour une installation réussie, il est conseillé de vérifier chaque connexion avant de fixer le radio dans son emplacement. Vous pouvez également utiliser un multimètre pour tester la continuité et l’alimentation des fils avant de procéder à l’installation définitive.
2007 GMC Yukon Radio Wiring Diagram
Le diagramme de câblage de la radio du GMC Yukon 2007 permet de connecter facilement les fils nécessaires pour assurer une installation correcte. Identifiez d’abord les fils d’alimentation et de terre, puis passez aux fils d’entrées audio pour compléter l’installation. Le système audio du Yukon 2007 utilise des connexions spécifiques pour l’alimentation, les haut-parleurs et le contrôle de l’affichage. Assurez-vous d’utiliser un adaptateur si vous remplacez l’unité principale afin de préserver la compatibilité avec les autres systèmes du véhicule.
Connexions principales
Les fils d’alimentation sont cruciaux pour que la radio fonctionne correctement. Le fil rouge est généralement responsable de l’alimentation par le contact, tandis que le fil jaune assure l’alimentation permanente. Le fil noir sert de terre. Les haut-parleurs sont reliés par des fils spécifiques à chaque côté, avec des codes de couleurs correspondant à chaque haut-parleur. Les fils des haut-parleurs avant gauche et droit sont souvent marqués en blanc et gris, tandis que les fils arrière sont généralement en violet et vert.
Installation de l’unité principale
Lorsque vous installez une nouvelle unité, il est nécessaire de connecter les fils de contrôle de l’affichage et du son. Pour ce faire, utilisez les connecteurs correspondant à l’unité spécifique. Assurez-vous que les fils sont correctement fixés et que la polarité est respectée pour éviter tout dysfonctionnement. Vous pouvez également connecter des appareils auxiliaires comme des lecteurs MP3 ou des smartphones via les entrées appropriées du système de l’auto.
Identification des fils d’alimentation pour votre radio
Pour connecter correctement votre radio, commencez par identifier les fils d’alimentation nécessaires. Voici les couleurs des fils standard et leur fonction pour une radio dans un GMC Yukon 2007 :
| Couleur du fil | Fonction |
|---|---|
| Rouge | Alimentation principale (12V) |
| Jaune | Alimentation en veille (12V, mémoire) |
| Noir | Terre (masse) |
| Bleu | Sortie d’alimentation (antenne ou ampli externe) |
| Orange | Éclairage de la radio |
Assurez-vous que chaque connexion est sécurisée et isolée pour éviter tout court-circuit. Utilisez des connecteurs appropriés pour chaque fil et vérifiez que les tensions correspondent avant de mettre sous tension.
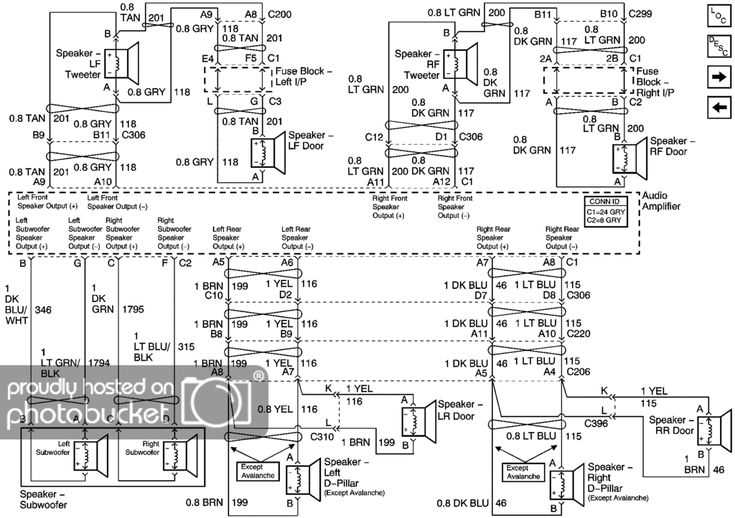
Schéma de câblage des haut-parleurs avant et arrière
Pour installer correctement les haut-parleurs avant et arrière dans un GMC Yukon 2007, suivez ce schéma de câblage précis.
- Haut-parleurs avant: Les fils des haut-parleurs avant se connectent aux bornes correspondantes sur le connecteur de la radio. Le fil positif est généralement de couleur gris pour le côté gauche et noir pour le côté droit. Le fil négatif est gris/noir pour le côté gauche et noir/vert pour le côté droit.
- Haut-parleurs arrière: Les fils des haut-parleurs arrière suivent une structure similaire à celle des haut-parleurs avant. Le fil positif du côté gauche arrière est généralement blanc et celui du côté droit est bleu. Les fils négatifs sont respectivement blanc/noir et bleu/noir.
- Fil d’alimentation: Le fil d’alimentation principal pour la radio se connecte à une source 12V constante. Il est généralement de couleur rouge, et il doit être raccordé au connecteur de la radio.
- Fil de mise à la terre: Le fil de mise à la terre est souvent noir, et il doit être solidement raccordé à une partie métallique du véhicule pour assurer une bonne connexion à la masse.
Assurez-vous de bien vérifier chaque connexion avant de finaliser l’installation. Un câblage incorrect peut entraîner des dysfonctionnements des haut-parleurs ou de la radio.
Connexion des fils de contrôle de la luminosité de l’écran

Pour connecter correctement les fils de contrôle de la luminosité de l’écran sur votre GMC Yukon 2007, localisez d’abord le faisceau de câbles derrière l’unité principale du système audio. Vous y trouverez un fil destiné au contrôle de la luminosité. Ce fil est souvent marqué comme « Dimmer » ou « Illumination ». Il est généralement de couleur jaune ou violet, selon le modèle.
Ensuite, reliez ce fil à l’entrée dédiée sur l’unité principale de l’autoradio. Si votre modèle d’autoradio n’a pas de borne spécifique pour ce contrôle, vous pouvez le connecter directement à l’alimentation 12V ou à un fil d’éclairage de votre véhicule. Il est conseillé d’utiliser un connecteur rapide pour garantir une connexion stable et éviter tout dommage aux fils.
Enfin, assurez-vous de tester la fonctionnalité du contrôle de luminosité après avoir effectué la connexion. Ajustez le niveau de la luminosité via le tableau de bord du véhicule pour vérifier que l’écran réagit correctement à ces changements.
Utilisation du câble d’antenne et ajustement pour la réception optimale

Pour obtenir la meilleure réception possible de votre radio, il est crucial de connecter correctement le câble d’antenne. Assurez-vous que le câble est fermement inséré dans le connecteur prévu sur l’unité principale de la radio. Un câble mal connecté peut entraîner une mauvaise réception ou des interférences.
Vérifiez régulièrement l’état du câble d’antenne. S’il est endommagé, remplacez-le immédiatement pour éviter des problèmes de réception. Le câble doit être exempt de toute coupure, pliure ou corrosion. Un câble en bon état garantit une transmission optimale du signal.
Si la réception est toujours faible malgré une bonne connexion, essayez de positionner l’antenne différemment. Déplacez-la dans des zones où le signal peut être plus puissant, comme près des fenêtres ou des zones dégagées. L’orientation de l’antenne peut influencer considérablement la qualité du signal reçu.
Dans certains cas, un amplificateur de signal peut être nécessaire si vous vous trouvez dans une région à faible couverture. Il permet de renforcer le signal et d’améliorer la qualité de la réception, surtout pour les stations FM.
Conseil : Lors de l’ajustement de l’antenne, effectuez des tests réguliers pour vérifier la qualité du signal. Cela vous aidera à trouver l’orientation optimale pour une réception claire et stable.
Installation du fil de mise à la terre pour éviter les problèmes électriques
Fixez le fil de mise à la terre directement à la carrosserie métallique de votre véhicule, de préférence à un point non peint pour assurer une connexion solide. Utilisez une vis ou un boulon pour garantir que le fil est bien en contact avec la surface métallique. Un bon contact réduit les interférences électriques qui peuvent perturber le fonctionnement du système audio.
Choisir le bon fil de mise à la terre

Optez pour un fil de mise à la terre de calibre suffisant, généralement un fil de 10 à 12 AWG pour les systèmes audio automobiles. Plus le calibre du fil est faible, mieux il conduit l’électricité, réduisant ainsi les risques de surtensions ou de pertes de signal.
Prévenir la corrosion

Protégez le point de connexion à la carrosserie avec un produit anticorrosion, comme un spray à base de graisse ou de silicone, afin d’éviter que l’humidité n’altère la qualité de la connexion au fil de mise à la terre. Cela permet d’assurer une longévité optimale du système électrique.
Comment tester les connexions avant de brancher la nouvelle radio
Avant de connecter une nouvelle radio dans votre GMC Yukon, il est crucial de tester les connexions existantes pour éviter tout court-circuit ou mauvaise installation. Commencez par débrancher la batterie pour éviter tout risque d’électrocution ou de dommage aux composants électriques. Utilisez un multimètre pour vérifier la tension de chaque fil. Assurez-vous que les fils d’alimentation et de mise à la terre ne sont pas endommagés et qu’ils offrent une connexion solide.
Tester les fils d’alimentation
Pour tester les fils d’alimentation, vérifiez la tension entre le fil d’alimentation constant (généralement rouge) et la masse. Vous devez obtenir une lecture d’environ 12 volts. Si la tension est incorrecte, l’alimentation peut être défectueuse ou mal connectée. Testez également le fil d’alimentation accessoires (souvent jaune) pour vérifier qu’il reçoit le signal lorsqu’il est censé le faire.
Vérification des fils de haut-parleurs

Utilisez un testeur de continuité pour vérifier que chaque fil de haut-parleur est correctement relié à la sortie du récepteur. Assurez-vous qu’aucun fil n’est court-circuité ou déconnecté. Lorsque vous testez les fils des haut-parleurs, vérifiez également leur polarité pour garantir une installation correcte du son.
Enfin, confirmez que toutes les connexions sont sécurisées et qu’aucun fil n’est en contact avec une partie métallique de la voiture, ce qui pourrait entraîner des dysfonctionnements. Une fois les tests réalisés et les connexions vérifiées, vous pourrez installer la nouvelle radio en toute sécurité.