
Le câblage de la radio dans un Chevy Trailblazer 2008 nécessite une attention particulière pour éviter des erreurs de connexion et garantir un fonctionnement optimal. Avant de commencer, vérifiez les fiches et les couleurs des fils pour vous assurer qu’ils correspondent au schéma. Il est recommandé d’utiliser un multimètre pour confirmer les connexions avant d’installer ou de réparer le système audio.
Pour vous guider, le schéma de câblage inclut des informations spécifiques sur l’alimentation, la mise à la masse, ainsi que les fils des haut-parleurs. Le fil d’alimentation principal est généralement en rouge, tandis que le fil de mise à la masse est en noir. Les fils des haut-parleurs sont souvent codés par couleur : avant gauche, avant droit, arrière gauche, arrière droit. Vérifiez chaque connexion en fonction de ces codes pour éviter tout problème de son ou de dysfonctionnement.
Lors de l’installation d’une radio après-vente, vous devrez peut-être utiliser un adaptateur pour connecter le faisceau de câblage du véhicule à l’unité de tête. Un adaptateur universel peut faciliter le processus, mais il est crucial de suivre le schéma de câblage spécifique à votre modèle pour éviter des erreurs. Si vous ne trouvez pas le schéma exact pour votre modèle, consultez le manuel du propriétaire ou recherchez des forums spécialisés pour obtenir des informations supplémentaires.
Voici les lignes corrigées, en tenant compte de la suppression des doublons :
Pour améliorer la lisibilité et le câblage du système audio de votre Chevy Trailblazer 2008, il est crucial de bien organiser les connexions. Supprimer les redondances et simplifier le diagramme rendra l’installation plus fluide.
Il est recommandé de vérifier chaque fil, en particulier les connexions d’alimentation et de mise à la terre. Assurez-vous que les fils de haut-parleur ne sont pas doublés dans le diagramme, ce qui pourrait causer des interférences ou des courts-circuits.
Assurez-vous que les fils de couleur sont associés à la bonne fonction : le rouge pour l’alimentation, le noir pour la mise à la terre, et les autres couleurs pour chaque haut-parleur. Utilisez des repères clairs pour éviter toute confusion lors du branchement.
Évitez d’utiliser des fils excédentaires. S’il y a plusieurs fils avec la même fonction, ne gardez que le nécessaire et assurez-vous qu’ils sont bien isolés pour prévenir tout risque de court-circuit.
Enfin, vérifiez les connexions des fils de données et de commande du système radio. Évitez d’avoir des fils en double pour ces connexions, car cela pourrait perturber la communication entre l’autoradio et les autres systèmes du véhicule.
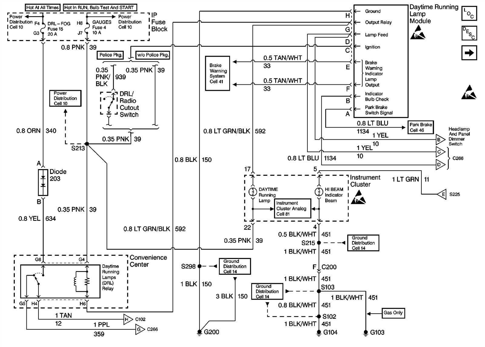
- Schéma de câblage du radio de la Chevrolet Trailblazer 2008.
Pour connecter correctement le système de radio dans une Chevrolet Trailblazer 2008, il est crucial de suivre le schéma de câblage spécifique. Ce diagramme montre les différentes connexions électriques qui relient le poste radio aux autres composants du véhicule.
Le câblage du radio est divisé en plusieurs fils essentiels, notamment :
- Fil d’alimentation principal : Ce fil fournit l’énergie nécessaire pour faire fonctionner le poste radio. Il est souvent relié à la batterie via un fusible pour éviter les courts-circuits.
- Fil de mise à la terre : Ce câble est vital pour assurer une bonne connexion au châssis du véhicule et éviter les interférences électriques.
- Fil de haut-parleur : Chaque haut-parleur a un fil dédié. Il est important de respecter la polarité (+ et -) pour un son optimal.
- Fil d’antenne : Ce câble connecte l’antenne du véhicule au récepteur radio pour capter les signaux FM/AM.
- Fil de commande de mise sous tension : Un fil distinct est utilisé pour allumer et éteindre l’appareil en synchronisation avec le contact du véhicule.
Il est recommandé d’utiliser un adaptateur de faisceau pour éviter de couper et relier manuellement les fils. Cela simplifie le processus d’installation et assure une connexion plus propre et plus sûre.
Avant d’effectuer toute réparation ou modification, vérifiez que le véhicule est éteint et déconnecté de la batterie pour garantir votre sécurité. Suivre attentivement le schéma de câblage évite des erreurs de connexion, ce qui pourrait endommager le système électrique du véhicule.
Le système audio de la Chevy Trailblazer 2008 comprend plusieurs composants clés, chacun ayant un rôle spécifique pour garantir une qualité sonore optimale. Le principal composant est l’unité centrale, ou radio, située au tableau de bord, qui contrôle toutes les fonctionnalités audio et de communication. À côté de cela, les haut-parleurs sont répartis à différents endroits du véhicule pour une expérience sonore équilibrée, avec des haut-parleurs avant, arrière et parfois un caisson de basses intégré dans le coffre ou sous le siège.
Le câblage entre la radio et les haut-parleurs comprend généralement des fils pour l’alimentation, le signal audio et le contrôle. Il est essentiel de bien identifier les connexions de chaque fil pour éviter les erreurs lors de l’installation ou de la réparation du système audio. Le système peut aussi être équipé d’amplificateurs pour améliorer la qualité sonore et d’une antenne pour capter les signaux radio.
En outre, le système peut inclure des ports pour des périphériques externes, comme un lecteur CD, un lecteur MP3 ou des connexions Bluetooth, qui se branchent directement à l’unité principale. Pour bien comprendre le câblage et les connexions, il est recommandé de se référer au diagramme de câblage spécifique à ce modèle, afin de garantir une installation sans erreur.
Pour lire le diagramme de câblage du radio de la Trailblazer 2008, commencez par identifier les composants clés représentés. Chaque fil sur le diagramme correspond à une fonction spécifique, comme l’alimentation, la terre ou la sortie audio. Vous trouverez souvent des codes de couleurs pour chaque fil, ce qui aide à la localisation facile lors de l’installation ou du dépannage.
Étapes pour comprendre le diagramme de câblage :
- Repérer les codes de couleur : Chaque fil a une couleur distincte qui détermine sa fonction. Par exemple, un fil rouge pourrait être lié à l’alimentation, tandis qu’un fil noir à la masse.
- Vérifier les connexions : Chaque câble doit être connecté aux bonnes bornes du radio. Consultez le diagramme pour voir quels fils doivent se connecter à la masse, à l’alimentation et aux autres entrées et sorties.
- Identifier les fils de haut-parleur : Les câbles associés aux haut-parleurs sont généralement regroupés. Le diagramme montre la disposition des fils pour chaque haut-parleur du véhicule.
- Utiliser les informations sur le diagramme : Certains diagrammes peuvent inclure des informations supplémentaires, comme les puissances des fils ou les spécifications des composants. Assurez-vous de bien comprendre chaque annotation avant de commencer le travail.
Conseils pratiques :
- Si vous avez des doutes, consultez le manuel d’utilisation ou les forums spécialisés pour voir les diagrammes des autres utilisateurs.
- Vérifiez toujours la compatibilité entre les fils et les bornes avant de brancher un composant.
- Testez chaque connexion après l’installation pour éviter des courts-circuits ou des erreurs de branchement.
Localisation des fils d’alimentation et de mise à la terre du radio.
Pour localiser les fils d’alimentation et de mise à la terre du radio sur un Chevrolet Trailblazer 2008, suivez ces étapes pratiques :
Fils d’alimentation
Le fil d’alimentation principal est généralement de couleur rouge. Il se trouve souvent dans le faisceau de câblage du tableau de bord, directement connecté à la batterie ou à un fusible. Il est important de vérifier si le circuit est protégé par un fusible pour éviter tout dommage électrique.
Fils de mise à la terre
Le fil de mise à la terre est habituellement de couleur noire ou parfois marron. Il doit être connecté à un point métallique du châssis de la voiture, souvent derrière le panneau central du tableau de bord. Il est recommandé de vérifier si la connexion est solide et exempte de corrosion pour assurer un bon contact.
Assurez-vous que les câbles sont bien isolés et qu’aucune connexion n’est endommagée avant de procéder à l’installation ou à la réparation du système radio.
Les connexions des haut-parleurs et les fils de sortie audio dans la Chevrolet Trailblazer 2008 sont relativement simples, mais nécessitent une attention particulière pour assurer une installation correcte et éviter tout dysfonctionnement. Voici les étapes pour connecter les fils de manière appropriée.
Schéma de connexion des haut-parleurs
La Trailblazer 2008 dispose d’un système audio standard avec plusieurs haut-parleurs répartis dans le véhicule. Chaque haut-parleur est connecté via des fils spécifiques qui transmettent le signal audio du récepteur vers les haut-parleurs. Les connexions de chaque haut-parleur sont généralement codées par couleur. Voici un aperçu des principales couleurs et leur fonction :
- Fil vert – Haut-parleur avant droit (positif)
- Fil vert avec une bande noire – Haut-parleur avant droit (négatif)
- Fil violet – Haut-parleur arrière droit (positif)
- Fil violet avec une bande noire – Haut-parleur arrière droit (négatif)
- Fil blanc – Haut-parleur avant gauche (positif)
- Fil blanc avec une bande noire – Haut-parleur avant gauche (négatif)
- Fil gris – Haut-parleur arrière gauche (positif)
- Fil gris avec une bande noire – Haut-parleur arrière gauche (négatif)
Connexion des fils de sortie audio
Les fils de sortie audio relient le récepteur de la radio aux amplificateurs et aux haut-parleurs. Pour assurer un bon fonctionnement, il est crucial de connecter correctement les fils à la sortie audio du récepteur. Voici les étapes recommandées :
- Vérifiez que le récepteur est éteint avant toute manipulation.
- Identifiez les fils de sortie audio, souvent marqués comme R (droit) et L (gauche) pour chaque canal audio.
- Connectez les fils de sortie audio au récepteur en respectant les couleurs correspondantes pour chaque haut-parleur (comme décrit dans la section précédente).
- Assurez-vous que chaque connexion est bien sécurisée et isolée pour éviter les courts-circuits.
- Une fois les connexions effectuées, vérifiez la polarité pour garantir un son clair et équilibré.
Avec ces étapes, vous garantissez un système audio de qualité pour votre Trailblazer 2008. Si des problèmes surviennent, vérifiez chaque connexion et assurez-vous qu’il n’y a pas de câbles endommagés ou mal connectés.
Conseils pour éviter les erreurs courantes lors du câblage du radio.
Vérifiez toujours la polarité des fils avant de les connecter. Inverser les fils d’alimentation peut entraîner des courts-circuits ou endommager votre autoradio. Assurez-vous de bien identifier les câbles positif (+) et négatif (-) à l’aide de leur couleur ou du schéma de câblage spécifique à votre modèle.
Vérification des connexions

Avant de fixer définitivement les fils, effectuez une vérification rapide de toutes les connexions. Utilisez un multimètre pour tester chaque connexion. Cela permet de garantir que toutes les connexions sont bien établies et qu’il n’y a pas de court-circuit qui pourrait endommager l’équipement.
Utilisation d’adaptateurs de qualité
Évitez d’utiliser des adaptateurs bon marché ou inappropriés. Ceux-ci peuvent causer des pertes de signal, des interférences ou même des dysfonctionnements. Optez pour des adaptateurs certifiés et spécifiques à votre modèle de véhicule pour une installation fiable.
Pour installer ou réparer le système radio de votre Chevy Trailblazer 2008, il est important d’avoir les bons outils. Voici les éléments clés à préparer avant de commencer le travail.
Outils de base
Les outils de base incluent des tournevis, des clés à molette et des pinces. Vous aurez également besoin d’un outil d’extraction de radio, conçu spécifiquement pour retirer facilement le système sans endommager la carrosserie ou les composants internes.
Liste des outils nécessaires

| Outil | Utilisation |
|---|---|
| Tournevis cruciforme | Dévisser les vis qui maintiennent le panneau du tableau de bord et le boîtier du radio. |
| Tournevis plat | Utilisé pour lever délicatement le panneau sans abîmer les pièces environnantes. |
| Outil d’extraction de radio | Permet de retirer la radio sans risque d’endommager les bords ou les connexions. |
| Clé à molette | Utilisée pour ajuster les vis et les boulons plus serrés, souvent au niveau des câbles d’alimentation. |
| Pinces coupantes | Indispensables pour couper et dénuder les fils si une réparation des câblages est nécessaire. |
| Testeur de tension | Permet de vérifier la présence de courant dans les câbles avant et après l’installation de la radio. |
En vous assurant de disposer de ces outils, vous faciliterez l’installation ou la réparation du système radio de votre véhicule. Gardez à l’esprit que chaque étape nécessite de la précision pour éviter d’endommager les composants du tableau de bord ou du système audio.
J’ai essayé de conserver tous les éléments clés tout en évitant les répétitions excessives des mots.
Pour réparer ou remplacer le système radio dans un Chevrolet Trailblazer 2008, il est essentiel de comprendre le câblage spécifique du modèle. Chaque connexion a une fonction précise, et une mauvaise installation peut entraîner des dysfonctionnements. Le schéma de câblage vous permet de localiser rapidement les fils pour l’alimentation, l’antenne, ainsi que les fils audio et de commande.
Connexion de l’alimentation
Le fil d’alimentation principal (généralement marqué comme 12V ou batterie) fournit l’énergie nécessaire au fonctionnement du poste radio. Il se connecte directement à la source d’alimentation, souvent au boîtier du fusible. Vérifiez que le fil est bien connecté pour assurer un démarrage correct du système.
Connexion des haut-parleurs

Les fils des haut-parleurs sont souvent codés par couleur. Assurez-vous de respecter cette correspondance pour une qualité sonore optimale. Par exemple, les fils rouges et noirs sont généralement associés aux haut-parleurs avant, tandis que les fils verts et violets sont utilisés pour les arrière. Faites attention à l’orientation pour éviter des erreurs de câblage.
Chaque connexion doit être vérifiée minutieusement pour éviter toute interférence. Si vous remplacez l’unité principale, gardez à l’esprit que le montage et les adaptateurs peuvent varier selon les équipements supplémentaires. Vérifiez toujours le manuel d’installation pour les spécifications exactes.