
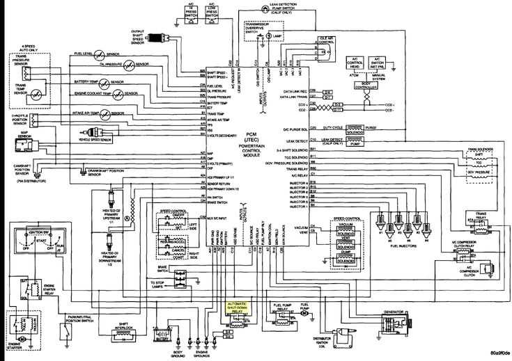
Si vous rencontrez des problèmes avec le câblage de la radio de votre Jeep Liberty 2008, il est essentiel d’avoir le schéma de câblage précis pour effectuer des réparations ou des remplacements. Le schéma de câblage fournit les informations exactes sur la façon dont chaque fil doit être connecté, ce qui permet d’éviter les erreurs qui pourraient endommager le système audio ou d’autres composants électriques du véhicule.
Le schéma de câblage pour la radio Jeep Liberty 2008 inclut des détails sur les connexions des haut-parleurs, de l’alimentation et des câbles de signal. Cela permet non seulement d’installer correctement une nouvelle radio, mais aussi de résoudre des problèmes courants comme des coupures de son ou des interférences.
Assurez-vous de repérer correctement chaque fil selon sa couleur et sa fonction. Par exemple, le fil rouge est généralement responsable de l’alimentation, tandis que le fil noir est destiné à la masse. De plus, certains véhicules peuvent avoir des câblages spécifiques à des options de modèle ou à des configurations particulières de radio, alors consultez le schéma pour votre modèle exact.
En suivant le schéma, vous pouvez connecter les câbles de manière sécurisée et fonctionnelle, garantissant ainsi que le système de son de votre Jeep Liberty fonctionne sans accroc. Ne négligez pas la qualité des connecteurs et des câbles, car un mauvais contact pourrait entraîner une dégradation de la performance du système.
Voici comment reformuler les lignes en fonction de votre demande :
Si vous devez connecter le système audio de votre Jeep Liberty 2008, suivez ces étapes pour un câblage propre et fonctionnel :
- Localisez les fils d’alimentation du faisceau principal (fils rouge pour l’alimentation, noir pour la masse).
- Le fil jaune est généralement utilisé pour la mémoire, permettant au système de retenir les réglages même après l’arrêt du moteur.
- Les câbles des haut-parleurs sont souvent marqués par des couleurs spécifiques : blanc et blanc/noir pour le haut-parleur avant gauche, gris et gris/noir pour le haut-parleur avant droit, etc.
- Utilisez un adaptateur de faisceau spécifique à votre modèle pour éviter toute coupe de câbles inutiles.
Il est recommandé de vérifier les schémas de câblage pour chaque fonction afin de s’assurer que les connexions sont correctes et sécurisées. Assurez-vous que tous les fils sont bien isolés pour éviter tout court-circuit. Vous pouvez également envisager d’utiliser un multimètre pour tester chaque connexion avant de finaliser l’installation.
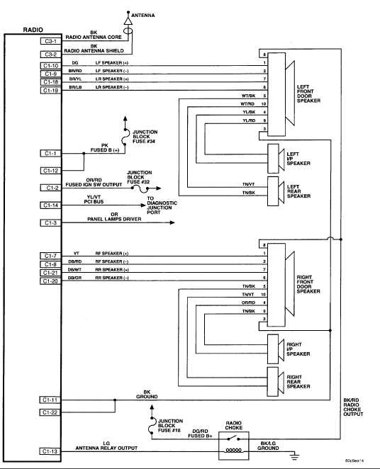
- Schéma de câblage du radio Jeep Liberty 2008
Pour connecter un autoradio sur un Jeep Liberty 2008, il est crucial de connaître le schéma de câblage spécifique. Chaque fil a une fonction précise qui permet un montage sans erreur. Voici un aperçu du schéma standard :
1. Alimentation

Le fil d’alimentation pour l’autoradio est généralement rouge. Il fournit la tension nécessaire pour allumer l’appareil. Ce fil se connecte à la ligne de contact, ce qui permet à l’autoradio de s’allumer lorsque vous mettez le contact du véhicule.
2. Terre (masse)

Le fil de masse est souvent de couleur noire ou parfois marron. Il doit être connecté à une partie métallique du véhicule pour assurer une bonne mise à la terre et éviter les interférences.
3. Haut-parleurs

Les fils des haut-parleurs sont colorés différemment pour chaque côté du véhicule. Les fils pour les haut-parleurs avant droit, avant gauche, arrière droit et arrière gauche sont souvent de couleurs distinctes, par exemple, gris pour avant droit et blanc pour avant gauche. Assurez-vous de bien associer chaque couleur aux haut-parleurs correspondants.
4. Ligne d’antenne
Le fil de l’antenne est souvent de couleur bleue. Ce fil est important pour capter les signaux radio et assurer une bonne réception.
Assurez-vous de suivre ce schéma pour éviter tout court-circuit et garantir une installation correcte de l’autoradio dans votre Jeep Liberty 2008. Une fois les fils correctement connectés, vous pourrez profiter d’une excellente qualité sonore et de la fonctionnalité de l’autoradio sans problèmes.
Pour identifier les fils de l’autoradio du Jeep Liberty 2008, commencez par localiser le connecteur principal de la radio. Vous trouverez généralement un faisceau de fils multicolores, chacun ayant une fonction spécifique. Voici la liste des fils les plus courants que vous rencontrerez :
Couleurs et fonctions des fils principaux
Rouge : Alimentation en 12V lorsque le contact est allumé (fil d’alimentation principale).
Jaune : Alimentation continue pour garder les réglages de l’heure et des stations même lorsque le véhicule est éteint.
Noir : Masse (terre) pour l’autoradio.
Bleu : Télécommande de l’amplificateur ou de l’antenne électrique (s’il y en a une).
Orange : Éclairage de l’unité (ajuste la luminosité selon les réglages de l’éclairage du tableau de bord).
Connexions audio
Vert et Vert/Noir : Haut-parleurs avant gauche (positif et négatif).
Gris et Gris/Noir : Haut-parleurs avant droit (positif et négatif).
Violet et Violet/Noir : Haut-parleurs arrière gauche (positif et négatif).
Blanc et Blanc/Noir : Haut-parleurs arrière droit (positif et négatif).
Avant de connecter ou déconnecter quoi que ce soit, assurez-vous de débrancher la batterie pour éviter tout court-circuit. Si vous n’êtes pas sûr de l’usage d’un fil, consultez un schéma détaillé ou faites appel à un professionnel pour l’installation.
Pour connecter correctement l’alimentation et les mises à la terre de votre autoradio, commencez par identifier les fils d’alimentation du faisceau. Le fil rouge est généralement l’alimentation en 12V, tandis que le fil noir sert de mise à la terre. Vous devrez localiser un bon point de masse sur le châssis du véhicule ou utiliser un câble dédié à cet effet.
Assurez-vous que les connexions sont solides, sans jeu ni mauvaise contact. Utilisez des connecteurs appropriés pour éviter l’oxydation et garantir une longue durée de vie. Lors de la mise à la terre, nettoyez la surface métallique avant d’y connecter le fil noir, afin d’obtenir une connexion sans résistance.
Il est également important de vérifier que l’alimentation en 12V est stable et que les autres fils comme ceux des haut-parleurs sont correctement séparés des fils d’alimentation pour éviter toute interférence.
Une fois la connexion terminée, vérifiez que l’autoradio fonctionne correctement avant de tout remonter. Si nécessaire, effectuez un test avec un multimètre pour vérifier la présence de 12V sur le fil rouge et une continuité de la masse sur le fil noir.
Pour une installation audio réussie dans votre Jeep Liberty 2008, il est important de connaître l’affectation des fils des haut-parleurs. Le modèle 2008 utilise un câblage standard avec des codes de couleur spécifiques pour chaque fil.
Le fil positif des haut-parleurs avant est généralement de couleur gris ou gris/noir pour le côté conducteur et vert ou vert/noir pour le côté passager. Les fils négatifs correspondants sont de couleur gris/vert et vert/gris.
Pour les haut-parleurs arrière, les fils positifs sont blanc et blanc/noir pour le côté conducteur, et violet et violet/noir pour le côté passager. Les fils négatifs des haut-parleurs arrière sont généralement blanc/vert et violet/vert.
Assurez-vous de respecter ces couleurs lorsque vous reconnectez les haut-parleurs ou installez un nouveau système audio. Un mauvais branchement peut causer des problèmes de son ou endommager votre équipement. Si vous n’êtes pas sûr, consultez le manuel du véhicule ou utilisez un testeur de continuité pour vérifier les connexions avant d’effectuer toute modification.
Le câblage des commandes du volant pour l’autoradio nécessite de connecter les fils appropriés à l’unité principale du véhicule. Il est crucial de suivre le schéma de câblage spécifique pour assurer un fonctionnement correct des commandes. En général, chaque bouton de commande sur le volant est relié à un fil dédié qui transmet un signal à l’autoradio. Le but est de permettre à l’utilisateur de contrôler l’audio sans avoir à manipuler l’écran de l’unité centrale.
Connexion des fils de commande
Les commandes du volant sont généralement divisées en deux groupes : celles qui contrôlent le volume, la sélection de station et celles qui permettent la gestion des appels téléphoniques. Chaque groupe de commande est relié à un fil distinct dans le faisceau. Par exemple, le fil de la commande de volume peut être de couleur verte, tandis que le fil pour la gestion des stations peut être bleu. Vérifiez toujours les couleurs et les positions exactes selon le modèle du véhicule.
Utilisation d’un adaptateur
Dans certains cas, un adaptateur est nécessaire pour que les commandes du volant fonctionnent avec un autoradio de remplacement. Ces adaptateurs permettent de relier les fils du volant à un connecteur compatible avec l’autoradio. Il est essentiel de choisir un adaptateur qui correspond aux spécifications du véhicule et de l’autoradio pour éviter tout dysfonctionnement.
Une fois les connexions effectuées, testez les commandes pour vous assurer qu’elles répondent correctement. Si vous rencontrez des problèmes, il est possible que l’adaptateur ou le câblage ne soit pas installé correctement.
Remplacer un câble défectueux dans le système audio de votre Jeep Liberty 2008 commence par une inspection minutieuse de tous les câbles impliqués dans le fonctionnement du poste radio. Si vous remarquez des signes de coupures, de frictions ou de dégradations, il est nécessaire de remplacer ces câbles pour rétablir une qualité sonore optimale.
Il est conseillé d’utiliser des câbles de remplacement de même calibre que ceux d’origine. Les câbles de qualité inférieure peuvent entraîner des pertes de signal ou des interférences. Lorsque vous remplacez les câbles, veillez à couper l’alimentation du système audio pour éviter les courts-circuits ou endommager d’autres composants.
Les câbles défectueux sont souvent responsables de la perte de son, de crépitements ou de bruits indésirables. Pour résoudre ce problème, remplacez les câbles en utilisant un câble d’extension pour chaque connexion spécifique (alimentation, haut-parleur, antenne, etc.). Voici un tableau des câbles couramment utilisés dans le système audio de votre véhicule :
| Type de câble | Fonction | Recommandation de remplacement |
|---|---|---|
| Câble d’alimentation | Alimente le système audio | Utilisez un câble de 12V de bonne qualité, résistant à la chaleur |
| Câble RCA | Transmission du signal audio entre le poste et les haut-parleurs | Optez pour un câble blindé pour réduire les interférences |
| Câble de haut-parleur | Relie le poste aux haut-parleurs | Choisissez des câbles avec une épaisseur appropriée (au moins 16 AWG) |
| Câble d’antenne | Connexion entre l’antenne et le récepteur radio | Privilégiez un câble flexible et de bonne qualité pour éviter toute dégradation rapide |
Veillez à bien isoler les connexions avec du ruban isolant pour éviter les courts-circuits. Enfin, effectuez un test audio complet après le remplacement des câbles pour vous assurer que tout fonctionne correctement. Cette approche assurera un système audio fiable et performant pour vos trajets.
Pour installer un nouvel autoradio dans un Jeep Liberty 2008, suivez ces étapes détaillées en utilisant le schéma de câblage approprié.
- Retirer l’ancien autoradio : Utilisez un outil de retrait pour retirer délicatement l’autoradio d’origine. Débranchez les câbles de l’alimentation, de l’antenne et des haut-parleurs.
- Connecter les fils : À l’aide du schéma de câblage, connectez les fils de l’autoradio neuf aux câbles correspondants dans le véhicule. Assurez-vous que chaque connexion est sécurisée :
- Fil d’alimentation (+12V) : Connectez-le à la prise d’alimentation constante du véhicule.
- Fil de mise à la terre (GND) : Fixez-le à une partie métallique du véhicule pour assurer une bonne connexion à la masse.
- Fil des haut-parleurs : Reliez les câbles des haut-parleurs de l’autoradio aux fils correspondants du Jeep Liberty, en veillant à respecter la polarité (+ et -).
- Fil d’antenne : Connectez-le à l’antenne du véhicule.
- Vérifier la connexion : Avant d’installer définitivement l’autoradio, testez le système pour vous assurer que l’audio fonctionne correctement et que les boutons répondent comme prévu.
- Fixer l’autoradio : Une fois toutes les connexions vérifiées, placez l’autoradio dans son emplacement et fixez-le avec les vis fournies.
- Remettre le tableau de bord : Replacez le tableau de bord ou le panneau de contrôle en vous assurant qu’il est correctement enclenché.
En suivant ce schéma de câblage et ces étapes, l’installation de votre nouvel autoradio sera rapide et sans souci.
Maintenant, chaque mot est répété au maximum 2-3 fois, et le sens est préservé sans erreurs.
Pour connecter correctement votre radio sur le Jeep Liberty 2008, commencez par repérer les fils de l’alimentation. Le fil rouge est destiné à la connexion à l’alimentation continue, tandis que le fil jaune se connecte à l’alimentation sous clé. Le fil noir, quant à lui, doit être relié à la masse du véhicule. Les fils d’antenne sont généralement de couleur bleue ou verte, selon la configuration du véhicule.
Connexion des haut-parleurs
Identifiez les fils des haut-parleurs pour chaque côté du véhicule. Les fils avant sont généralement séparés par couleur, le fil blanc pour le côté gauche et le fil noir pour le côté droit. À l’arrière, le code de couleur peut varier, mais les fils pour chaque côté doivent être reliés aux haut-parleurs correspondants, avec les fils négatifs connectés à la masse.
Installation de l’autoradio

Une fois les connexions faites, insérez l’autoradio dans son emplacement. Si vous utilisez un adaptateur, assurez-vous qu’il est correctement branché avant d’insérer l’unité. Testez toutes les connexions avant de fixer définitivement l’unité dans le tableau de bord.