
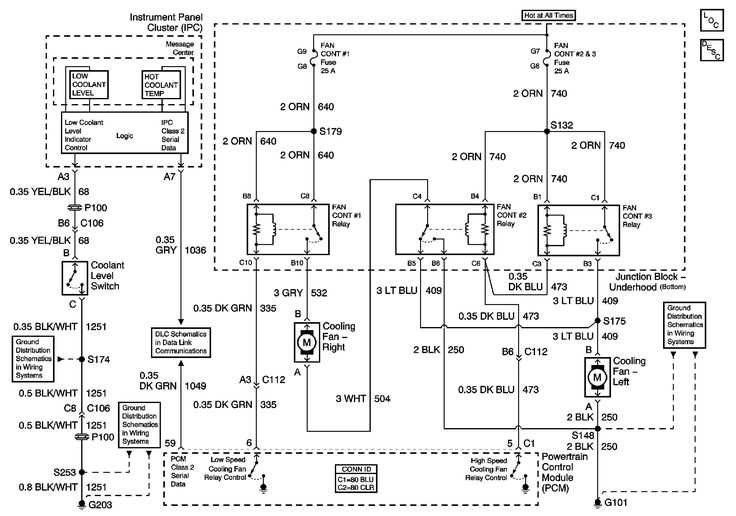
Pour connecter correctement le système radio de votre Chevrolet Cruze 2012, il est essentiel de suivre le schéma de câblage spécifique. Ce diagramme vous permettra d’identifier les connexions appropriées pour chaque fonction, telles que l’alimentation, l’antenne et les haut-parleurs. Commencez par localiser les bornes du connecteur de votre radio et assurez-vous de correspondre chaque fil aux bonnes sorties et entrées.
Le câble d’alimentation principal doit être raccordé à la borne « 12V » pour fournir l’énergie nécessaire au fonctionnement de la radio. Il est aussi crucial de connecter le fil de masse (terre) à la borne adéquate pour éviter des interférences ou des dysfonctionnements. Les fils des haut-parleurs doivent être correctement associés à chaque sortie pour un son optimal.
Enfin, assurez-vous de connecter l’antenne à l’entrée prévue pour recevoir une réception radio claire. Un câblage incorrect peut entraîner des problèmes de signal ou des pannes de fonctionnement de la radio. En suivant ce diagramme de câblage, vous garantissez une installation stable et fonctionnelle de votre système audio dans votre Cruze 2012.
Schéma de câblage radio pour Chevy Cruze 2012
Le câblage du système audio dans la Chevy Cruze 2012 est essentiel pour garantir un son clair et un fonctionnement optimal du véhicule. Assurez-vous que chaque connexion est correctement réalisée pour éviter les dysfonctionnements. Voici les principales étapes à suivre pour un branchement réussi.
Connexion des fils d’alimentation et de mise à la terre

Le fil rouge est destiné à l’alimentation en 12V. Il doit être connecté à la borne d’alimentation de la radio, généralement marquée comme « BATT » ou « VCC ». Le fil noir est pour la mise à la terre, il doit être relié à un point de masse sur le châssis du véhicule ou à une borne spécifiée sur le faisceau de câblage.
Branchement des haut-parleurs

Les fils des haut-parleurs sont souvent codés par couleur pour faciliter le raccordement. Les fils blancs et blancs/noirs sont utilisés pour les haut-parleurs avant, tandis que les fils violets et violets/noirs sont destinés aux haut-parleurs arrière. Chaque paire de fils correspond à un canal de son stéréo. Assurez-vous que chaque connexion est solide et que les fils ne sont pas en contact avec des surfaces métalliques.
Identification des fils d’alimentation du système audio
Pour identifier les fils d’alimentation du système audio dans une Chevrolet Cruze 2012, commencez par localiser le faisceau de câbles derrière l’unité centrale. Vous trouverez plusieurs câbles, chacun ayant une fonction spécifique. Le fil d’alimentation principal, généralement de couleur rouge, alimente le système lorsqu’il est sous tension. Ce fil doit être relié à la borne positive de la batterie.
Fil d’alimentation constant
Le fil d’alimentation constant, souvent en rouge, permet de maintenir la mémoire du système audio lorsque le contact est éteint. Il doit être connecté directement à la batterie pour garantir que le système conserve ses paramètres, comme les stations de radio préréglées et l’heure, même lorsque le moteur est éteint.
Fil d’alimentation sous contact
Le fil d’alimentation sous contact, de couleur jaune ou orange, se connecte lorsque le véhicule est démarré ou que le contact est mis. Il fournit l’énergie nécessaire pour faire fonctionner l’unité lorsque le moteur est en marche. Ce fil est souvent relié au contacteur d’allumage ou à une autre source de tension sous contact.
Connexions des haut-parleurs et câblage du son
Pour garantir une installation audio de qualité dans la Chevrolet Cruze 2012, commencez par vérifier les connexions des haut-parleurs. Chaque haut-parleur doit être correctement relié aux bornes de l’amplificateur ou du système de radio. Utilisez des câbles de qualité pour éviter toute perte de signal.
Les haut-parleurs avant sont généralement connectés aux canaux gauche et droit de l’amplificateur. Assurez-vous que les câbles sont bien isolés et qu’il n’y a pas de court-circuit. Il est conseillé de séparer les câbles d’alimentation des câbles de signal pour éviter toute interférence.
Les haut-parleurs arrière suivent une configuration similaire. Ils doivent être reliés aux câbles correspondant aux canaux arrière gauche et droit. Ne négligez pas la polarité. Connectez les fils positifs (+) et négatifs (-) selon les indications du fabricant, afin d’éviter une inversion qui pourrait nuire à la qualité sonore.
Vérifiez également les connexions à la source d’alimentation et à l’amplificateur. Si vous utilisez un amplificateur externe, il est important de le relier correctement aux câbles d’alimentation et de signal de la radio. L’alimentation doit être stable pour éviter toute coupure de son ou distorsion.
Enfin, après avoir tout connecté, testez chaque haut-parleur pour vérifier qu’il fonctionne correctement et que le son est clair, sans grésillements ni bruits indésirables. Si des problèmes persistent, recontrôlez les connexions et assurez-vous que chaque câble est fermement en place.
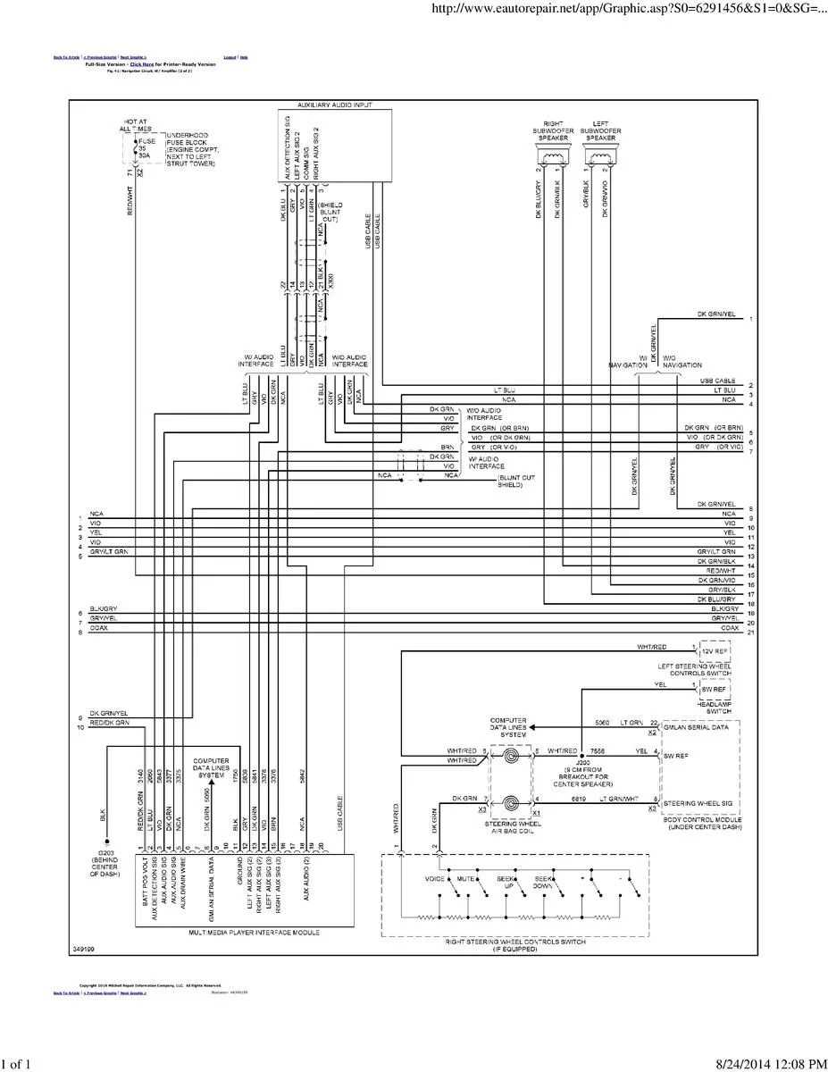
Intégration du module de commande au volant
Pour intégrer correctement un module de commande au volant dans votre Chevrolet Cruze 2012, commencez par identifier les fils nécessaires pour la connexion. Utilisez un adaptateur spécifique si votre véhicule n’est pas déjà équipé d’un système compatible. Ces adaptateurs permettent de relier les commandes du volant au système radio sans nécessiter de modifications complexes du câblage d’origine.
Étapes de connexion
Tout d’abord, repérez les connecteurs de la radio. Vous aurez besoin de connaître la configuration du câblage du véhicule. Les fils de commande au volant sont souvent associés aux fils de signal de la radio, mais il peut être nécessaire de consulter un schéma spécifique pour éviter toute confusion. Une fois l’adaptateur branché, vous pouvez connecter les fils de commande au volant à la prise prévue à cet effet sur l’adaptateur.
Configuration et test
Après l’installation, allumez le système et testez chaque fonction du volant pour vérifier que les commandes répondent correctement. Si une commande ne fonctionne pas comme prévu, vérifiez la correspondance des fils et les connexions. Un contrôle supplémentaire du câblage peut être nécessaire pour résoudre des problèmes de connectivité.
Installation d’une nouvelle unité principale dans un Chevy Cruze 2012
Pour installer une nouvelle unité principale dans un Chevy Cruze 2012, commencez par retirer l’ancienne unité en suivant ces étapes.
Retirer l’unité existante
- Débranchez la batterie pour éviter tout risque de court-circuit.
- Utilisez un outil approprié pour retirer les vis de fixation de l’unité principale. Ces vis sont généralement situées autour du contour de l’écran central.
- Une fois les vis retirées, tirez délicatement l’unité principale hors de son emplacement.
- Déconnectez les câbles de l’arrière de l’unité en appuyant sur les clips de chaque connecteur pour les libérer.
Connecter la nouvelle unité principale
- Reliez les câbles de la nouvelle unité en respectant l’ordre des connexions d’origine. Assurez-vous que chaque connecteur est bien en place.
- Vérifiez que l’alimentation et les câbles audio sont bien connectés avant de tester l’unité.
- Enfoncez l’unité dans son emplacement et vissez-la solidement en place.
Testez la nouvelle unité avant de rebrancher la batterie pour vérifier que toutes les fonctions, telles que le son et la radio, fonctionnent correctement.
Identification et gestion des fils d’antenne radio
Vérifiez d’abord l’emplacement du connecteur d’antenne derrière l’autoradio. Les fils d’antenne sont généralement de deux types : un fil pour la réception FM et un autre pour les signaux AM. Le fil pour la réception FM est souvent plus long et plus fin, tandis que celui pour AM peut être plus court et parfois intégré à l’autoradio. Identifiez chaque fil en fonction de sa longueur et de sa couleur, qui varie selon le modèle du véhicule.
Si vous remplacez ou réparez l’antenne, assurez-vous de connecter correctement chaque fil au port correspondant. Le câble principal pour la réception radio se branche directement sur l’arrière de l’autoradio, généralement avec un connecteur coaxial. Le câble de terre doit être bien relié pour éviter des interférences de signal.
Lors de l’installation d’un nouveau système audio, vous pouvez avoir besoin d’un adaptateur pour l’antenne, surtout si l’antenne d’origine est incompatible avec le nouvel appareil. Vérifiez toujours la connectivité et la solidité des fils avant de finaliser l’installation.
| Fil | Fonction | Caractéristiques |
|---|---|---|
| Fil FM | Réception des stations FM | Long, mince, souvent avec connecteur coaxial |
| Fil AM | Réception des stations AM | Plus court, parfois intégré à l’autoradio |
| Fil de terre | Assure une bonne mise à la terre pour éviter les interférences | Relier à une surface métallique du véhicule |
Pour garantir une réception optimale, inspectez régulièrement les fils d’antenne pour détecter tout dommage, surtout si le véhicule est exposé à des conditions climatiques extrêmes. Une antenne mal connectée ou un câble endommagé peut causer des interférences et des pertes de signal.
Dépannage des problèmes courants de câblage du système audio
Vérifiez d’abord les connexions principales du câble d’alimentation du système audio. Si le radio ne s’allume pas, il est probable que le fil d’alimentation soit mal connecté ou endommagé. Inspectez soigneusement les bornes et les câbles pour déceler tout signe d’usure ou de corrosion. Si nécessaire, resserrez les connexions ou remplacez les câbles défectueux.
Problème de son faible ou distordu

Un son faible ou distordu peut être causé par une mauvaise connexion des câbles des haut-parleurs. Vérifiez que les fils des haut-parleurs sont bien fixés aux bornes et qu’il n’y a pas de courts-circuits. Si les câbles sont vieux ou usés, remplacez-les par des câbles de haute qualité. Testez ensuite le système pour évaluer l’amélioration de la qualité sonore.
Pas de signal radio

Si le signal radio est faible ou absent, examinez l’antenne pour vérifier si elle est correctement connectée et non endommagée. Les antennes mal fixées peuvent causer des interruptions dans la réception du signal. Assurez-vous également que les câbles de l’antenne ne sont pas usés et qu’ils sont bien connectés au récepteur radio.