2012 dodge ram 1500 radio wiring diagram

2012 dodge ram 1500 radio wiring diagram

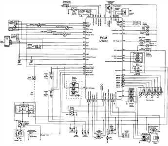
Pour une installation réussie du système audio dans votre Dodge Ram 1500 2012, connaître les détails du câblage est essentiel. Le schéma suivant vous guide dans la connexion correcte de votre autoradio aux différents composants du véhicule.

Commencez par repérer le fil d’alimentation principal. Il est souvent marqué par une couleur distincte comme le rouge. Ce fil fournit l’énergie nécessaire au fonctionnement de l’autoradio. Assurez-vous que la connexion est sécurisée et qu’elle n’entraîne aucune interférence avec d’autres circuits du véhicule.

Ensuite, pour les haut-parleurs, identifiez les fils correspondant à chaque côté du véhicule. Les câbles pour les haut-parleurs avant et arrière sont généralement de couleurs différentes, ce qui facilite leur identification. Prenez soin de connecter chaque fil correctement afin de garantir un son optimal sans distorsion.

Ne négligez pas le câblage de l’antenne. Un bon contact avec l’antenne assure une réception radio claire, sans parasites. Vérifiez que la prise est bien insérée et que le câble est en bon état pour éviter toute perte de signal.

Enfin, n’oubliez pas les câbles pour la lumière d’ambiance et les commandes au volant si votre modèle les supporte. Ces connexions sont parfois plus subtiles, mais elles peuvent améliorer considérablement l’expérience utilisateur.

Diagramme de câblage du radio du Dodge Ram 1500 2012

Le diagramme de câblage pour le système audio du Dodge Ram 1500 2012 fournit des informations claires sur les connexions électriques. Pour une installation ou un remplacement réussi, commencez par identifier les fils principaux comme l’alimentation (généralement de couleur rouge), la masse (noire) et les fils de haut-parleurs. Le câble d’alimentation pour le rétroéclairage est souvent jaune, tandis que le câble d’antenne est de couleur bleue. Vérifiez la polarité des fils de haut-parleur pour éviter les problèmes de son inversé. Le fil de mise à la terre est essentiel pour éviter les interférences. Le système est conçu pour une compatibilité optimale avec les radios de remplacement tout en respectant les spécifications du fabricant.

Les connexions pour l’amplificateur ou le caisson de basses peuvent nécessiter des fils supplémentaires, selon la configuration. Utilisez un multimètre pour tester la continuité des câbles avant toute connexion afin d’éviter des court-circuits ou des erreurs de branchement. Assurez-vous que les fils sont correctement isolés et fixés pour une sécurité accrue. Si vous remplacez la radio d’origine, il est recommandé de se procurer un kit de câblage compatible pour une intégration sans problème.

Identification des fils d’alimentation du système audio

2012 dodge ram 1500 radio wiring diagram

Pour identifier correctement les fils d’alimentation du système audio d’un Dodge Ram 1500 2012, commencez par localiser le connecteur du faisceau de câblage de la radio. Vous y trouverez des fils essentiels pour l’alimentation et le fonctionnement du système. Le fil rouge est généralement l’alimentation principale (12V), tandis que le fil jaune sert de connexion au +12V constant, permettant de maintenir la mémoire des stations radio et des paramètres du système. Le fil noir représente la masse, essentielle pour la mise à la terre du système. Le fil orange est utilisé pour l’éclairage de la radio, ajustant sa luminosité en fonction des phares du véhicule. Enfin, assurez-vous que chaque fil est correctement connecté à la source d’alimentation appropriée pour garantir un fonctionnement stable du système audio.

Localisation des câbles pour les haut-parleurs avant et arrière

2012 dodge ram 1500 radio wiring diagram

Pour connecter les haut-parleurs avant et arrière dans un Dodge Ram 1500 de 2012, il est essentiel de localiser correctement les câbles qui transmettent le signal audio. Les câbles pour les haut-parleurs avant se trouvent généralement dans les portes avant, tandis que ceux pour les haut-parleurs arrière sont souvent situés dans la zone du coffre ou sous les sièges arrière.

Câblage des haut-parleurs avant

2012 dodge ram 1500 radio wiring diagram

Les câbles des haut-parleurs avant passent à travers le panneau de porte. Vous devez retirer les garnitures de la porte pour accéder aux fils. Les fils des haut-parleurs gauche et droit sont souvent de couleur différente : généralement, le fil positif pour le côté gauche est vert, et pour le côté droit, il est violet. Le fil négatif pour chaque côté suit une couleur standard telle que le noir ou le bleu.

Câblage des haut-parleurs arrière

Pour les haut-parleurs arrière, le câblage passe sous les sièges arrière ou le long du plancher du véhicule. Les fils arrière gauche et arrière droit sont également codés par couleur. Il est recommandé de retirer les sièges arrière pour un meilleur accès, ou d’examiner les zones près du coffre pour localiser les câbles. Les fils d’alimentation des haut-parleurs arrière sont généralement de couleur blanche pour le côté gauche et orange pour le côté droit, avec des fils noirs pour la connexion négative.

Position du haut-parleur Couleur du fil positif Couleur du fil négatif
Haut-parleur avant gauche Vert Noir
Haut-parleur avant droit Violet Bleu
Haut-parleur arrière gauche Blanc Noir
Haut-parleur arrière droit Orange Noir

Assurez-vous de bien identifier chaque câble avant de procéder à toute connexion afin d’éviter des erreurs de branchement qui pourraient affecter la qualité du son ou endommager le système audio. Il est aussi conseillé de tester chaque haut-parleur après l’installation pour vérifier leur bon fonctionnement.

Comment connecter le fil d’antenne pour la réception radio

Pour assurer une bonne réception radio, connectez correctement le fil d’antenne à l’arrière de l’unité radio du Dodge Ram 1500 2012. Le fil d’antenne est généralement de type coaxial, avec un connecteur métallique à une extrémité. Ce connecteur doit être inséré fermement dans le port prévu à cet effet, situé sur le panneau arrière de l’appareil radio.

Vérifiez que le port est propre et sans obstructions avant de connecter le fil. Si l’antenne est intégrée au véhicule, assurez-vous que le câble de l’antenne est bien raccordé au châssis du véhicule, ce qui permet d’optimiser la réception du signal radio. Un mauvais contact peut entraîner une réception intermittente ou faible.

En cas de problème avec la connexion, testez d’abord le câble d’antenne pour vérifier qu’il n’est pas endommagé. Si nécessaire, remplacez-le par un câble neuf compatible avec le système de votre Dodge Ram 1500.

Le câblage des commandes au volant pour le contrôle audio

Pour connecter les commandes au volant à votre système audio dans un Dodge Ram 1500 de 2012, commencez par localiser le connecteur principal de la radio et les câbles associés aux commandes au volant. Ces câbles sont souvent regroupés dans un faisceau spécifique qui se raccorde à l’unité de commande du volant. Le plus couramment, il s’agit d’un câble de signal qui envoie les commandes au système audio via un protocole spécifique comme le CAN bus ou un autre système de communication interne.

Connexion et câblage

Vérifiez que les fils des commandes au volant sont correctement reliés aux connecteurs du côté du tableau de bord. Le connecteur de la radio doit disposer d’un port compatible pour recevoir les signaux envoyés par les boutons du volant. Utilisez un adaptateur si nécessaire, en veillant à ce qu’il soit bien configuré pour le modèle de radio que vous installez. Ce câblage garantit que les boutons du volant contrôlent les fonctions audio, comme le volume, les stations de radio ou la lecture multimédia.

Tests et vérification

2012 dodge ram 1500 radio wiring diagram

Après avoir effectué les connexions, allumez votre véhicule et testez les boutons du volant. Assurez-vous que chaque bouton réagit correctement aux fonctions qu’il est censé contrôler. Si un problème survient, vérifiez les connexions et assurez-vous que les câbles sont bien fixés. Un test de continuité peut être utile pour détecter d’éventuels câblages défectueux.

Considérations pour l’installation d’un nouvel autoradio

2012 dodge ram 1500 radio wiring diagram

Vérifiez la compatibilité de l’autoradio avec votre véhicule. Avant d’acheter un nouveau modèle, assurez-vous qu’il soit compatible avec les dimensions de votre tableau de bord et les connexions électriques de votre 2012 Dodge Ram 1500.

Préparez les outils nécessaires pour l’installation. Vous aurez besoin de tournevis, d’un dénudeur de câbles, d’un multimètre et d’un kit d’adaptateur pour les connexions spécifiques à votre modèle de véhicule.

  • Alimentation et câblage: Assurez-vous que tous les fils d’alimentation sont correctement connectés. Vérifiez les connexions pour l’alimentation, la masse et les haut-parleurs. Un mauvais câblage pourrait entraîner des problèmes de fonctionnement ou même endommager l’équipement.
  • Antennes: Si votre autoradio nécessite une connexion antenne externe, vérifiez que celle-ci soit correctement branchée pour assurer la réception du signal radio.
  • Commande au volant: Si votre véhicule est équipé d’une commande au volant, il vous faudra un adaptateur pour intégrer cette fonctionnalité à votre nouvel autoradio.

Testez le système avant de tout fixer définitivement. Allumez le véhicule et l’autoradio pour vérifier la qualité du son, la réception radio et le bon fonctionnement des autres fonctions (Bluetooth, GPS, etc.). Cela permet de s’assurer que tout fonctionne correctement avant de remettre le tableau de bord en place.

Assurez-vous que l’autoradio est bien fixé. Utilisez les vis ou supports fournis pour maintenir l’unité en place. Un autoradio mal fixé pourrait causer des bruits indésirables et endommager les composants internes en cas de chocs.

Débogage des problèmes courants de câblage du système audio

Vérifiez d’abord les connexions des câbles d’alimentation. Un câble desserré ou mal connecté peut empêcher l’alimentation du système audio. Assurez-vous que les câbles sont bien insérés dans les bornes correspondantes et qu’ils ne sont pas endommagés.

Problèmes de son faible ou inexistant

Un son faible ou absent peut être causé par un câble de haut-parleur défectueux. Inspectez les câbles et remplacez-les si nécessaire. Vérifiez également les connexions entre le poste radio et les haut-parleurs. Un mauvais contact peut entraîner une perte de signal.

Interférences et bruits parasites

Si des bruits parasites se produisent, cela peut être dû à une mauvaise mise à la terre des câbles ou à des interférences externes. Assurez-vous que le système audio est correctement mis à la terre. Essayez de déconnecter les appareils électroniques proches pour voir si cela élimine les bruits.