
Le schéma de faisceau de câblage de la radio pour le Silverado 2012 est un élément clé pour toute installation ou réparation audio dans ce véhicule. Connaître les bonnes connexions et comprendre la disposition des fils permet de simplifier le processus et d’éviter des erreurs courantes lors de l’installation de la radio.
Pour faciliter cette tâche, assurez-vous de consulter un diagramme précis qui montre les couleurs et les fonctions de chaque fil. Cela vous permettra d’identifier rapidement les fils d’alimentation, de mise à la terre, ainsi que ceux pour les haut-parleurs et la connectivité. Le fil d’alimentation jaune doit être connecté à une source d’alimentation continue, tandis que le fil rouge doit se connecter à un circuit d’allumage pour activer la radio lorsque le contact est mis.
En outre, il est important de ne pas négliger les connecteurs des haut-parleurs. Les câbles des haut-parleurs sont généralement colorés selon un code standard, mais assurez-vous de vérifier chaque connexion pour éviter des dysfonctionnements. Vérifiez également les câbles d’antenne et ceux pour la commande du volume, car des erreurs dans ces branchements peuvent nuire à la qualité sonore et à la fonctionnalité générale de l’appareil.
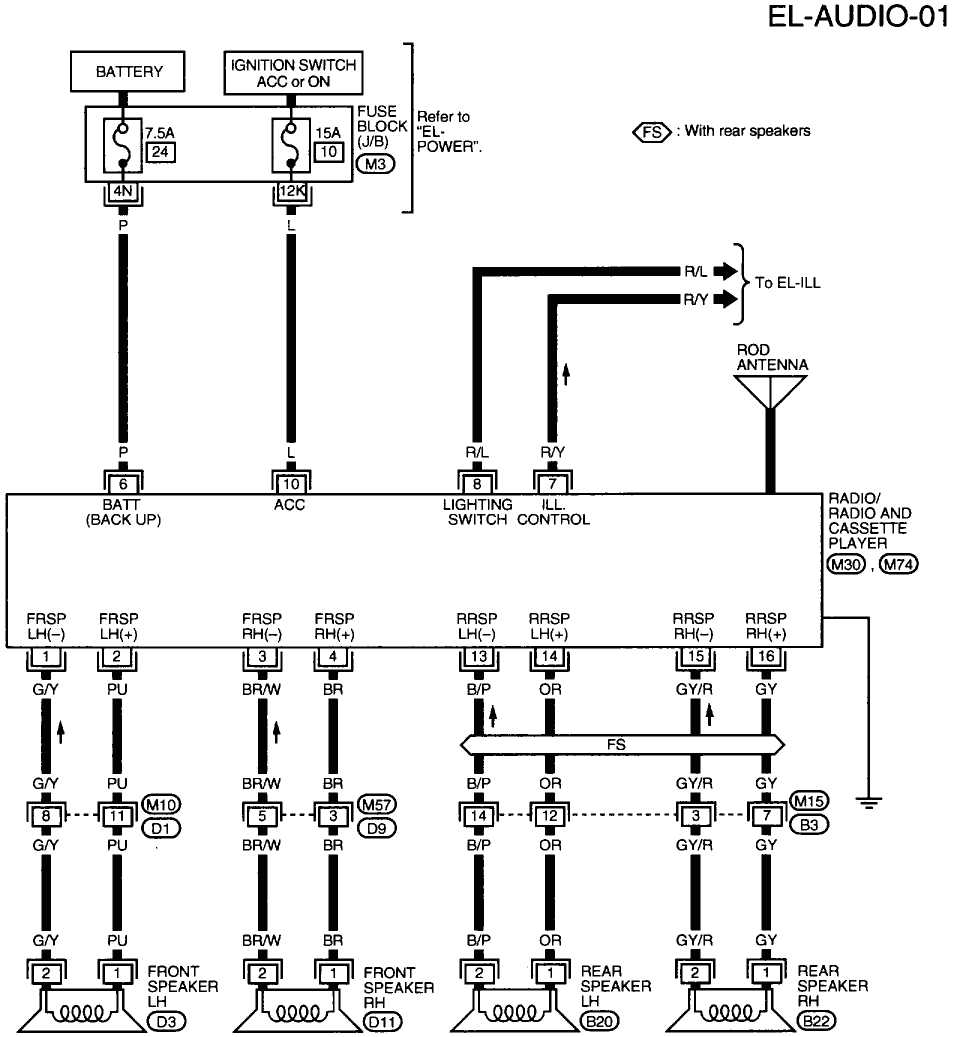
Schéma du faisceau de câblage de la radio 2012 Silverado
Pour connecter correctement votre radio dans une Chevrolet Silverado 2012, il est nécessaire de suivre un schéma précis du faisceau de câblage. Ce schéma facilite l’intégration de la nouvelle radio sans compromettre les fonctionnalités d’origine du véhicule.
Le faisceau de câblage comprend plusieurs fils, chacun ayant une fonction spécifique. Les fils principaux à identifier sont :
- Fil d’alimentation (+12V): Il fournit l’énergie à la radio. Ce fil est généralement de couleur rouge.
- Fil de masse (terre): Utilisé pour compléter le circuit électrique, ce fil est souvent noir.
- Fil d’allumage (ACC): Permet d’alimenter la radio uniquement lorsque le contact est activé. Il est souvent de couleur jaune ou orange.
- Fil de haut-parleur: Ces fils se connectent aux différents haut-parleurs du véhicule, chacun correspondant à un canal (avant gauche, avant droit, arrière gauche, arrière droit).
- Fil de contrôle de l’antenne: Ce fil active l’antenne lorsqu’une radio est allumée. Il est généralement bleu.
Assurez-vous que chaque connexion est sécurisée et correctement isolée. Utiliser des connecteurs adaptés peut prévenir tout court-circuit ou mauvais fonctionnement. Si vous avez un faisceau de câblage après-vente, il est crucial de vérifier la correspondance avec le câblage d’origine de votre véhicule.
Un schéma précis vous permet de connecter chaque fil en toute confiance et de maximiser la performance de votre système audio sans complications. Utilisez les connecteurs standards ou des adaptateurs lorsque nécessaire pour simplifier l’installation et éviter les erreurs de câblage.
Notez que le câblage peut varier légèrement selon les options installées sur votre modèle spécifique de Silverado. Vérifiez toujours les informations de votre manuel d’atelier pour des détails supplémentaires.
Identification des fils de l’alimentation de la radio
Pour identifier correctement les fils de l’alimentation de la radio dans un Chevrolet Silverado 2012, commencez par localiser le faisceau de câbles derrière l’unité principale. Vous trouverez généralement six fils principaux, chacun ayant une fonction spécifique. Voici un guide pour chaque fil :
Fil rouge – Alimentation constante (12V)

Le fil rouge est celui qui assure l’alimentation continue de la radio, même lorsque le véhicule est éteint. Il doit être connecté à une source d’alimentation constante pour maintenir la mémoire de l’unité, comme les préréglages de station et l’heure.
Fil jaune – Alimentation avec contact (12V)
Le fil jaune fournit l’alimentation lorsque le contact est activé. Il est responsable de l’allumage de la radio lorsque le véhicule est démarré ou que la clé de contact est en position « ON ».
Fil noir – Masse (Ground)
Le fil noir sert de connexion à la masse (terre) pour la radio. Il doit être relié à une surface métallique propre du véhicule pour assurer un bon contact électrique.
Fil bleu – Télécommande d’antenne

Le fil bleu est utilisé pour activer l’antenne électrique. Il est généralement relié à un amplificateur d’antenne ou à un dispositif similaire qui améliore la réception du signal radio.
Assurez-vous de vérifier l’intégrité de chaque connexion et de les isoler correctement pour éviter tout court-circuit. Utilisez un testeur de câbles pour valider les tensions et identifier d’éventuels câbles défectueux.
Connexion des fils de haut-parleurs à la radio
Vérifiez d’abord la configuration des fils de votre voiture et assurez-vous d’avoir les bons adaptateurs si nécessaire. Connectez les fils de haut-parleurs en fonction des couleurs correspondantes sur le connecteur de la radio et celui de votre véhicule.
Les couleurs courantes sont les suivantes :
| Couleur du fil | Fonction |
|---|---|
| Rouge | Haut-parleur avant gauche |
| Bleu | Haut-parleur avant droit |
| Vert | Haut-parleur arrière gauche |
| Violet | Haut-parleur arrière droit |
| Noir | Masse |
Il est important de bien isoler chaque fil pour éviter des courts-circuits. Utilisez des connecteurs appropriés et assurez-vous que les fils sont solidement fixés. Vérifiez également la polarité pour garantir une qualité sonore optimale.
Intégration des fils d’antenne et de signal audio

Pour une installation optimale du système audio dans un Chevrolet Silverado 2012, il est crucial de connecter correctement les fils d’antenne et de signal audio. Suivez ces étapes pour assurer un signal clair et une réception sans interférences.
- Identification des fils : Localisez les fils de signal audio et d’antenne dans le faisceau de câblage. Le fil d’antenne est généralement de couleur blanche ou noire, tandis que les fils audio sont souvent codés par couleur, selon le type de sortie (avant, arrière, gauche, droit).
- Connexion à l’antenne : Branchez le câble d’antenne à la prise correspondante sur l’unité principale. Assurez-vous que la connexion est bien sécurisée pour éviter des coupures de signal.
- Connexion audio : Pour connecter les fils audio, utilisez un connecteur compatible avec l’unité centrale. Si vous utilisez un adaptateur, vérifiez qu’il est bien conçu pour votre modèle de radio. Chaque fil doit être raccordé à son emplacement précis pour garantir une qualité sonore optimale.
- Isolation des câbles : Protégez les fils contre les interférences électromagnétiques en utilisant des gaines ou en les séparant des autres câbles d’alimentation ou de données. Une bonne isolation évite la distorsion du son ou la perte de signal.
En vérifiant que chaque connexion est bien réalisée et en isolant correctement les câbles, vous pourrez profiter d’un signal audio clair et d’une réception radio fiable.
Localisation des connecteurs de faisceau spécifiques
Pour repérer les connecteurs de faisceau dans le tableau de bord du Chevrolet Silverado 2012, commencez par identifier les zones proches du système audio. Le faisceau de câblage est généralement situé derrière l’unité radio et peut être accessible après avoir enlevé les panneaux de finition.
Connexion du faisceau au système de radio

Les connecteurs principaux pour la radio sont souvent situés sur la partie arrière de l’unité, dans la zone centrale. Voici quelques étapes pour faciliter la localisation :
- Retirer les vis et clips des panneaux qui couvrent l’unité radio.
- Débrancher l’alimentation principale et les câbles de haut-parleur avant d’accéder aux connecteurs.
- Vérifier les étiquettes sur les connecteurs pour garantir que les câbles sont bien identifiés.
Faisceau d’alimentation et de contrôle
Les connecteurs liés à l’alimentation et aux commandes sont souvent plus difficiles à atteindre. Pour y accéder :
- Localiser le boîtier de fusibles sous le tableau de bord, généralement à proximité du côté conducteur.
- Repérer les fils correspondant à la radio et aux commandes du volant.
Réparation et remplacement du faisceau de câblage
Pour réparer ou remplacer le faisceau de câblage de votre radio Silverado 2012, commencez par localiser l’endroit endommagé. Utilisez un multimètre pour vérifier la continuité des fils. Si des fils sont coupés ou usés, il est préférable de les remplacer entièrement plutôt que de tenter une réparation temporaire. Assurez-vous de couper l’alimentation avant de manipuler les câbles.
Remplacement des câbles endommagés
Coupez le faisceau endommagé à l’endroit où il est défectueux. Retirez les câbles avec soin pour éviter d’endommager les autres composants. Utilisez des câbles de remplacement adaptés à votre modèle. Soudez chaque fil dans l’ordre précis du schéma électrique, en veillant à bien isoler chaque connexion avec de la gaine thermorétractable pour éviter les courts-circuits.
Vérification du bon fonctionnement
Après avoir remplacé le faisceau, vérifiez chaque connexion avec un multimètre pour garantir une bonne conductivité. Restaurez ensuite l’alimentation et testez la radio pour vous assurer que tout fonctionne correctement. Si la radio ne s’allume pas, vérifiez à nouveau toutes les connexions pour vous assurer qu’aucune n’est desserrée ou mal connectée.
Le remplacement ou la réparation du faisceau de câblage doit être fait avec soin pour éviter des dysfonctionnements futurs. Un travail propre et soigné permettra de prolonger la durée de vie de votre radio et d’assurer un son clair et sans interruption.
Vérification de la compatibilité avec les radios de rechange

Avant d’installer une radio de remplacement dans votre Chevrolet Silverado 2012, il est crucial de vérifier plusieurs points pour garantir une compatibilité optimale. Tout d’abord, examinez le type de connecteur sur le faisceau de câblage de la radio d’origine. Si le faisceau ne correspond pas à celui de la nouvelle radio, un adaptateur pourra être nécessaire.
Assurez-vous que la tension et l’impédance de la nouvelle radio sont compatibles avec votre système électrique. Vérifiez aussi les fonctions supplémentaires comme le contrôle au volant ou la connectivité Bluetooth, qui peuvent nécessiter des câbles ou des modules spécifiques. Un modèle universel peut ne pas prendre en charge toutes les fonctionnalités de votre véhicule, ce qui peut limiter l’expérience d’utilisation.
Il est aussi conseillé de consulter le manuel d’installation de la radio de remplacement. Certains modèles requièrent des modifications spécifiques, telles que l’ajout d’un boîtier d’adaptation pour maintenir la compatibilité avec l’antenne ou les fonctions de réglage de l’affichage. De plus, il est souvent recommandé d’utiliser un kit d’installation conçu spécifiquement pour le Silverado 2012 afin de garantir que tout s’adapte sans problème.
Enfin, vérifiez les avis des utilisateurs et les forums spécialisés pour obtenir des retours sur la compatibilité de modèles spécifiques de radios avec votre véhicule. Cela vous aidera à éviter les surprises et à vous assurer que la radio choisie fonctionnera correctement dans votre Silverado.