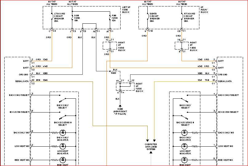
2013 chevy silverado radio wiring diagram

2013 chevy silverado radio wiring diagram

Pour connecter correctement la radio d’une Chevrolet Silverado 2013, il est crucial de suivre le schéma de câblage approprié. Chaque fil a une fonction spécifique, et comprendre les connexions vous évitera des erreurs coûteuses et du temps perdu. Assurez-vous de vérifier les spécifications du modèle de votre véhicule avant de commencer.

Commencez par identifier les câbles d’alimentation, de terre et de haut-parleurs. Le fil d’alimentation principal alimente la radio, tandis que les fils de haut-parleurs sont responsables de la transmission du son. Une attention particulière doit être portée aux fils de commande du volant, qui permettent de contrôler le volume et les fonctions de la radio sans avoir à toucher l’appareil.

Il est également recommandé d’utiliser des connecteurs compatibles pour garantir une installation sécurisée et stable. En cas de doute, consulter un manuel spécifique à votre modèle peut fournir des informations supplémentaires pour une installation réussie.

Schéma de câblage de la radio pour le Chevy Silverado 2013

2013 chevy silverado radio wiring diagram

Pour connecter correctement votre radio dans le Chevy Silverado 2013, il est essentiel de suivre scrupuleusement le schéma de câblage adapté. Voici les étapes clés pour garantir une installation sans erreur.

Connexions principales

  • Alimentation (+12V): Connectez le fil rouge à la borne d’alimentation pour assurer l’alimentation de la radio.
  • Terre (GND): Le fil noir doit être relié à la masse du véhicule.
  • Accès au contact (Ignition): Le fil jaune doit être connecté au contact, permettant d’allumer la radio lorsque le véhicule est démarré.

Connexion des haut-parleurs

  • Haut-parleur avant gauche: Connectez le fil bleu clair à la sortie avant gauche de la radio.
  • Haut-parleur avant droit: Le fil vert va à la sortie avant droite.
  • Haut-parleur arrière gauche: Reliez le fil blanc au connecteur arrière gauche de la radio.
  • Haut-parleur arrière droit: Le fil violet est destiné à l’arrière droit.

Vérifiez toujours deux fois chaque connexion avant de brancher les fils, afin d’éviter toute erreur qui pourrait endommager le système ou nuire à la qualité du son. L’utilisation d’un adaptateur de câblage peut faciliter l’installation si nécessaire. Si vous avez un modèle avec un amplificateur externe, n’oubliez pas de brancher les câbles appropriés à l’entrée de l’amplificateur.

Identification des fils d’alimentation de la radio

Les fils d’alimentation de la radio dans un Chevrolet Silverado 2013 se distinguent généralement par leur couleur et leur fonction spécifique. Le fil rouge est souvent utilisé pour l’alimentation principale (12V) et doit être connecté à un câble d’alimentation constant, garantissant ainsi le bon fonctionnement de la radio même lorsque le moteur est éteint.

Le fil jaune, quant à lui, est destiné à la connexion au circuit d’alimentation avec contact, activé uniquement lorsque le moteur est en marche. Ce fil est essentiel pour activer la radio lorsque le véhicule démarre.

Le fil noir est lié à la mise à la terre. Assurez-vous de bien le connecter à une surface métallique du véhicule, car une mise à la terre correcte est indispensable pour un fonctionnement stable.

Si vous avez un problème d’alimentation, vérifiez toujours ces trois fils. Assurez-vous qu’ils sont bien connectés et non endommagés. Un mauvais branchement ou un fil défectueux peut empêcher la radio de fonctionner correctement.

Connexion de l’antenne pour une réception optimale

2013 chevy silverado radio wiring diagram

Pour garantir une réception claire et stable sur votre radio du Chevrolet Silverado 2013, commencez par connecter correctement l’antenne. Assurez-vous que l’antenne est bien insérée dans son connecteur et qu’il n’y a pas de contact défectueux. Un mauvais branchement peut provoquer des interférences ou une perte de signal.

Il est également crucial de vérifier que le câble de l’antenne n’est pas endommagé. Si vous constatez des signes d’usure, remplacez-le immédiatement pour éviter toute dégradation du signal. Un câble tordu ou coupé affectera la qualité de la réception.

Pour les véhicules équipés d’une antenne intégrée au pare-brise, il est essentiel de s’assurer que le connecteur à l’arrière de la radio est bien en place et que les fils de l’antenne sont bien connectés. Ces connexions doivent être sécurisées pour une transmission optimale du signal.

Si vous avez une antenne extérieure, veillez à ce qu’elle soit orientée de manière optimale. Une installation correcte et une position élevée permettent une meilleure captation des ondes radio.

Branchement des haut-parleurs pour un son clair

2013 chevy silverado radio wiring diagram

Pour obtenir un son clair, commencez par choisir des haut-parleurs de qualité adaptés à votre véhicule. Assurez-vous qu’ils correspondent à la puissance et à l’impédance du système audio de votre Chevrolet Silverado 2013. Utilisez des câbles de haute qualité pour garantir une transmission optimale du signal sans pertes.

Connectez les câbles des haut-parleurs directement aux bornes correspondantes de votre autoradio. Les câbles sont généralement codés par couleur : rouge pour le positif et noir pour le négatif. Si vous avez des haut-parleurs supplémentaires, vérifiez leur câblage en série ou en parallèle selon le type de système audio choisi. Cela influencera la qualité du son et l’équilibre entre les basses et les aigus.

Utilisez un amplificateur pour renforcer le signal sonore si vous avez des haut-parleurs à haute puissance. L’amplificateur doit être compatible avec les caractéristiques électriques de votre véhicule et de vos haut-parleurs. Veillez à ce que le système de câblage respecte les recommandations du fabricant pour éviter les courts-circuits ou les distorsions.

Vérifiez la polarité des connexions. Un branchement incorrect des câbles peut entraîner une perte de qualité sonore, notamment des basses déséquilibrées ou une faible clarté des voix. Faites attention à bien connecter le fil positif du haut-parleur au terminal positif de l’autoradio.

Composant Connexion Recommandation
Haut-parleur Positif (rouge) et Négatif (noir) Assurez-vous de connecter correctement la polarité pour éviter les distorsions
Amplificateur Sortie vers haut-parleur Vérifiez les spécifications de puissance et d’impédance avant branchement
Autoradio Sortie audio Utilisez des câbles de haute qualité pour éviter la perte de signal

Enfin, testez chaque haut-parleur après l’installation pour vous assurer de la qualité du son. Ajustez les réglages de l’égaliseur pour affiner le son et obtenir un résultat optimal sans distorsion.

Gestion des câbles de commande du volant

Pour assurer une bonne gestion des câbles de commande du volant dans le Chevrolet Silverado 2013, commencez par vérifier la connectique au niveau du boîtier de commande du volant. Assurez-vous que les câbles sont correctement fixés et non endommagés. L’un des principaux câbles à surveiller est celui reliant le volant à l’unité de commande du véhicule.

Identification des câbles

Les câbles de commande du volant doivent être distinctement identifiés pour éviter toute confusion. Ils sont généralement codés par couleur ou étiquetés avec des repères spécifiques. Par exemple, un câble de commande de volume aura une couleur différente de celui utilisé pour changer de station radio. Si ces câbles sont mal connectés, le système de commande du volant peut ne pas répondre correctement.

Vérification de l’intégrité des câbles

Inspectez régulièrement l’intégrité des câbles pour détecter toute usure ou dégradation. Les câbles endommagés peuvent entraîner des dysfonctionnements du système de commande du volant. Si vous constatez des fissures ou des coupures, remplacez immédiatement les câbles pour éviter d’autres problèmes.

Installation de l’interface pour le système audio d’origine

Pour installer l’interface, commencez par déconnecter la batterie du véhicule pour éviter tout court-circuit pendant l’installation. Localisez le faisceau de câblage de l’autoradio d’origine. En général, il se trouve derrière le panneau central du tableau de bord. Utilisez un tournevis pour retirer les vis et accéder au compartiment du système audio.

Une fois l’accès ouvert, déconnectez l’autoradio en enlevant les connecteurs et câbles qui y sont reliés. Branchez ensuite l’interface entre les câbles du véhicule et ceux du nouvel autoradio. Assurez-vous que tous les câbles sont bien insérés dans leurs connecteurs respectifs pour garantir une bonne connexion.

Vérifiez les fonctions principales, telles que l’alimentation, l’audio et le contrôle du volume, après avoir connecté l’interface. Si tout est correctement branché, vous pouvez remettre le panneau en place et tester le système audio. Avant de tout refermer, allumez le véhicule pour vérifier que l’interface fonctionne parfaitement avec le nouvel autoradio.

Conseil supplémentaire: Si l’interface comprend des réglages pour les haut-parleurs ou des fonctions supplémentaires comme Bluetooth ou USB, assurez-vous d’activer et tester ces fonctionnalités avant de finaliser l’installation. Cela garantira que tout fonctionne correctement avant de remettre le véhicule en état.

Résolution des problèmes courants de connexion de la radio

Vérifiez d’abord les connexions des câbles. Assurez-vous que tous les fils sont correctement branchés, en particulier les câbles d’alimentation et de terre. Un câble mal connecté peut entraîner des problèmes d’alimentation ou des coupures de son.

1. Aucun son ou coupures fréquentes

Si le son est absent ou intermittent, vérifiez l’état des câbles d’antenne. Une antenne défectueuse ou mal connectée peut affecter la réception et causer des problèmes audio. Testez également les fils de haut-parleur pour détecter tout dommage ou déconnexion.

2. Problèmes d’alimentation

Un problème d’alimentation peut résulter d’un fusible grillé ou d’un mauvais branchement des câbles d’alimentation. Si la radio ne s’allume pas, inspectez le fusible et remplacez-le si nécessaire. Vérifiez également la prise de connexion pour tout faux contact.

3. Problèmes de rétroéclairage

2013 chevy silverado radio wiring diagram

Si l’écran de la radio ne s’allume pas, mais que le son fonctionne, il est possible que le câble de rétroéclairage soit déconnecté ou endommagé. Testez la connexion de ce câble et assurez-vous qu’il est bien branché à l’arrière de l’appareil.

4. Connexion Bluetooth instable

2013 chevy silverado radio wiring diagram

Pour résoudre les problèmes de connexion Bluetooth, désactivez et réactivez le Bluetooth sur la radio et sur votre téléphone. Vérifiez que votre téléphone est à portée et qu’aucun autre appareil n’interfère avec la connexion.

5. Problèmes de lecteur CD ou USB

Si la radio ne reconnaît pas les CD ou les périphériques USB, vérifiez le bon fonctionnement de ces supports. Essayez un autre CD ou un autre câble USB pour tester la compatibilité. Si nécessaire, nettoyez les connecteurs des périphériques.

En suivant ces étapes, vous pourrez résoudre la plupart des problèmes de connexion courants de la radio de votre Chevy Silverado 2013.