
Lorsque vous travaillez sur le câblage de la radio d’un Jeep Compass 2016, il est essentiel de comprendre les connexions spécifiques pour éviter des erreurs. Le schéma de câblage vous guide à travers chaque étape, de l’antenne à la source d’alimentation. Ce guide vous permet de savoir exactement où chaque fil doit être connecté pour une installation correcte.
Le fil d’alimentation principal se connecte directement à la batterie, tandis que les câbles de haut-parleurs sont liés aux sorties correspondantes de l’unité centrale. Il est essentiel de vérifier chaque connexion avant de remettre sous tension, pour assurer que tout fonctionne correctement et en toute sécurité. Veillez également à respecter les codes de couleur pour faciliter l’identification de chaque fil.
Pour un câblage précis, suivez les étapes en utilisant le diagramme fourni. Cela vous aidera à effectuer l’installation sans rencontrer de problèmes liés à des erreurs de câblage. Prenez le temps de bien vérifier chaque connexion avant d’allumer le système, et assurez-vous que tous les fils sont bien isolés pour éviter tout court-circuit.
En suivant ce schéma de câblage, vous garantissez une installation stable et sécurisée de la radio de votre Jeep Compass 2016. Ne sous-estimez pas l’importance de chaque détail, car une connexion incorrecte peut entraîner des dysfonctionnements du système audio.
Schéma de câblage du radio Jeep Compass 2016

Pour installer ou réparer le système audio de votre Jeep Compass 2016, il est crucial de connaître le câblage correct. Commencez par identifier les fils d’alimentation, de terre et d’antenne. Le fil d’alimentation principal (généralement rouge) doit être connecté à une source de 12V. Le fil de terre (noir) se fixe à une partie métallique du véhicule pour assurer un bon retour à la masse.
Les fils d’enceintes sont généralement étiquetés en fonction de leur position (avant gauche, arrière droit, etc.). Utilisez un testeur de continuité pour vérifier la connexion correcte des câbles aux haut-parleurs. Assurez-vous de bien isoler les fils inutilisés pour éviter les courts-circuits. Pour l’antenne, le câble spécifique est souvent un fil coaxial qui doit être branché dans le connecteur dédié du récepteur.
Si vous remplacez le radio d’origine, vous aurez peut-être besoin d’un adaptateur pour connecter correctement les fils aux nouveaux ports. Certains modèles Jeep Compass 2016 nécessitent également des modifications sur le câblage d’interface pour intégrer des fonctionnalités comme Bluetooth ou commandes au volant.
Enfin, vérifiez toujours que tous les câblages sont bien fixés avant de remettre en place le tableau de bord, afin d’éviter tout problème de connexion lors de la mise sous tension du véhicule.
Identification des câbles de connexion du système audio

Pour identifier correctement les câbles de connexion du système audio de votre Jeep Compass 2016, commencez par localiser le connecteur principal derrière le panneau de la radio. Ce connecteur est généralement composé de plusieurs câbles de couleurs différentes, chacun ayant une fonction spécifique.
Couleurs des câbles et leurs fonctions
Les câbles de l’alimentation sont souvent rouges (positif) et noirs (négatif). Les câbles d’alimentation pour le haut-parleur sont généralement de couleur bleue ou blanche pour l’avant, et verte ou jaune pour l’arrière. Les câbles de signal audio, en revanche, peuvent être signalés par des couleurs comme le gris ou le violet.
Vérification des câbles supplémentaires
Si votre véhicule est équipé d’un système audio avec une fonction de commande au volant, vous trouverez également des câbles supplémentaires pour cette fonctionnalité. Ces câbles sont souvent fins et de couleur orange ou verte, et sont utilisés pour transmettre des signaux de commande entre la radio et le volant.
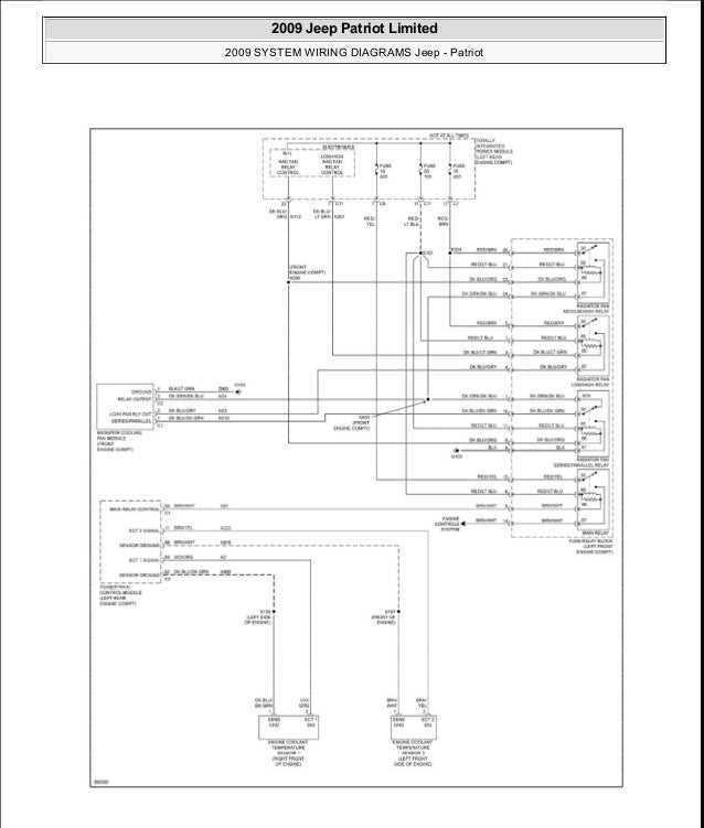
Comment localiser le bloc de fusibles et les câbles d’alimentation
Le bloc de fusibles du Jeep Compass 2016 se trouve généralement sous le tableau de bord, du côté conducteur. Pour y accéder, retirez le panneau en plastique situé près des pédales. Une fois enlevé, vous verrez une série de fusibles organisés dans un boîtier. Vérifiez les étiquettes pour identifier les fusibles spécifiques aux fonctions de l’autoradio.
Les câbles d’alimentation de l’autoradio se trouvent également dans cette zone. Cherchez les fils rouges et jaunes, qui sont souvent utilisés pour l’alimentation et la mémoire. Vous pouvez suivre ces câbles jusqu’à leur connexion au faisceau principal pour repérer les points d’alimentation. Utilisez un multimètre pour vérifier la présence de tension si nécessaire.
Assurez-vous de débrancher la batterie avant de manipuler les câbles ou de retirer les fusibles pour éviter tout court-circuit ou dommage au système électrique.
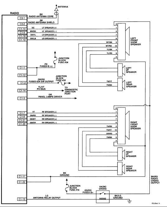
Représentation des connexions pour l’antenne et l’amplificateur
Pour connecter correctement l’antenne et l’amplificateur sur un Jeep Compass 2016, suivez les étapes ci-dessous. La qualité de la réception radio dépend largement de ces connexions.
Connexion de l’antenne

- Localisez le câble d’antenne à l’arrière du poste radio. Il se présente généralement sous la forme d’un connecteur coaxial.
- Insérez le câble d’antenne dans le port prévu à cet effet sur l’unité radio. Vérifiez qu’il est bien connecté pour éviter toute perte de signal.
- Assurez-vous que l’antenne est correctement fixée sur la carrosserie du véhicule pour assurer une réception optimale.
Connexion de l’amplificateur
- Repérez le connecteur d’alimentation de l’amplificateur situé sur le câblage principal de la radio. Ce connecteur est généralement de type 4 pins.
- Connectez le câble de l’amplificateur au port dédié sur la radio. Cette connexion est essentielle pour amplifier le signal de l’antenne.
- Vérifiez la connexion du câble de mise à la terre de l’amplificateur. Une mise à la terre correcte est nécessaire pour éviter des interférences électriques.
Ces connexions assurent que l’antenne et l’amplificateur fonctionnent correctement ensemble, offrant ainsi une réception de signal de qualité sur votre Jeep Compass.
Étapes de déconnexion et de reconnecter le fil du panneau de commande
Pour déconnecter et reconnecter le fil du panneau de commande, commencez par couper l’alimentation du véhicule. Cela empêche toute tension résiduelle qui pourrait entraîner des risques électriques.
Déconnexion du fil
Localisez le connecteur du panneau de commande. À l’aide d’un petit tournevis, appuyez sur les languettes de verrouillage pour libérer le connecteur. Une fois déverrouillé, tirez doucement le connecteur pour le retirer de son emplacement. Assurez-vous de ne pas forcer le retrait afin d’éviter d’endommager le câble ou le connecteur.
Reconnecter le fil
Avant de reconnecter, vérifiez les broches du connecteur pour vous assurer qu’elles ne sont pas corrodées ou endommagées. Alignez soigneusement le connecteur avec son emplacement d’origine et enfoncez-le jusqu’à ce que vous entendiez un clic, indiquant que la connexion est sécurisée. Vérifiez à nouveau la connexion pour garantir une fixation correcte avant de rétablir l’alimentation.
Conseils pour remplacer le câblage du système audio sans erreur
Vérifiez d’abord la configuration du système audio de votre véhicule et identifiez les connexions des fils avant de commencer toute manipulation. Prenez des photos ou notez les couleurs et l’emplacement des câbles existants pour faciliter la réinstallation. Assurez-vous de couper l’alimentation du véhicule avant de toucher aux fils afin d’éviter tout court-circuit.
Utilisez des outils adaptés pour débrancher les câbles et éviter d’endommager les connecteurs. Si le câble d’origine est endommagé, remplacez-le par un câble de qualité équivalente pour assurer une bonne conductivité et éviter des problèmes à long terme. Veillez à bien isoler les câbles pour prévenir toute interférence avec d’autres composants du véhicule.
Avant de brancher le nouveau câblage, vérifiez que chaque connecteur est propre et en bon état. Les connexions mal réalisées peuvent entraîner des dysfonctionnements. Utilisez des connecteurs de qualité et vérifiez qu’ils sont bien fixés pour garantir la stabilité du signal audio. Faites attention à la polarité des câbles pour éviter toute inversion de signal.
Testez le système audio avant de remettre en place tous les composants pour vous assurer que tout fonctionne correctement. Si le son est faible ou déformé, revérifiez les connexions et ajustez si nécessaire.
Solution aux problèmes fréquents de câblage radio dans le Jeep Compass 2016
Pour résoudre les problèmes de câblage radio sur le Jeep Compass 2016, il est crucial de vérifier d’abord la connexion des fils d’alimentation et de terre. Un câblage défectueux ou mal connecté peut entraîner des interruptions de signal ou des dysfonctionnements de l’appareil.
Assurez-vous que les fils sont bien fixés et qu’il n’y a pas de court-circuit. Vérifiez également le fusible lié au système audio et remplacez-le si nécessaire. Un fusible grillé peut couper l’alimentation de la radio, empêchant ainsi son fonctionnement.
Si la radio reste muette malgré les vérifications de base, l’étape suivante consiste à inspecter les connexions derrière l’unité de la radio. Parfois, un mauvais branchement des câbles de l’antenne ou des connecteurs audio peut perturber le son.
| Problème | Solution |
|---|---|
| Pas de son | Vérifiez les câbles d’alimentation et de terre. Inspectez les connexions de l’antenne et des câbles audio. |
| Signal radio faible | Examinez les câbles d’antenne pour des dommages et remplacez si nécessaire. |
| Affichage défectueux | Assurez-vous que le câble de connexion à l’écran est correctement installé. Remplacez les fils défectueux. |
Une fois ces vérifications effectuées, vous pouvez redémarrer le véhicule et tester le système audio pour confirmer que les problèmes sont résolus.