
Si vous cherchez à réparer ou à remplacer le système audio de votre Jeep Cherokee 96, un schéma de câblage précis vous simplifiera grandement la tâche. Chaque connecteur et chaque fil doit être correctement raccordé pour éviter tout dysfonctionnement de l’unité centrale. En suivant les instructions étape par étape, vous pourrez connecter facilement les fils de l’autoradio sans craindre des erreurs qui pourraient entraîner des courts-circuits ou des dommages au véhicule.
Les fils les plus importants à identifier sont ceux de l’alimentation, du signal de mise sous tension et de la masse. Pour l’alimentation, assurez-vous que le fil rouge est connecté à la source d’alimentation, tandis que le fil noir doit aller à la masse. Le fil jaune, en revanche, est utilisé pour conserver les réglages de l’autoradio même après avoir éteint le véhicule. Identifiez également les fils de haut-parleur afin d’assurer une qualité sonore optimale en les raccordant correctement aux sorties audio de votre autoradio.
Veillez à couper le contact avant de procéder à toute manipulation. Pour chaque connexion, vérifiez deux fois l’emplacement du câble et utilisez des connecteurs adaptés afin de garantir une connexion solide et sécurisée. Si vous avez des doutes, n’hésitez pas à consulter des schémas supplémentaires ou à demander l’avis d’un expert. Un câblage correct assurera non seulement le bon fonctionnement de votre radio, mais aussi la sécurité de votre véhicule.
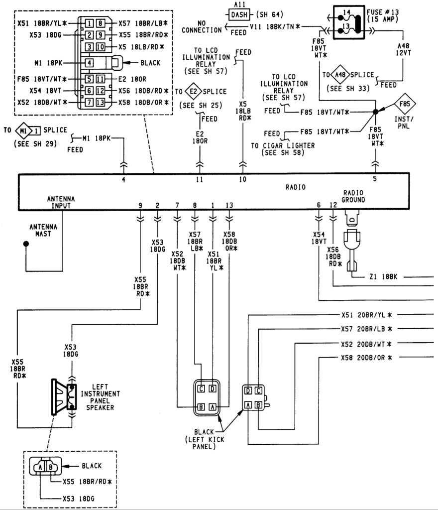
Schéma de câblage de la radio pour Jeep Cherokee 96

Pour installer ou remplacer la radio d’un Jeep Cherokee 96, il est essentiel de bien comprendre les connexions nécessaires. Voici un aperçu des fils à connecter et de leurs fonctions.
Connexion des fils d’alimentation
- Alimentation principale (12V) : Connectez le fil d’alimentation à la borne rouge de la radio.
- Fil de masse : Reliez le fil de masse à la borne noire de la radio pour assurer un bon retour de courant.
- Allumage (accessoire) : Utilisez le fil jaune pour relier la radio à l’allumage, permettant à l’appareil de s’allumer avec le contact.
Connexion des haut-parleurs
- Avant gauche : Connectez le fil vert pour le haut-parleur avant gauche.
- Avant droit : Le fil gris sera utilisé pour le haut-parleur avant droit.
- Arrière gauche : Le fil bleu clair correspond au haut-parleur arrière gauche.
- Arrière droit : Le fil bleu est destiné au haut-parleur arrière droit.
Une fois les connexions terminées, vérifiez soigneusement que chaque fil est bien connecté et sécurisez la radio dans son emplacement pour éviter tout court-circuit ou mauvaise connexion. Cela garantira un fonctionnement optimal de votre système audio.
Identification des fils d’alimentation et de masse
Pour identifier correctement les fils d’alimentation et de masse dans le câblage du système audio de votre Jeep Cherokee 1996, commencez par localiser le faisceau de câbles derrière l’unité principale. Les fils d’alimentation sont généralement de couleur rouge, tandis que les fils de masse sont souvent noirs.
Alimentation
Le fil d’alimentation fournit le courant nécessaire pour faire fonctionner l’appareil. Il est habituellement rouge et doit être connecté à une source d’alimentation constante, comme la batterie. Vérifiez que ce fil est correctement connecté à une borne d’alimentation fiable pour assurer un fonctionnement stable de l’appareil.
Masse
Le fil de masse, en revanche, est généralement noir. Il doit être connecté à une partie métallique du véhicule, comme le châssis, afin de permettre le bon écoulement du courant. Assurez-vous que la connexion est propre et solide pour éviter des problèmes de mauvaise mise à la terre qui pourraient affecter les performances de l’autoradio.
Vérifiez toujours les connexions avec un multimètre pour confirmer la continuité et éviter toute déconnexion accidentelle qui pourrait perturber l’alimentation ou la masse de l’appareil.
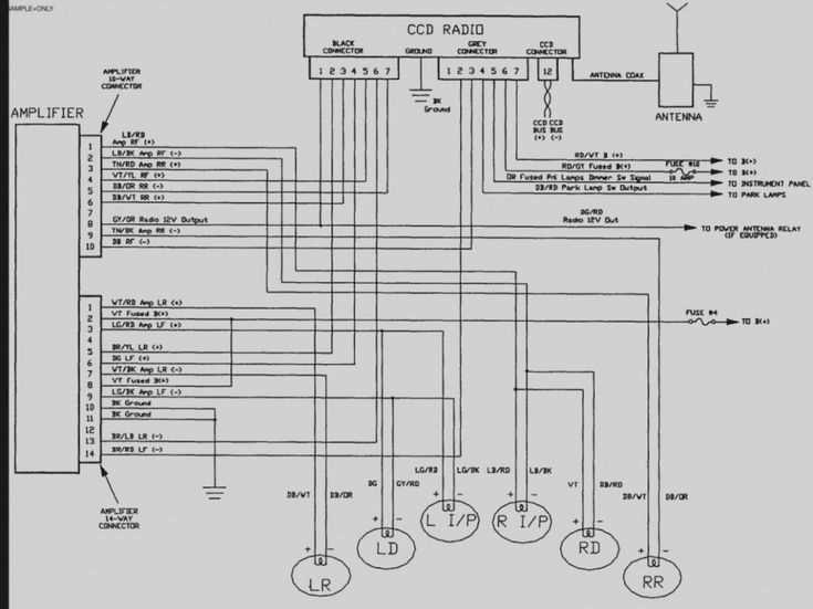
Connexions des haut-parleurs : câblage et configuration

Pour connecter correctement les haut-parleurs dans un Jeep Cherokee 96, il est crucial de suivre les bonnes étapes de câblage afin d’éviter toute interférence ou perte de qualité sonore.
Identification des câbles des haut-parleurs
Commencez par localiser les fils d’entrée des haut-parleurs. Ils se trouvent généralement dans la zone du tableau de bord, près de l’autoradio. Identifiez les couleurs des câbles pour chaque canal : généralement, le rouge est associé au haut-parleur droit et le noir au gauche. Veillez à ce que chaque câble soit solidement connecté au bon terminal du haut-parleur.
Configuration du câblage
Lors de la configuration, assurez-vous que les câbles d’alimentation (généralement en rouge) sont bien connectés à la sortie audio appropriée de l’unité principale. Pour un son optimal, respectez la polarité : connectez le câble positif du haut-parleur au terminal positif de l’autoradio, et le câble négatif au terminal négatif. Cela permet de prévenir les distorsions sonores et de garantir une qualité de son parfaite.
Astuce : Utilisez des connecteurs adaptés pour chaque type de câble afin de maintenir une connexion solide et éviter l’usure prématurée des fils.
Installation de la radio : étapes spécifiques pour un modèle 96
Débranchez la batterie pour éviter tout risque de court-circuit pendant l’installation. Retirez les vis qui maintiennent le panneau de la console centrale et enlevez-le doucement pour accéder à la zone de la radio. Vous devrez déconnecter l’ancienne radio en retirant les vis qui la maintiennent en place. Utilisez un outil pour débrancher les câbles d’alimentation et de son de l’unité existante.
Connexion des câbles de l’unité principale
Branchez les câbles appropriés à la nouvelle radio. Vous devrez connecter les fils d’alimentation, les fils de haut-parleur et les fils d’antenne. Vérifiez chaque connexion avant de les insérer dans les prises correspondantes. Assurez-vous que chaque connexion est bien fixée pour éviter toute déconnexion pendant l’utilisation.
Installation et fixation de la nouvelle radio
Placez soigneusement la nouvelle radio dans le logement prévu à cet effet. Fixez-la à l’aide des vis fournies dans le kit d’installation. Assurez-vous qu’elle est bien en place et stable avant de la connecter définitivement.
| Connexion | Couleur du fil | Fonction |
|---|---|---|
| Alimentation + | Rouge | Alimentation principale |
| Alimentation – | Noir | Masse |
| Haut-parleur gauche | Blanc | Canal gauche |
| Haut-parleur droit | Gris | Canal droit |
| Antennes | Bleu | Connexion de l’antenne |
Testez l’unité avant de remettre le panneau en place. Assurez-vous que la radio fonctionne correctement, que le son est clair et que toutes les connexions sont bien établies. Une fois que vous avez vérifié le bon fonctionnement, replacez le panneau de la console centrale et vissez-le fermement. Branchez la batterie, et vous avez terminé l’installation !
Réparation des problèmes courants de câblage de la radio
Pour résoudre les problèmes de câblage de la radio dans un Jeep Cherokee 96, commencez par vérifier les connexions électriques. Assurez-vous que tous les fils sont correctement fixés et qu’aucune connexion n’est corrodée. Utilisez un multimètre pour tester la continuité du câblage. Si un fil est coupé, remplacez-le immédiatement pour éviter toute perte de signal.
Problèmes de son faible ou absent
Un son faible peut indiquer une mauvaise connexion au niveau de l’antenne ou un câble audio défectueux. Vérifiez que l’antenne est bien connectée et que les câbles ne sont pas usés ou cassés. Si l’antenne est intacte, testez le câble audio en remplaçant temporairement la prise pour voir si le son s’améliore.
Problèmes de mise sous tension
Si la radio ne s’allume pas, commencez par tester l’alimentation. Vérifiez le fusible correspondant et remplacez-le s’il est grillé. Si le fusible est en bon état, examinez les fils d’alimentation pour détecter tout signe d’usure ou de déconnexion. Les connecteurs de l’alimentation doivent être solides et exempts de corrosion pour garantir une bonne circulation du courant.
Optimisation de la qualité sonore après l’installation
Pour améliorer la qualité sonore de votre système audio, commencez par vérifier l’emplacement des haut-parleurs. Placez-les à des endroits stratégiques pour éviter la distorsion et maximiser la répartition du son. Par exemple, les haut-parleurs avant doivent être proches des portes, tandis que ceux à l’arrière doivent être orientés vers les sièges.
Ajustement des fréquences

Une fois les haut-parleurs installés, réglez les fréquences de coupure du filtre actif ou passif. Ajustez la fréquence des basses pour éviter une surcharge des basses qui peut nuire à la clarté du son. Les aigus doivent être nets mais non trop présents. Un réglage précis permet d’éviter une fatigue auditive pendant les longs trajets.
Amélioration de l’alimentation électrique
Un autre facteur crucial est la gestion de l’alimentation électrique. Veillez à ce que le câblage soit bien isolé et à ce que l’amplificateur soit alimenté de manière stable. L’usage d’un câble de qualité et l’ajout d’un condensateur de filtre peuvent réduire le bruit électrique et améliorer la clarté sonore.
En dernier lieu, l’utilisation de matériaux d’isolation phonique dans l’habitacle réduit les résonances indésirables et améliore l’acoustique globale du véhicule. Les panneaux de portes, le plancher et le toit peuvent être renforcés pour absorber les vibrations et garantir une meilleure qualité sonore. Cela permet de profiter d’une expérience audio plus agréable et précise.
Conseils pour l’intégration de systèmes audio après-vente

Assurez-vous de choisir un autoradio compatible avec le modèle de votre Jeep Cherokee 96 pour éviter des complications lors de l’installation. Vérifiez que les connecteurs de votre véhicule correspondent à ceux de l’appareil, ou utilisez un faisceau de câblage adapté pour garantir une connexion propre et sûre.
Utilisation de kits d’adaptation
Optez pour des kits d’adaptation de qualité qui permettent de relier facilement votre nouveau système audio aux connecteurs d’origine du véhicule. Ces kits évitent la nécessité de couper ou de modifier les câblages existants, ce qui simplifie l’installation et préserve l’intégrité du câblage d’origine.
Optimisation de l’alimentation électrique
Lorsque vous installez des haut-parleurs ou un amplificateur supplémentaire, assurez-vous que l’alimentation est suffisante pour éviter des baisses de performance ou des risques de court-circuit. Vérifiez la capacité de la batterie et envisagez d’installer un condensateur si nécessaire pour maintenir une alimentation stable, surtout si vous ajoutez des composants à haute consommation.