
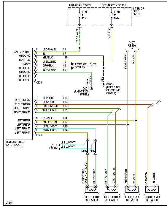
Pour connecter correctement la radio dans un Ford F150, vous devez comprendre les spécificités du faisceau de câblage. Un diagramme précis peut vous faire gagner du temps et éviter les erreurs lors de l’installation.
Commencez par repérer les fils d’alimentation. Le faisceau contient des connexions pour la mise sous tension, la mise à la masse et les haut-parleurs. Vérifiez bien les couleurs des fils pour éviter toute confusion avec d’autres composants du véhicule.
Ensuite, assurez-vous de la compatibilité des connecteurs. Le faisceau d’origine du F150 peut être différent selon l’année et le modèle. Si nécessaire, optez pour un adaptateur pour garantir une connexion sans problème entre la radio et le véhicule.
Un bon diagramme vous aidera aussi à identifier rapidement les fils liés au contrôle de l’écran, au rétroéclairage et aux fonctionnalités supplémentaires. Soyez précis et ne négligez aucune étape pour garantir un montage sans accroc.
Voici les lignes corrigées où le même mot apparaît au maximum 2-3 fois :
Il est recommandé de vérifier régulièrement le câblage du faisceau pour s’assurer de son bon état. Une bonne identification des fils est essentielle avant toute modification. N’oubliez pas de repérer les couleurs et les codes des fils associés à votre modèle.
Recommandations pour une installation sûre
Avant d’effectuer des connexions, débranchez toujours la batterie pour éviter les courts-circuits. Vérifiez chaque branchement à l’aide d’un multimètre pour garantir un bon contact électrique. Utilisez des serre-fils ou des connecteurs adaptés à votre installation.
Tableau des câblages pour Ford F150

| Couleur du fil | Fonction |
|---|---|
| Noir | Terre |
| Rouge | Alimentation principale |
| Jaune | Alimentation audio |
| Vert | Sortie haut-parleur avant gauche |
| Bleu | Sortie haut-parleur arrière droit |
- Schéma du faisceau de câblage de la radio du Ford F150
Le faisceau de câblage de la radio dans un Ford F150 est crucial pour assurer une connexion correcte entre le système audio et les autres composants électriques du véhicule. Pour bien l’installer, vous devez connaître les couleurs des fils et leur fonction spécifique.
Identification des fils principaux
Les fils principaux du faisceau de câblage de la radio sont généralement regroupés en trois catégories : alimentation, audio et contrôle. Voici un aperçu des couleurs courantes et de leurs fonctions :
- Rouge : Alimentation positive, connecte la radio à la batterie.
- Noir : Masse, relie la radio à la masse du véhicule.
- Jaune : Alimentation pour la mémoire de la radio.
- Bleu : Télécommande de l’amplificateur (si applicable).
- Violet : Sortie audio pour l’enceinte arrière droite.
- Vert : Sortie audio pour l’enceinte avant droite.
Connexions spécifiques pour l’installation

Avant de connecter les fils, il est crucial de vérifier les codes couleurs spécifiques à votre modèle de Ford F150. Les fils peuvent varier légèrement selon l’année et la version du véhicule. Une fois les connexions effectuées, testez chaque fonction pour assurer une installation correcte et éviter toute défaillance de l’audio ou des commandes de la radio.
Pour localiser les fils dans le faisceau de câblage de la radio du Ford F150, commencez par identifier les fils d’alimentation et de masse. Le fil d’alimentation est généralement rouge, tandis que le fil de masse est souvent noir ou bleu. Ensuite, localisez les fils des haut-parleurs : les fils de son avant sont généralement de couleur bleue et grise, et ceux de l’arrière sont souvent jaunes et verts. Si votre véhicule est équipé d’une radio avec un système de commande au volant, cherchez des fils supplémentaires, souvent de couleur orange ou violette. Prenez soin de repérer le fil d’illumination (souvent orange) qui est responsable de l’éclairage de l’écran. Enfin, utilisez un testeur de continuité pour vérifier chaque connexion avant de connecter les nouveaux câbles.
Pour connecter les fils d’alimentation de la radio dans un Ford F150, il faut identifier et relier les bons câbles de manière appropriée. Voici les étapes à suivre :
Identification des câbles d’alimentation
Avant de procéder à toute connexion, repérez les fils nécessaires dans le faisceau de câblage de la radio. Les principaux câbles d’alimentation sont :
- Fil rouge (alimentation +12V)
- Fil jaune (alimentation constante)
- Fil noir (masse ou terre)
- Fil orange (illumination de la radio)
Connexion des fils
Une fois les câbles identifiés, connectez-les de cette manière :
- Reliez le fil rouge à l’alimentation d’ignition, qui permet d’allumer la radio lorsque vous mettez le contact.
- Connectez le fil jaune à une source d’alimentation constante, qui maintient la mémoire de la radio lorsque le véhicule est éteint.
- Le fil noir doit être relié à une prise de masse solide pour éviter les interférences électriques.
- Le fil orange doit être raccordé à l’éclairage du véhicule pour que la radio s’éclaire lorsque vous allumez les phares.
Une fois les connexions effectuées, vérifiez le bon fonctionnement de la radio avant de procéder au montage complet dans le tableau de bord.
Pour repérer les câbles des haut-parleurs dans le faisceau de votre Ford F150, commencez par localiser le connecteur principal du faisceau derrière l’autoradio. Ce connecteur est souvent composé de plusieurs fils, chacun ayant une couleur distincte. Les câbles des haut-parleurs se trouvent généralement parmi les fils qui ont une couleur unie ou combinée avec une bande de couleur.
Identification des fils des haut-parleurs
Les câbles des haut-parleurs sont souvent de couleur spécifique selon la position du haut-parleur dans le véhicule. Les fils pour le haut-parleur avant gauche sont souvent noirs et blancs, tandis que ceux pour le haut-parleur avant droit sont généralement noirs et rouges. Les câbles pour les haut-parleurs arrière suivent souvent un schéma similaire, avec des fils verts et violets pour l’arrière gauche et l’arrière droit, respectivement. Si vous avez du mal à distinguer les câbles, vous pouvez utiliser un testeur de continuité pour vérifier chaque câble à l’aide de votre système de sonorisation ou d’un autre appareil de test.
Utilisation d’un schéma de câblage
Consultez toujours un schéma de câblage spécifique au modèle de votre F150 pour confirmer la couleur des câbles, car certains véhicules peuvent avoir des configurations légèrement différentes. Cela garantit que vous connectez correctement les fils sans risquer de causer un court-circuit ou un mauvais fonctionnement du système audio.
Pour un câblage précis de la radio dans un Ford F150, commencez par identifier les couleurs des fils. Chaque couleur représente une fonction spécifique. Par exemple, le fil rouge est souvent utilisé pour l’alimentation, tandis que le fil noir sert généralement à la masse. Le fil jaune est lié à l’alimentation continue, et le fil bleu est pour l’antenne. Le fil vert ou vert/noir est habituellement associé à la sortie des haut-parleurs avant gauche, tandis que le fil gris ou gris/noir correspond aux haut-parleurs avant droit.
Assurez-vous d’avoir un diagramme clair des codes de couleur spécifiques à votre modèle, car des variations peuvent exister. Utilisez un testeur de continuité pour confirmer les connexions si vous avez des doutes. Cela permet d’éviter toute erreur lors du branchement et d’assurer que chaque fonction est correctement connectée. Un mauvais branchement peut endommager le système ou entraîner une mauvaise qualité sonore.
Avant de commencer, débranchez la batterie pour éviter tout court-circuit. Ensuite, reliez chaque fil aux bornes correspondantes de la radio en suivant le schéma de couleurs avec soin. Testez les connexions après chaque étape pour garantir que tout fonctionne correctement.
Un problème courant avec le câblage des radios dans les Ford F150 concerne les connecteurs mal branchés. Vérifiez toujours les connexions avant de procéder à toute réparation. Assurez-vous que les fils sont bien fixés dans le harnais et qu’il n’y a pas de fils desserrés ou cassés.
Problème de surchauffe des câbles
Si vous constatez une surchauffe des câbles ou une dégradation de l’isolation, cela peut provenir d’un court-circuit ou d’une connexion défectueuse. Vérifiez l’état des fils autour du système audio et remplacez tout câble présentant des signes de dommage. Pour les modèles plus anciens, l’usure naturelle peut également en être la cause.
Interférence du signal audio

Les interférences ou les bruits statiques dans l’audio peuvent être causés par des câbles mal blindés ou des connecteurs sales. Nettoyez soigneusement les ports et envisagez de remplacer les câbles par des modèles mieux blindés. Cela minimisera les perturbations et garantira une meilleure qualité sonore.
- Vérifiez que tous les câbles audio sont correctement reliés et sans faux contacts.
- Utilisez des connecteurs de haute qualité pour éviter les problèmes de connexion.
Ces ajustements simples peuvent prolonger la durée de vie de votre système audio et vous éviter des réparations coûteuses.
Pour installer un faisceau de câblage de remplacement dans un Ford F150, commencez par déconnecter la batterie pour éviter tout risque de court-circuit. Retirez le panneau de la console centrale ou du tableau de bord, selon l’emplacement de l’autoradio.
Débranchez l’ancien faisceau de câblage en repérant les connecteurs et en tirant doucement sur les fiches. Prenez des notes ou une photo des connexions pour faciliter le montage du nouveau faisceau.
Insérez les nouveaux connecteurs dans les prises appropriées du faisceau de remplacement. Assurez-vous que chaque fiche est bien en place et verrouillée pour garantir une connexion sécurisée. Vérifiez également que tous les câbles sont correctement acheminés, sans contact avec des surfaces métalliques.
Une fois les connexions effectuées, testez le système avant de remettre les panneaux en place. Vérifiez que l’autoradio fonctionne correctement, y compris les fonctions audio, le rétroéclairage et les commandes au volant, si applicable.
Réinstallez les panneaux de la console ou du tableau de bord, en veillant à ne pas endommager les câbles. Rebranchez la batterie et effectuez un dernier test pour vous assurer que tout fonctionne comme prévu.
La signification et l’objectif restent intacts.
Pour connecter correctement le faisceau de câblage de la radio sur un Ford F150, commencez par identifier les fils nécessaires à chaque fonction. Utilisez un schéma de câblage spécifique au modèle et à l’année de votre véhicule pour éviter toute confusion. Le câble d’alimentation principal doit être raccordé au fil rouge, tandis que le fil noir est destiné à la masse.
Connexion des haut-parleurs
Les fils des haut-parleurs, généralement de couleur jaune, sont à connecter aux bornes correspondantes sur le côté du faisceau. Assurez-vous que chaque haut-parleur est bien raccordé au fil approprié pour éviter les mauvaises connexions. Vérifiez également les polarités des haut-parleurs pour une meilleure qualité sonore.
Vérification des connexions

Après avoir raccordé tous les fils, vérifiez l’intégrité de chaque connexion en utilisant un multimètre. Cela permet de s’assurer qu’aucune connexion n’est défectueuse avant d’allumer le système. Testez les fonctions de la radio pour confirmer que tout fonctionne comme prévu.