
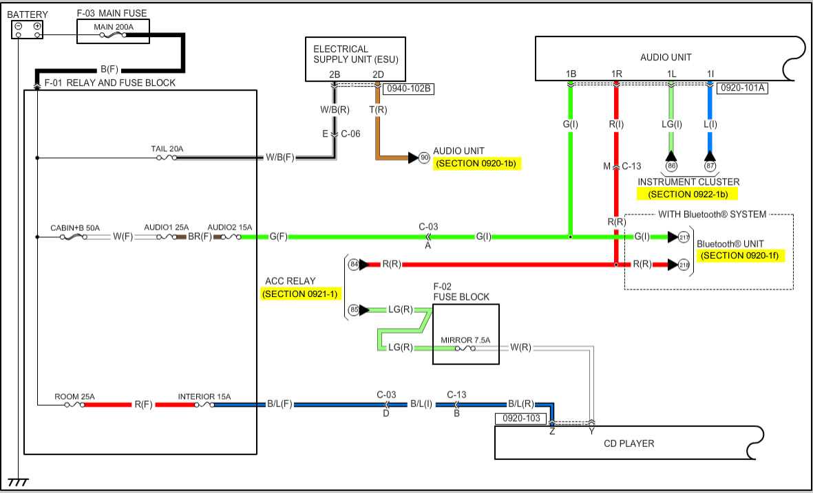
Pour connecter une radio dans une Mazda Miata, il est essentiel de suivre le schéma de câblage correct. Cela vous permettra d’assurer une installation propre et fonctionnelle de votre système audio. En utilisant le schéma adapté à votre modèle spécifique, vous éviterez des erreurs fréquentes telles que des câblages inversés ou des problèmes d’alimentation.
Commencez par identifier les câbles nécessaires, notamment le fil d’alimentation, la masse et les connexions pour les haut-parleurs. Sur un modèle Miata typique, vous trouverez souvent un câble rouge pour l’alimentation, un câble noir pour la masse, et des câbles spécifiques pour chaque haut-parleur (avant et arrière). L’utilisation d’un connecteur ISO standard simplifie également le processus.
Assurez-vous de vérifier les codes de couleurs des câbles dans le manuel de votre modèle particulier. Parfois, selon l’année de fabrication, des variantes peuvent apparaître, et un mauvais branchement peut entraîner des dysfonctionnements du système ou des risques pour l’électronique de la voiture. Pour une installation optimale, il est recommandé de souder les connexions et de sécuriser les fils avec des serre-fils pour éviter les courts-circuits.
Une fois le câblage terminé, vous pouvez tester le système. Si la radio ne fonctionne pas correctement, revérifiez chaque connexion en vous basant sur le schéma pour vous assurer que tout est correctement installé.
Voici les phrases corrigées avec les répétitions supprimées tout en conservant le sens original :
Pour installer un autoradio dans une Mazda Miata, commencez par localiser les câbles de connexion du faisceau électrique existant. Identifiez les fils d’alimentation, de masse et de signal qui seront utilisés pour connecter votre nouvel appareil. Vous trouverez généralement ces câbles dans le boîtier de l’autoradio. Assurez-vous que les fils sont correctement raccordés en suivant les codes de couleurs standard.
Raccordement des câbles d’alimentation
Le câble rouge est destiné à l’alimentation, tandis que le câble noir est celui de la masse. Branchez ces fils dans les connecteurs appropriés de votre autoradio pour garantir une alimentation correcte et stable. Si vous utilisez un adaptateur de faisceau, suivez les instructions du fabricant pour éviter les erreurs de câblage.
Vérification du signal audio

Le câble bleu est souvent utilisé pour la commande d’antenne, tandis que le câble jaune gère la mémoire de l’appareil. Connectez ces fils selon les spécifications de l’autoradio pour un fonctionnement optimal. Après avoir effectué ces raccordements, vérifiez que tous les câbles sont correctement fixés et qu’il n’y a pas de court-circuit.
Enfin, testez le fonctionnement de votre autoradio avant de remettre en place la console centrale. Si le son ne fonctionne pas correctement, vérifiez à nouveau les connexions et assurez-vous que tous les câbles sont bien en place. La bonne gestion de ces câbles garantira une installation propre et un son clair.
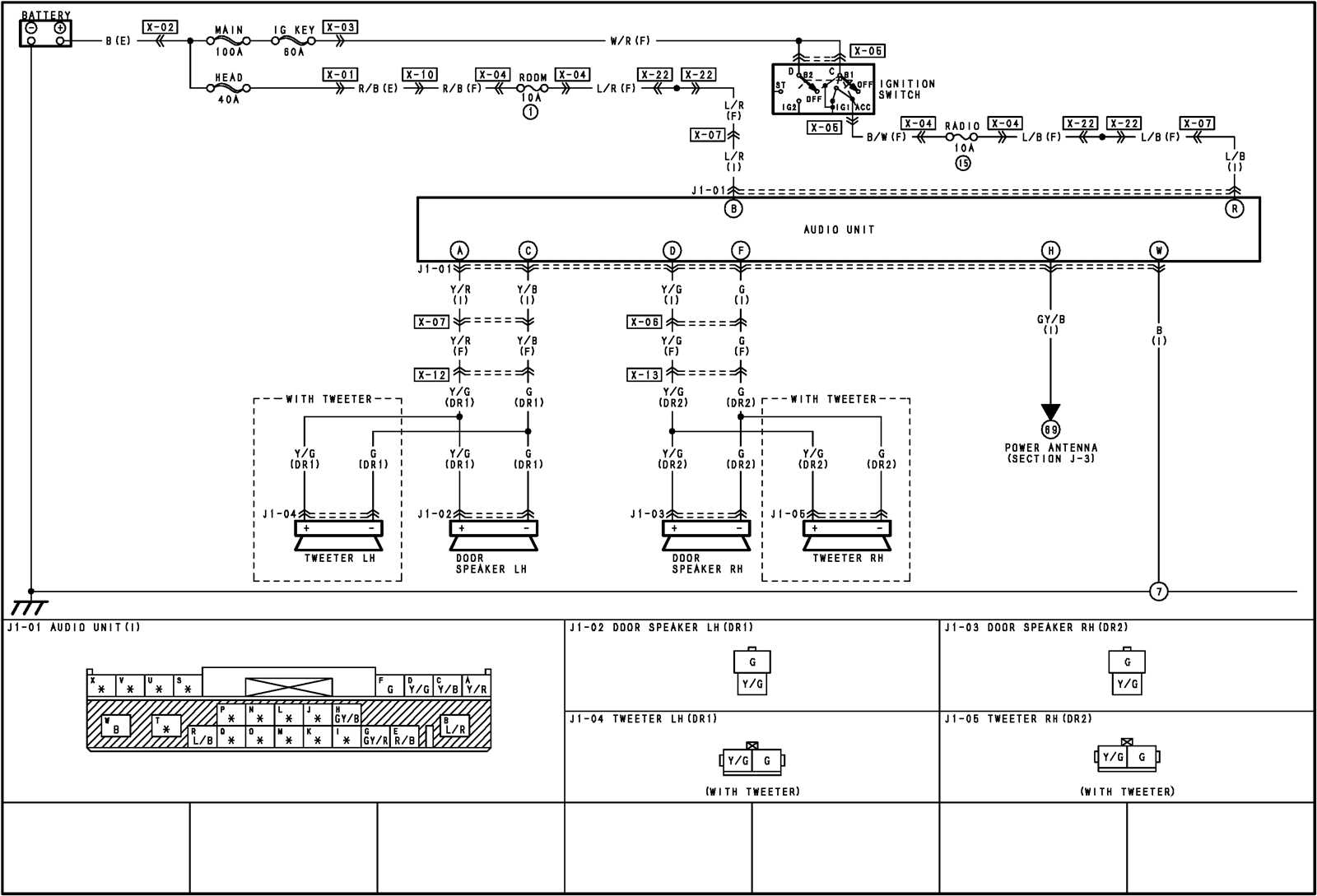
- Schéma de câblage radio pour la Mazda Miata
Pour installer un nouveau système audio dans une Mazda Miata, il est important de connaître les connexions électriques spécifiques pour éviter tout dommage ou dysfonctionnement. Voici un schéma de câblage détaillé pour vous guider dans le processus.
Connexions principales du câblage
Le faisceau de câblage de la radio de la Miata comprend plusieurs fils importants : l’alimentation, la masse, l’antenne et les sorties audio. Les fils d’alimentation sont généralement de couleur rouge (pour l’alimentation par contact) et de couleur jaune (pour l’alimentation permanente). Le fil de masse est généralement noir.
Couleurs et fonctions des fils

- Rouge : Alimentation par contact (ignition).
- Jaune : Alimentation permanente (batterie).
- Noir : Masse.
- Bleu : Sortie pour l’antenne.
- Violet et violet/Blanc : Sorties audio (gauche/droite avant).
- Vert et vert/Blanc : Sorties audio (gauche/droite arrière).
Assurez-vous que chaque fil est correctement connecté à son emplacement correspondant pour éviter tout problème de fonctionnement. Si vous installez un autoradio de remplacement, vous pourriez avoir besoin d’un adaptateur de faisceau pour assurer une compatibilité avec votre Miata.
Pour connecter correctement la radio dans votre Mazda Miata, il est crucial de bien identifier les fils de câblage. Voici les étapes à suivre pour une installation sans erreur.
1. Fils d’alimentation
Le fil d’alimentation est généralement rouge, il alimente la radio lorsqu’elle est allumée. Assurez-vous qu’il est bien connecté à la source d’alimentation de votre véhicule.
2. Fils de mise à la terre
Le fil de mise à la terre est souvent noir ou de couleur brune. Il doit être relié à une partie métallique du véhicule pour garantir un bon fonctionnement électrique de la radio.
3. Fils des haut-parleurs

Les fils des haut-parleurs sont habituellement de couleurs variées. Chaque haut-parleur a un fil positif (souvent marqué avec une couleur) et un fil négatif (noir ou gris). Assurez-vous de bien relier chaque haut-parleur au fil correspondant pour un son de qualité.
| Couleur du fil | Fonction |
|---|---|
| Rouge | Alimentation |
| Noir | Terre |
| Bleu | Contrôle de l’antenne électrique |
| Vert/Blanc | Haut-parleur gauche |
| Vert/Noir | Haut-parleur gauche (négatif) |
| Blanc/Noir | Haut-parleur droit (négatif) |
| Gris | Haut-parleur droit |
Vérifiez soigneusement chaque connexion avant de fixer définitivement la radio dans son emplacement. Cela garantira que tous les éléments fonctionnent comme prévu, et vous pourrez profiter de votre système audio sans souci.
Pour connecter correctement l’alimentation et le fil de mise à la masse de votre autoradio Mazda Miata, suivez ces étapes simples :
Connexion de l’alimentation
- Localisez le fil d’alimentation, généralement un fil rouge. Il est connecté à la batterie ou au circuit d’alimentation du véhicule.
- Utilisez un connecteur approprié pour assurer une connexion solide. Si nécessaire, coupez le fil d’alimentation à la longueur souhaitée et dénudez environ 1 à 2 cm des fils.
- Reliez ce fil à la borne d’alimentation de votre autoradio, qui se trouve généralement sur le connecteur principal. Serrez bien la connexion pour éviter tout risque de court-circuit.
Connexion du fil de mise à la masse
- Identifiez le fil de mise à la masse (souvent noir ou bleu), qui doit être connecté à une surface métallique du véhicule pour garantir une bonne connexion à la masse.
- Choisissez un endroit propre et exempt de rouille sur la carrosserie du véhicule pour fixer le fil de mise à la masse. Un point de fixation proche de l’autoradio est souvent l’idéal.
- Fixez le fil avec une vis ou un boulon pour assurer une bonne connexion. Si nécessaire, utilisez un œillet pour éviter d’endommager le fil.
Ces connexions de base garantiront que votre autoradio fonctionne correctement et que l’alimentation et la masse sont sécurisées. Vérifiez toujours les connexions avant de tester l’appareil pour éviter tout dysfonctionnement.
Connectez les fils des haut-parleurs aux bornes correspondantes de l’unité centrale en suivant les codes de couleur. Les câbles rouge et noir sont généralement utilisés pour le signal positif et négatif, respectivement. Assurez-vous de bien isoler les fils pour éviter tout court-circuit. Utilisez des connecteurs adaptés ou des cosses pour garantir une connexion solide et stable.
Pour chaque haut-parleur, vérifiez les polarités. La borne positive du haut-parleur doit être connectée à la borne positive de l’unité centrale. Une inversion de polarité peut nuire à la qualité du son. Il est aussi recommandé de vérifier la puissance nominale des haut-parleurs pour s’assurer qu’ils sont compatibles avec la sortie de l’unité centrale.
Lors de la connexion des câbles, évitez de trop les serrer, ce qui pourrait endommager les fils. Utilisez des serre-câbles pour maintenir une organisation soignée. Une installation propre et bien réalisée contribue à un meilleur rendu sonore et prolonge la durée de vie du système audio.
Pour assurer une réception optimale du signal radio, la gestion des fils d’antenne doit être précise et bien organisée. Commencez par connecter l’antenne à l’entrée spécifiée du récepteur radio. Utilisez un câble coaxial de haute qualité pour minimiser les pertes de signal. Assurez-vous que le câble est bien isolé et protégé contre les interférences extérieures, surtout lorsqu’il passe près d’autres câbles électriques.
En cas d’installation d’une antenne externe, il est crucial de fixer solidement le câble au récepteur sans le laisser libre dans l’habitacle, ce qui pourrait entraîner des coupures de signal. Pour cela, utilisez des attaches ou des serre-câbles pour maintenir le fil dans une position stable et éviter tout mouvement excessif pendant la conduite.
Si le véhicule dispose d’une antenne intégrée dans le pare-brise ou ailleurs, vérifiez régulièrement l’état du câble d’antenne interne. Parfois, un simple débranchement et un nettoyage de la connexion peuvent suffire à améliorer la réception. Pour les antennes amplifiées, assurez-vous que le câble d’alimentation est correctement branché et que l’amplificateur fonctionne bien.
En résumé, une gestion soignée du câblage de l’antenne et de la réception du signal contribue à améliorer la qualité de l’écoute et à éviter les dysfonctionnements fréquents des radios dans les véhicules.
Pour résoudre les problèmes courants de câblage dans le système radio d’une Mazda Miata, voici quelques solutions pratiques :
Problème de connexion défectueuse

Vérifiez que tous les fils sont correctement connectés et qu’il n’y a pas de corrosion. Un connecteur desserré peut provoquer des coupures de son ou des problèmes d’alimentation. Utilisez un nettoyant pour contacts électriques pour éliminer la rouille. Si le connecteur est trop endommagé, remplacez-le.
Câblage mal isolé
Assurez-vous que les fils ne sont pas usés ou endommagés. Un court-circuit peut survenir si le fil entre en contact avec des surfaces métalliques. Si nécessaire, remplacez les fils endommagés ou ajoutez une gaine isolante pour éviter tout contact avec d’autres parties métalliques.
Problème d’alimentation du système radio

- Vérifiez les fusibles de la voiture. Si un fusible est grillé, remplacez-le par un neuf de la même intensité.
- Contrôlez les câbles d’alimentation et de masse, et assurez-vous qu’ils sont bien fixés et exempts de défectuosités.
Interférences sonores
Si des bruits de fond ou des interférences se produisent, vérifiez le câblage de l’antenne. Une antenne mal connectée peut être la cause de ces bruits. Si le problème persiste, envisagez l’ajout d’un filtre anti-interférence à l’alimentation de votre radio.
Pour installer un autoradio après-vente dans une Miata, l’utilisation d’adaptateurs est souvent la solution la plus simple et la plus rapide. Ces adaptateurs permettent d’éviter les complications liées aux fils et connecteurs spécifiques à chaque modèle, en garantissant une installation propre et fonctionnelle.
Voici quelques conseils pour utiliser les bons adaptateurs dans votre Miata :
- Adaptateur de faisceau de câbles : Ce composant simplifie le raccordement de l’autoradio aux câbles existants de votre véhicule. Il élimine le besoin de couper ou d’effacer les fils d’origine. Recherchez un adaptateur qui correspond à l’année et au modèle de votre Miata pour assurer la compatibilité avec le système d’origine.
- Adaptateur de montage : L’adaptateur de montage permet d’installer un autoradio après-vente dans l’emplacement conçu pour un modèle d’origine. Il garantit que l’appareil soit correctement fixé et stable. Veillez à choisir un adaptateur adapté à la taille et à la forme de l’autoradio que vous souhaitez installer.
- Adaptateur pour antenne : Certains modèles de Miata nécessitent un adaptateur spécifique pour connecter l’antenne de votre nouveau autoradio à la prise existante. Assurez-vous de vérifier la compatibilité de l’antenne avant d’acheter un adaptateur supplémentaire.
- Vérification de la compatibilité : Avant d’acheter un adaptateur, vérifiez qu’il est compatible avec votre modèle exact de Miata, surtout si vous avez un modèle plus ancien ou une version qui pourrait avoir des configurations spécifiques pour l’audio.
L’utilisation de ces adaptateurs vous permet de gagner du temps et d’assurer une intégration harmonieuse de votre nouvel autoradio sans endommager les composants existants de votre véhicule.
Assurez-vous que le câblage de votre autoradio est bien connecté pour éviter les problèmes. Voici un schéma utile pour le câblage de votre Mazda Miata.
| Fil | Fonction | Couleur |
|---|---|---|
| Alimentation | Alimentation principale | Rouge |
| Acc | Alimentation par contact | Jaune |
| Terre | Retour à la masse | Noir |
| Speaker Right Front | Haut-parleur avant droit | Blanc |
| Speaker Left Front | Haut-parleur avant gauche | Gris |
| Speaker Right Rear | Haut-parleur arrière droit | Violet |
| Speaker Left Rear | Haut-parleur arrière gauche | Vert |
| Antenne | Commande d’antenne | Bleu |
| Illumination | Éclairage du panneau | Orange |
Si vous rencontrez des problèmes de son ou d’alimentation, vérifiez d’abord les connexions pour vous assurer qu’elles sont bien faites selon ce schéma.